5OM-1286-007_w.pdf - 第116页
$-4(3(',' 0:& ;$[LV$0RWRU&LUFXLW'LDJUDP ;$[LV$0RWRU&LUFXLW'LDJUDP

$-4(3(','
0:&
<$[LV$%0RWRU&LUFXLW'LDJUDP
<$[LV$%0RWRU&LUFXLW'LDJUDP

$-4(3(','
0:&
;$[LV$0RWRU&LUFXLW'LDJUDP
;$[LV$0RWRU&LUFXLW'LDJUDP

$-4(3(','
0:&
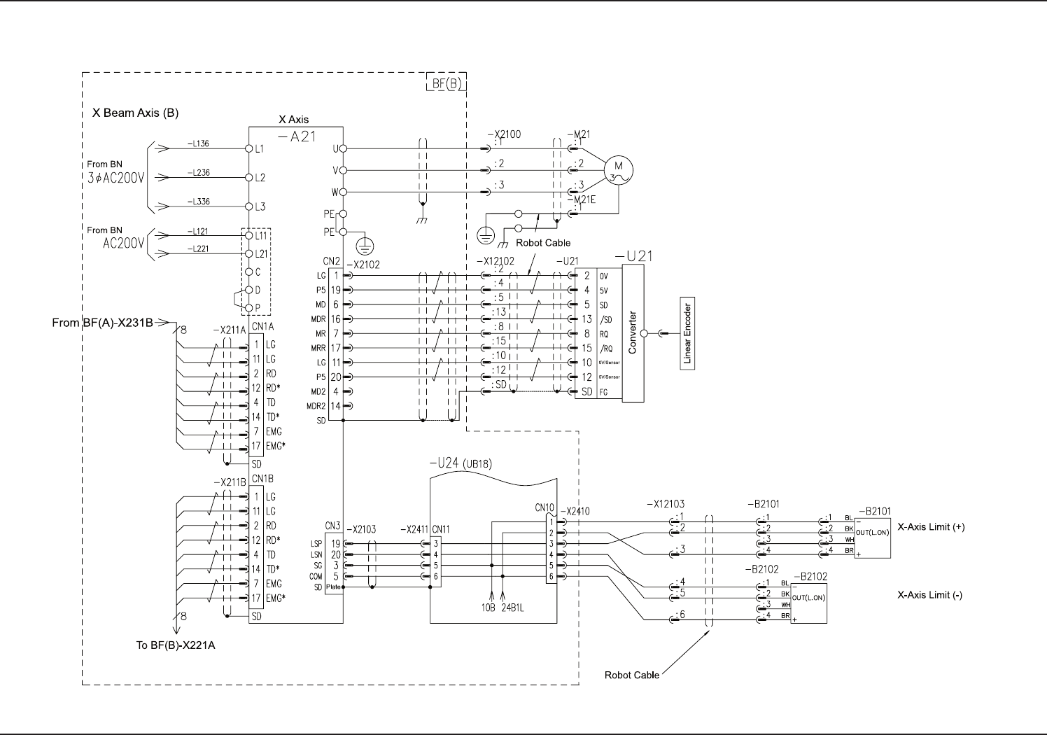
;$[LV%0RWRU&LUFXLW'LDJUDP
;$[LV%0RWRU&LUFXLW'LDJUDP