5OM-1286-007_w.pdf - 第138页
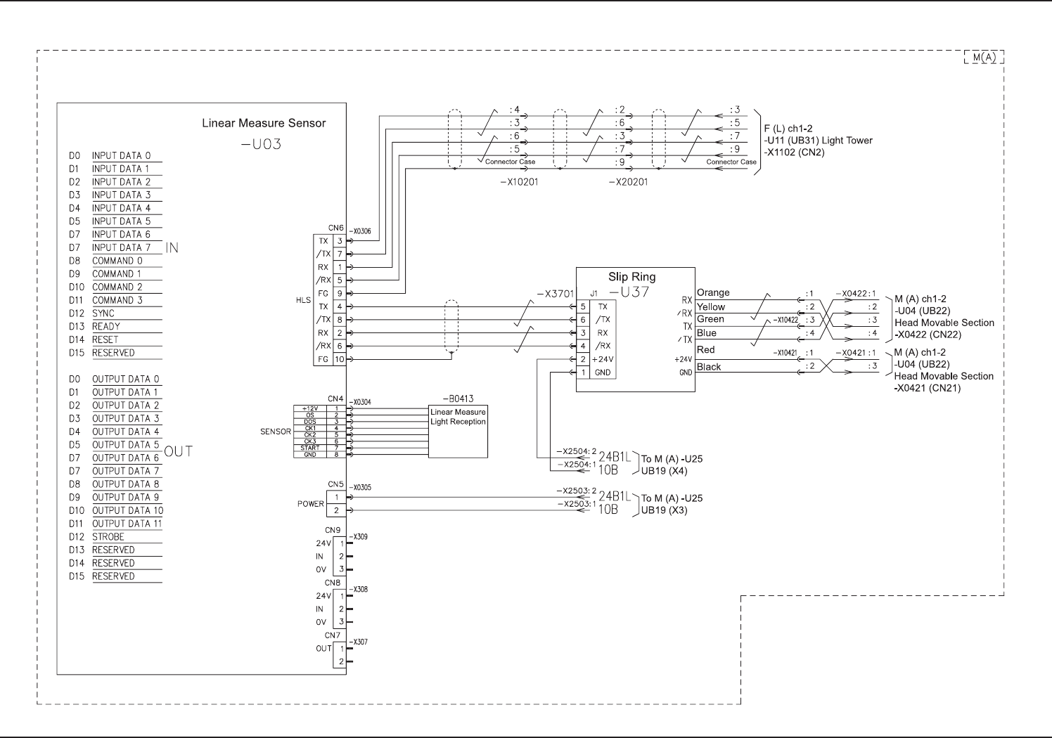
$-4(3(',' $0:0 /LQHDU0HDVXUH&LUFXLW'LDJUDP$ /LQHDU0HDVXUH&LUFXLW'LDJUDP$

$-4(3(','
0:0
+HDG0RWRU&LUFXLW'LDJUDP$
+HDG0RWRU&LUFXLW'LDJUDP$

$-4(3(','
$0:0
/LQHDU0HDVXUH&LUFXLW'LDJUDP$
/LQHDU0HDVXUH&LUFXLW'LDJUDP$

$-4(3(','
0:0
8%,2%RDUG+HDG0RYDEOH6HFWLRQ$
8%,2%RDUG+HDG0RYDEOH6HFWLRQ$