5OM-1286-007_w.pdf - 第119页
$-4(3(',' %0:' 8%,2%RDUG/LJKW7 RZHU 8%,2%RDUG/LJKW7 RZHU

$-4(3(','
0:'
0DLQ%RG\&RROLQJ)DQ&LUFXLW'LDJUDP
0DLQ%RG\&RROLQJ)DQ&LUFXLW'LDJUDP

$-4(3(','
%0:'
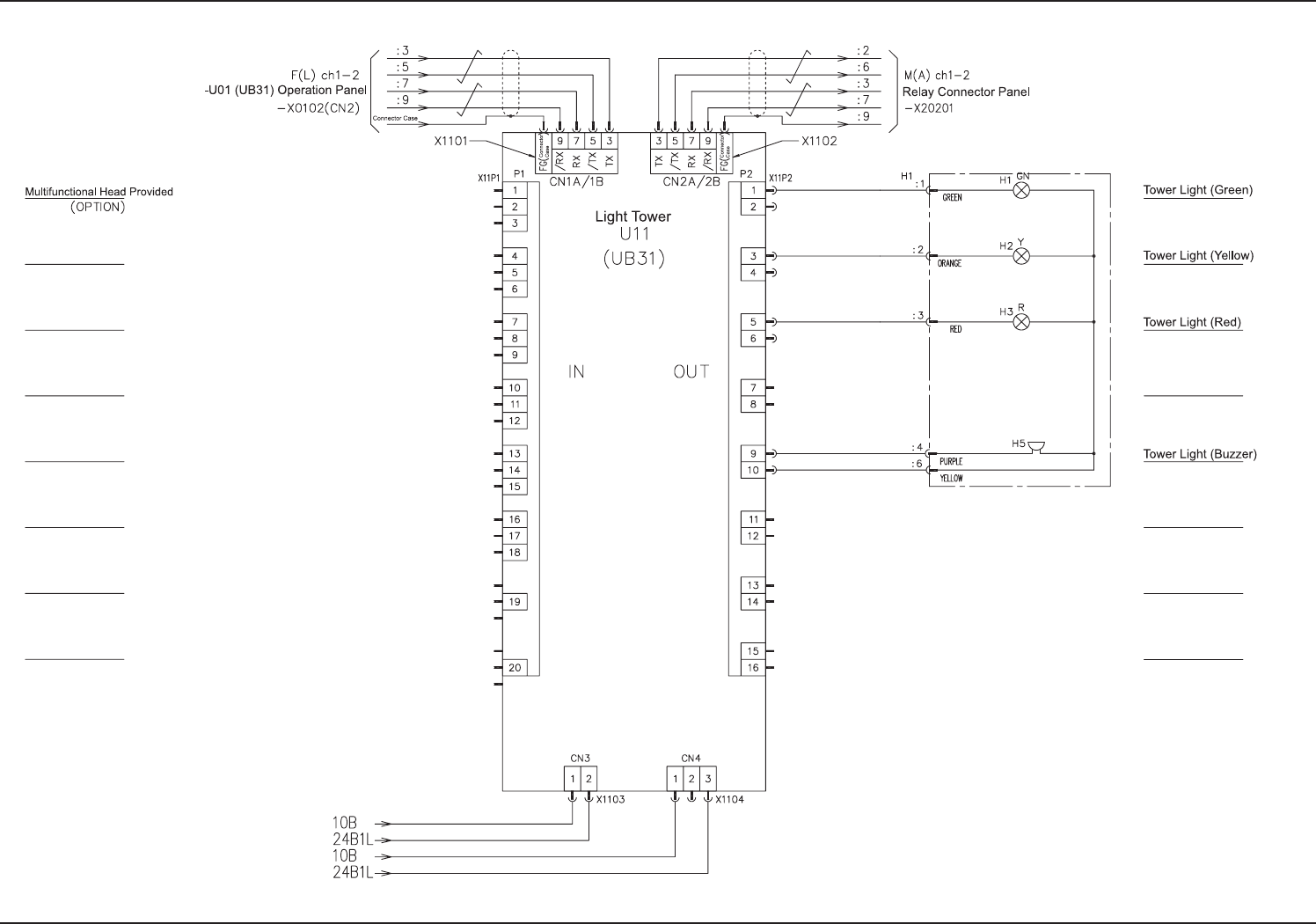
8%,2%RDUG/LJKW7RZHU
8%,2%RDUG/LJKW7RZHU

$-4(3(','
%0:'
8$)URQW5HDU,)%RDUG/
8$)URQW5HDU,)%RDUG/