JUKI-RX-7机器规格书.pdf - 第26页
8- 2 输入及输出信号 接口 24V 搬出要求入力信号 ピン番号:1(フロント側) ピン番号:9(リア側) 搬出要求信号コモン ピン番号:2(フロント側) ピン番号:10(リア側) 下流側装置 搬出許可出力信号 ピン番号:3(フロント側) ピン番号:11(リア側) 搬出許可信号コモン ピン番号:4(フロント側) ピン番号:12(リア側) 24V 搬出許可入力信号 ピン番号:3(フロント側) ピン番号:11(リア側) 搬出許可信号コモン…

8
接口
8-1 电气接口
8-1-1 电信号的种类与含义
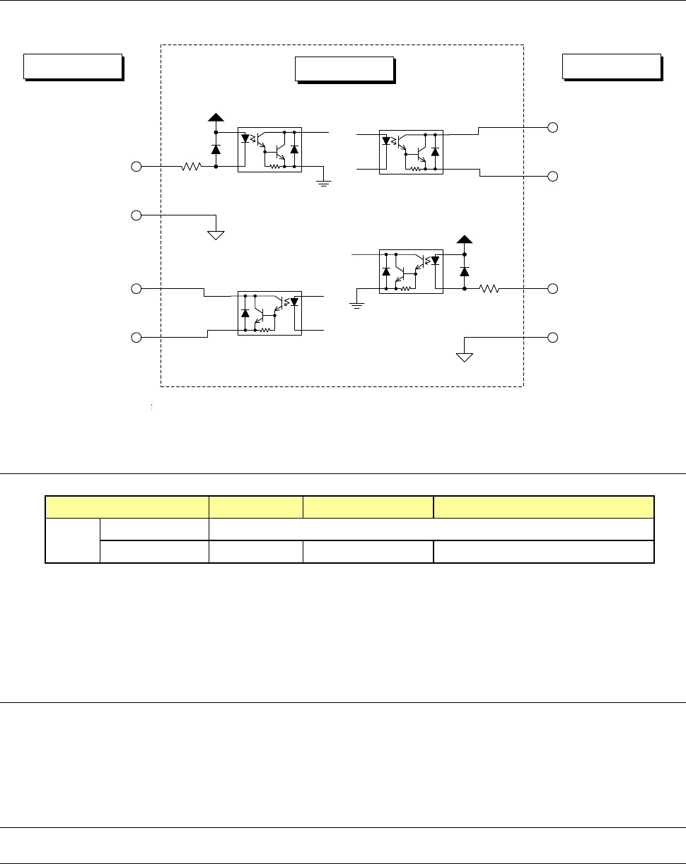
下面的“电信号连接概念图”, 是 RX-7 与上下游装置连接电信号的概念图。
在下图里,RX-7 与上游装置间的电信号为①②,与下游装置之间的电信号为③④。
a) 电信号①称为输入信号要求搬出(或 Board available in),即收到上游装置要求搬出印刷基板的信号。
b) 电信号②称为输出信号许可搬出(或 Ready out),即向上游装置发出许可搬出印刷基板的信号。
c) 电信号③称为输出信号要求搬出(或 Board available out),是向下游装置发出要求搬出印刷基板的信号。
d) 电信号④称为输入信号许可搬出(或 Ready in),是收到下游装置许可搬出印刷基板的信号。
电信号连接概念图
下流側装置
③
①
②
④
マウンター
上流側装置
RX-7
上游装置
下游装置
21

8-2 输入及输出信号接口
24V
搬出要求入力信号
ピン番号:1(フロント側)
ピン番号:9(リア側)
搬出要求信号コモン
ピン番号:2(フロント側)
ピン番号:10(リア側)
下流側装置
搬出許可出力信号
ピン番号:3(フロント側)
ピン番号:11(リア側)
搬出許可信号コモン
ピン番号:4(フロント側)
ピン番号:12(リア側)
24V
搬出許可入力信号
ピン番号:3(フロント側)
ピン番号:11(リア側)
搬出許可信号コモン
ピン番号:4(フロント側)
ピン番号:12(リア側)
搬出要求出力信号
ピン番号:1(フロント側)
ピン番号:9(リア側)
搬出要求信号コモン
ピン番号:2(フロント側)
ピン番号:10(リア側)
マウンタ
上流側装置
图 信号接口与连接端子
8-2-1 连接电缆规格
请按照各连接的机型,使用以下电缆。
使用电缆表
RX-7
RX-6
、
KE-3020V
检查机型、其他(双模式机器)
RX-7
单模式
0
、
1
、
2
双模式
1
2
1:连接电缆 1(标准附属)
2:连接电缆 2(选购项)
3:连接电缆(以往产品)
8-3 数据接口
备有连接IS Lite的LAN(10/100BASE)接口。
主机可使用USB接口CD-ROM。
(前侧备有2个USB端口、后侧有2个USB端口)
8-4 工具的连接
8-4-1 管线接口
主机端供气口装备有日東工器制造的管线接口(20PM)。
有工厂方附带的 One Touch Coupler。
・日東工器㈱ 制 High Coupler 型号 20SH
贴片机
下游装置
上游装置
输入信号要求搬出
针号:
1(前侧)
针号:
9(后侧)
公用信号要求搬出
针号:
2(前侧)
针号:
10(后侧)
输出信号许可搬出
针号:
3(前侧)
针号:
11(后侧)
公用信号许可搬出
针号:
4(前侧)
针号:
12(后侧)
输出信号要求搬出
针号:
1(前侧)
针号:
9(后侧)
公用信号要求搬出
针号:
2(前侧)
针号:
10(后侧)
输入信号许可搬出
针号:
3(前侧)
针号:
11(后侧)
公用信号许可搬出
针号:
4(前侧)
针号:
12(后侧)
22

9
安全性规格
9-1 标准规格
紧急停止
设有前面 1 处紧急停止开关。
按下紧急停止开关时,各轴会立即停止、切断伺服马达的驱动电源。
安全罩
机器的前面配备 1 个安全罩。可通过安全罩开关,检测到开关状态,安全罩打开时,即切断各轴的
动力,进入紧急停止状态。
一次性更换台车部分有各自的安全开关,在一次性更换台车下降状态下,各轴的动力会被切断,进
入紧急停止状态。(传送带或支撑台、供应装置的动作不受影响。)
在安全罩打开状态及一次性更换台车下降状态下直接按下开始开关,会显示提示信息,轴不
会动作。
联锁规格
门打开或一次性更换台车下降状态下,包括 XY 轴的动力系统的电源会关闭。
9-2 CE 标记规格
遵循下列 EC 指令。
· EC 机械指令 2006/42/EC
· EC EMC 指令 2004/108/EC
适合规格
机器指令 EN12198-2:2002 + A1:2008、EN60204-1:2006 + A12009、
EN ISO12100:2010、EN ISO13849-1:2008、EN ISO 13857:2008
EMC 指令 EN61000-6-4:2007 + A1:2011、EN61000-6-2:2005
9-3 其他法规
激光装置
HMS:class Ⅱ(JIS C6802 等级 2、FDA class Ⅱ)、EN60825
23