00198169-01 Technical Training TX-Series cn.pdf - 第156页
10 电源 10.3 电压概览方框图 TX系列 技术培训 01/2016 156 – 然后,贴片头轴电压经过 FDB 总成,由那里的保险丝保护,然后发传到贴片头。 电压 类型 保险丝 使用 160 VDC 受控 F19 星形轴马达悬臂1 160 VDC 受控 F19 Z马达CPP悬臂1 160 VDC 受控 F20 星形轴马达悬臂2 160 VDC 受控 F20 Z马达CPP悬臂2 10.3.4 42 VDC受控和非受控 下图显示了生成…

TX系列 技术培训
01/2016
10 电源
10.3 电压概览方框图
155
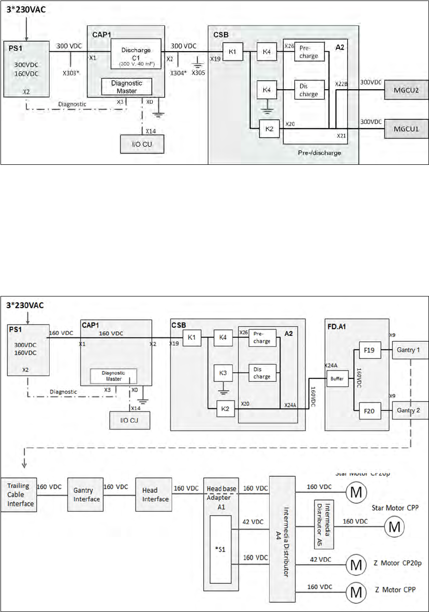
10.3.2 300 V主轴的中间电路电压
下图显示了为贴片头轴生成300V中间电路电流。
* X303/X304维修测试点(DC 300V输入/输出)
– 主轴的300VDC中间电路电压由PS1电源组生成,直接通过CAP1和CSB单元传输到MGCU。
– 电容储能电池 CAP1 使用该300VDC充电。
– 主轴的预充电/放电控制以及储能电池的能源管理由安全断路器(CSB)中的预充/放电板-A2完
成。
10.3.3 160 V贴片头轴的中间电路电压
下图显示了为贴片头轴生成160V中间电路电流。
*
S1切换Z轴中间电压,CPP为160V,C&P20 P为42V
– 贴片头轴的160VDC 电压(中间电路)不会通过储能电池管理,不存在能量补偿问题。
– 该电压直接从电源组PS1经过储能电池CAP(无处理)进入CSB,在那里切换到预充/放电板。

10 电源
10.3 电压概览方框图
TX系列 技术培训
01/2016
156
– 然后,贴片头轴电压经过 FDB 总成,由那里的保险丝保护,然后发传到贴片头。
电压 类型 保险丝 使用
160 VDC 受控 F19 星形轴马达悬臂1
160 VDC 受控 F19 Z马达CPP悬臂1
160 VDC 受控 F20 星形轴马达悬臂2
160 VDC 受控 F20 Z马达CPP悬臂2
10.3.4 42 VDC受控和非受控
下图显示了生成 42V中间电路。
电压 类型 保险丝 使用
42 VDC 非受控 F14 Z马达CP20悬臂1
42 VDC 非受控 F15 Z马达CP20悬臂2
42 VDC 非受控 F21 相机照明(元件和PCB)悬臂1&2
42 VDC 非受控 F21 固定元件相机的照明
42 VDC 受控 F16 传送导轨驱动马达

TX系列 技术培训
01/2016
10 电源
10.3 电压概览方框图
157
10.3.5 24 VDC受控和非受控
保险丝1-3和5-10
电压 类型 保险丝 使用
24 VDC 非受控 F1 MGCU1供电
24 VDC 非受控 F2 MGCU2供电
24 VDC 非受控 F3 外部服务/风机供电(预留I/O和选配)
24 VDC 非受控 F5 控制计算机(PC)供电
24 VDC 非受控 F6 显示器/CIN(Can接口)/PC(选配)供电
24 VDC 非受控 F7 传输导轨控制供电(TSP-420M 内部带微保险丝)
24 VDC 非受控 F8 未使用
24 VDC 非受控 F9 未使用
24 VDC 非受控 F10 用于电源单元内部诊断