00191024-01.pdf - 第419页
9 Instandhaltung Betriebsanleitung SIPLACE 80 S/F/G 9.5 Revolverkopf mit Segm entversion II (neuer Pipettensitz) Ausgabe 07/97 ab Softwareversion SR.010.xx 9 - 56 ● Prüfen S ie die A nschlagpla tten und er setzen Sie die…

Betriebsanleitung SIPLACE 80 S/F/G 9 Instandhaltung
Ausgabe 07/97 ab Softwareversion SR.010.xx 9.5 Revolverkopf mit Segmentversion II (neuer Pipettensitz)
9 - 55
9.5.7 Schraubendreher 1 und 2
HINWEIS
Das „Gehäuse komplett mit Stern“ ist für diese Wartungsarbeit abgebaut und auf dem „Montagegestell für
Gehäuse“ montiert, wie im Abschnitt „Abbau des Gehäuses ...“ beschrieben.
Die Anordnung der Schraubendreher 1 und 2 in der Trägerplatte entnehmen Sie bitte der Abb. 9.5.8.
Die Markierung der Stellung 30 Grad für den Schraubendreher 2 ist bereits vorhanden.
Ersatzteile
: Siehe Abb. 9.5.8
●
Fahren Sie zur besseren Zugänglichkeit des Schraubendrehers 1 evtl. die z-Achse von Hand nach unten,
indem Sie die Kurvenscheibe gegen den Uhrzeigersinn drehen.
●
Reinigen Sie ggf. den Zahneingriff mit einem mit Alkohol getränkten Pinsel und trocknen Sie die Stelle mit
Druckluft.
●
Fetten Sie den Schraubendreher 1 und 2 jeweils am Zahneingriff sparsam mit Unimoly GL82.
●
Drehen Sie das Ritzel von Hand, damit sich das Fett verteilt.
Abb. 9.5.8 Schraubendreher 1 und 2 in der Trägerplatte warten

9 Instandhaltung Betriebsanleitung SIPLACE 80 S/F/G
9.5 Revolverkopf mit Segmentversion II (neuer Pipettensitz) Ausgabe 07/97 ab Softwareversion SR.010.xx
9 - 56
●
Prüfen Sie die Anschlagplatten und ersetzen Sie diese bei Beschädigung: 2 Senkschrauben M1,6 lösen.
●
Bringen Sie die Schraubendreher jetzt in die exakte Drehstellung:
Schraubendreher 1: waagrechte Stellung, Schraubendreher 2: 30 Grad Stellung (siehe Markierung!)
●
Bringen Sie abschließend die z-Achse von Hand in die obere Endstellung.
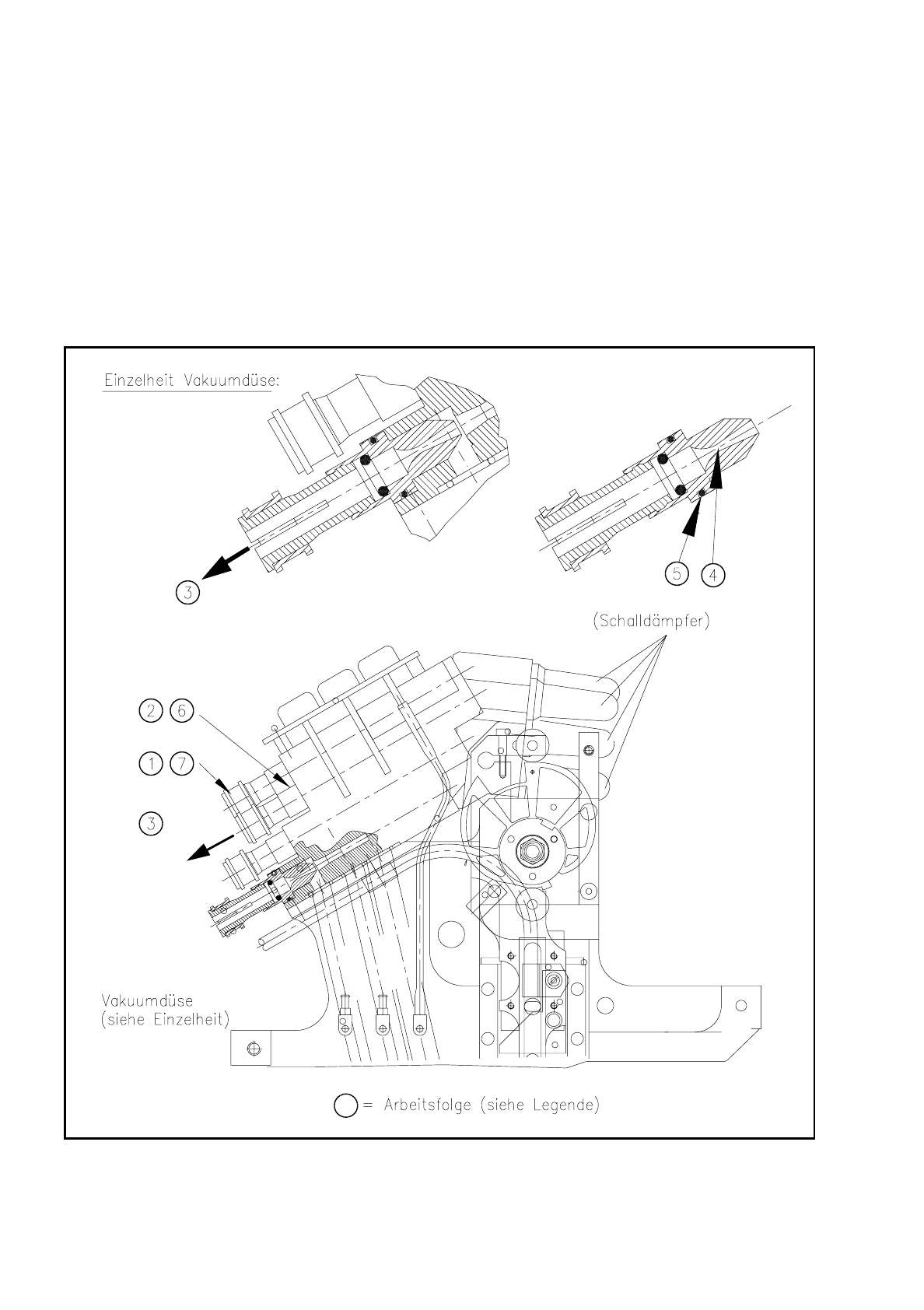
9.5.8 Vakuumdüsen
Abb. 9.5.9 Vakuumdüsen warten (Sicht in Montagerichtung Bestückkopf)

Betriebsanleitung SIPLACE 80 S/F/G 9 Instandhaltung
Ausgabe 07/97 ab Softwareversion SR.010.xx 9.5 Revolverkopf mit Segmentversion II (neuer Pipettensitz)
9 - 57
Legende zu Abb. 9.5.9, Vakuumdüse inkl. O-Ringe warten:
1 Lösen Sie den Schnellverschluß der Druckluftanschlüsse an den Vakuumdüsen:
Schieben Sie den roten Ring in Richtung Düse und ziehen Sie die Schläuche ab.
2 Lösen Sie Klemmung der Vakuumdüsen (3 Innensechskantschrauben M2).
3 Ziehen Sie die Vakuumdüsen heraus.
4 Reinigen Sie die Bohrung der Vakuumdüsen und die O-Ringe mit Alkohol und fetten Sie die O-Ringe
sparsam mit UNISILKON L250L.
5 Prüfen Sie den richtigen Sitz der O-Ringe und schieben Sie die Vakuumdüsen bis auf Anschlag in die
Bohrungen ein.
6 Klemmen Sie die Vakuumdüsen am Bund (Innensechskantschrauben).
7 Schließen Sie die Druckluftschläuche an (Längen beachten!) und klemmen Sie die Schläuche, indem Sie
den roten Ring nach oben schieben.
9.5.9 Vakuumverteilerkupplung
Die Vakuumverteilerkupplung ist im Drehpunkt des Sterns auf die Trägerplatte aufgesteckt und nur nach
Abbau des „Gehäuses komplett mit Stern“ zugänglich (siehe Abb. 9.5.10).
Die Wartung der Vakuumverteilerkupplung wird deshalb immer zusammen mit der Wartung am „Gehäuse
komplett mit Stern“ durchgeführt.
HINWEIS
Informieren Sie bei starker Verschmutzung in den Bohrungen der Vakuumverteilerkupplung den SMD-Service
der Fa. Siemens AG.:
Zum einen müssen die Ursachen der Verschmutzung gefunden werden, wie z. B. Druckluftspezifikation nicht
eingehalten, Druckluftfilter nicht rechtzeitig getauscht etc.,
zum anderen kann eine werkseitige Reinigung des gesamten Bohrungssystems im Bestückkopf erforderlich
sein!
Ersatzteile:
O-Ring für Bestück- und Abwurfkreis, 4x1,2 NBR 70 B, Artikel-Nr. 00303110-01 (je 1 Stück)
O Ring für Haltekreis, 9x1 NBR 70 B, Artikel-Nr. 00201383-01 (1 Stück)
9.5.9.1 Bohrungen und Außenflächen reinigen
●
Das „Gehäuse komplett mit Stern“ ist abgebaut (siehe „Abbau des Gehäuses komplett mit Stern“).
●
Ziehen Sie die Vakuumverteilerkupplung senkrecht nach vorne von der Trägerplatte ab (nicht verkanten!).
●
Stellen Sie per Augenschein fest, ob starke Verschmutzung vorliegt (siehe HINWEIS oben).
Ist die Verschmutzung nur geringfügig, so kontrollieren Sie trotzdem vorbeugend, ob die Wartung der
Drucklufteinheit regelmäßig durchgeführt wurde oder eine andere Ursache vorliegt.