2RGKBM006507.pdf - 第30页
2 8 0 1 2 8 0 2 2 8 0 3 2 8 0 4 2 8 0 5 2 8 0 6 2 8 0 7 2 8 0 8 2 8 0 9 2 8 1 0 2 8 1 1 2 8 1 2 2 8 1 3 2 8 1 4 2 8 1 5 2 8 1 6 2 8 1 7 2 8 1 8 2 8 1 9 2 8 2 0 2 8 2 1 2 8 2 2 2 8 2 3 2 8 2 4 2 8 2 5 2 8 2 6 2 8 2 7 2 8 …

27 01
27 02
27 03
27 04
27 05
27 06
27 07
27 08
27 09
27 10
27 11
27 12
27 13
27 14
27 15
2716
2717
2718
2719
2720
2721
2722
2723
2724
2725
2726
2727
2728
2729
NAME PAGE
電気回路線図
CIRCUIT DIAGRAM
33
27
TITLE TYPE
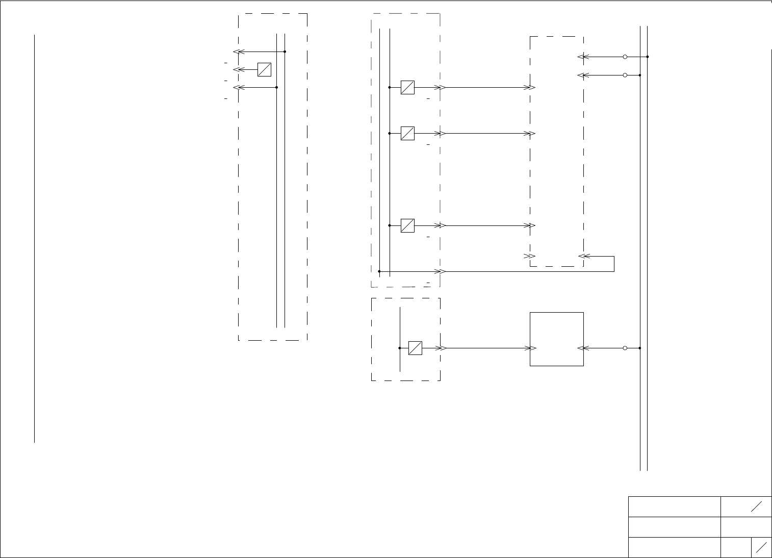
検査 2D・流量 A/D
INSPECTION 2D・FLOW A/D
SNC-01
DRAWING No.
3
3
K1
2RGKBM005809
2730
FUJI SECRET
G
DC+V DC+VF1
DC+VF2
G
+24V1
+24V1
+24V1
G
(K1CR2)
9 5
2624
KA2/M1
(K1CR2)
9 1
2624
KA2/M1
ADDRESS
917
UART5
RX_5
TX_5
CTS_5
RTS_5
GND 9
6
7
3
1
RS485/232C
(K1COV1)
4
RXD COM 1
3
TXD NC 2
YA(+) 3
9
COM YB(-) 4
NC 5
1
+ COM 6
2
ー
UART5
流量センサ1(小径)
Air Flow1(SMALL)
A/D変換
A/D COV.
3
(K1AD1)
4
1 COM
5
DC+V
2 NC
6
DC-V
3 YA(+)
7
4 YB(-)
8
5 NC
9
6 COM
1
+
2
(K1LS1)
流量センサ2(大径)
Air Flow2(LARGE)
(K1LS2)
ー
(M1PCB1)
OUT1
DC(-)
1 DC(+)
OUT2
1
ー
+
1
ー
+
OUT2
DC(+)
DC(-)
OUT1
TB1
TB1
TB1
TB1
リモートIO基板1

28 01
28 02
28 03
28 04
28 05
28 06
28 07
28 08
28 09
28 10
28 11
28 12
28 13
28 14
28 15
2816
2817
2818
2819
2820
2821
2822
2823
2824
2825
2826
2827
2828
2829
NAME PAGE
電気回路線図
CIRCUIT DIAGRAM
33
28
TITLE TYPE
検査 ノズル先端 スタック
INSPECTION NOZZLE TOP
SNC-01
DRAWING No.
3
1
K2
2RGKBM005809
2830
FUJI SECRET
G
+24V1E
RY001
+24V1
G
RY006
+24V1
G
+24V1
RY000
+24V1
I
O
RY000
I
O
RY001
I
O
Y004
I
O
RX00F
I
O
RY006
CN-X_d-4
2
CN-X_d-4
3
CN-X_d-4
1
CN-Y_a-1
2
CN-Y_a-2
2
CN-Y_b-3
2
CN-Y_b-3
3
OFC LED1(側射)
OFC LED2(落射)
OFC CAMERA SIDELIGHT SOURCE
LIGHTING INSTRUCTIONS
OFC CAMERA INCIDENT LIGHT SOURCE
LIGHTING INSTRUCTIONS
VISION PCB
(M1PCB2)
TRIG IN
TRIG IN2
5
+
6
-
OFCカメラTRIG
OFC CAMERA TRIG
Y004
DIO1
11
M1PCB1
CN1-5
CN1-3
CN1-4
OFC LED
(K2PCB3)
CN1-1
CN1-2
OFC LED3(バックライト)
OFC CAMERA BACKLIGHT
LIGHTING INSTRUCTIONS
CN2-1
+24V
CH1
CH2
CH3
CH4 COM
リモートIO基板1 リモートIO基板1
CN2-2
0V
TB1
TB1
TB1
M1PCB6 M1PCB6
CPUBOX

29 01
29 02
29 03
29 04
29 05
29 06
29 07
29 08
29 09
29 10
29 11
29 12
29 13
29 14
29 15
2916
2917
2918
2919
2920
2921
2922
2923
2924
2925
2926
2927
2928
2929
NAME PAGE
電気回路線図
CIRCUIT DIAGRAM
33
29
TITLE TYPE
検査 ノズル先端 スタック
INSPECTION NOZZLE TOP
SNC-01
DRAWING No.
3
2
K2
2RGKBM005809
2930
FUJI SECRET
ADDRESS
920
UART7
ロードセルコントローラ
Loadcell Controller
+24V1
CN2-1
CN5
G
CN2-2
-3
CN2-3
-4
UART1
-CASE
-6
-4
-5
-3
-1
ロードセル
Loadcell
K2LS1
赤 RED
黒 BLK
青 BLU
白 WHT
K2PCB1
SD
RD
G
RX_7
TX_7
GND
(4)
(2)
(19)
CPU BOX
CH7(UART) へ
AWG22
+2.5
OUT-
-2.5
OUT+
FG
IN(+)
OUT(-)
IN(ー)
OUT(+)
-2,7,8
FG
CN1
-2
TB1
TB1