2RGKBM006507.pdf - 第64页

NAME T I T L E DRAWING No. 設定表 SETTING TABLE 2 RG KB M0 05 40 4 リモートIO REMORT IO TYPE SNC-01 1 3 F U J I S E C R E T ベ ー ス リ モ ー ト I / O 基 板 B A S E R E M O T E I / O B O A R D J P 1 C N 1 - 1 S W 1 C N 1- 2 F 1 C N 2- 1…

100%1 / 70
  
  
  
  
  
  
  
  
  
  
  
  
  
  
  
  
  
  
  
  
  
  
  
  
  
  
NAME PAGE
TYPE
SNC-01
DRAWING No.
  
  
  
  
  
  
  
  
  
  
  
  
  
  
  
  
  
  
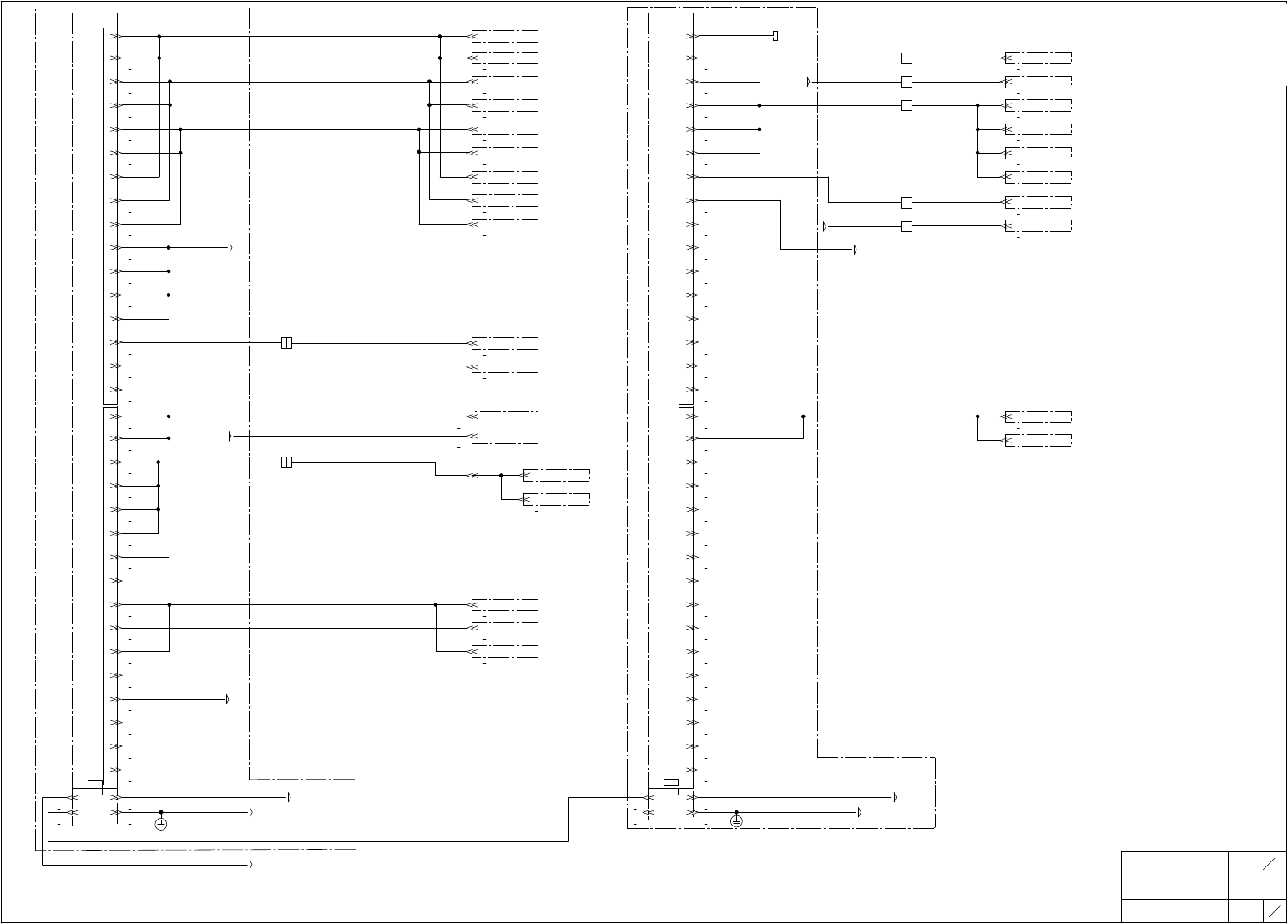
接続図
CONNECTION DIAGRAM
INTEGRATED CONNECTION DIAGRAM  
総合接続図
2RGKBM006603
     
FUJI CONFIDENTIAL
2EGKBA0313**
2EGKBA0386**
2EGKBA0324**
2EGKBA0412**
2EGKBA0443**
M1PCB6
a-1
T1LS1W M1PCB8
a-1
M1PCB6
a-2
T1LS2W M1PCB8
a-2
M1PCB6
a-3
T1LS3W M1PCB8
a-3
M1PCB6
a-4
T1LS4W M1PCB8
a-4
M1PCB6
b-1
T1LS5W M1PCB8
b-1
M1PCB6
b-2
T1LS6W M1PCB8
b-2
M1PCB6
b-3
T1LS9W M1PCB8
b-3
M1PCB6
b-4
T1LS10W M1PCB8
b-4
M1PCB6
c-1
T1LS11W M1PCB8
c-1
M1PCB6
c-2
M1PCB8
c-2
M1PCB6
c-3
M1PCB8
c-3
M1PCB6
c-4
M1PCB8
c-4
M1PCB6
d-1
M1PCB8
d-1
M1PCB6
d-2
M1PCB8
d-2
C1LS1X
M1PCB6
d-3
M1PCB8
d-3
C1LS1W
M1PCB6
d-4
M1PCB8
d-4
M1PCB6
a-1
K2PCB3
CN1
M1PCB8
a-1
K2PCB3
CN2
M1PCB6
a-2
M1PCB8
a-2
M1PCB6
a-3
M1PCB8
a-3
K1PCB1
K1LED1
CN
M1PCB6
a-4
M1PCB8
a-4
K1PCB2
M1PCB6
b-1
M1PCB8
b-1
M1PCB6
b-2
M1PCB8
b-2
M1PCB6
b-3
M1PCB8
b-3
M1PCB6
b-4
M1PCB8
b-4
M1PCB6
c-1
M1PCB8
c-1
C1SOL7
M1PCB6
c-2
C1SOL8 M1PCB8
c-2
M1PCB6
c-3
C1SOL9 M1PCB8
c-3
M1PCB6
c-4
M1PCB8
c-4
M1PCB6
d-1
M1PCB8
d-1
M1PCB6
d-2
M1PCB8
d-2
M1PCB6
d-3
M1PCB8
d-3
M1PCB6
d-4
M1PCB8
d-4
M1PCB5
CN2-1
M1PCB7
CN2-1
M1PCB5
CN2-2
M1PCB7
CN2-2
STLS1X(R)
STLS1X(T)
STLS1W
STLS2W
STLS1P
STLS2P
STSOL1
STSOL2
M1PCB5
CN1-1
M1PCB5
CN1-2
M1PCB7
CN1-1
M1PCB7
CN1-2
303
2EGKBA0121**
140
2EGKBA0313**
130
2EGKBA0172**
131
2EGKBA0173**
132
2EGKBA0318**
133
2EGKBA0319**
141
2EGKBA0386**
142
2EGKBA0412**
312
2EGKBA0324**
STLS2X(R)
STLS2X(T)
144
2EGKBA0443**
120
2EGKBA0466**
IO_(M1PCB6) トIO基_(M1PCB8)
_(T1LS1W)
_(T1LS2W)
_(T1LS3W)
_(T1LS4W)
_(T1LS5W)
_(T1LS6W)
_(T1LS9W)
_(T1LS10W)
_(T1LS11W)
_(C1LS1X)
_(C1LS1W)
_(K2PCB3)
_(K1LED1)
_(K1PCB1)
_(K1PCB2)
_(C1SOL7)
_(C1SOL8)
_(C1SOL9)
リモートIO基_(M1PCB5) リモートIO_(M1PCB7)
 _(STLS1W)
 _(STLS2W)
 退_(STLS1P)
 _(STLS2P)
 _(STSOL1)()
 _(STSOL2)()
 _(STLS1X(R))
 _(STLS1X(T))
 _(STLS2X(R))
 _(STLS2X(T))
2EGKBA0325**
2EGKBA0326**
2EGKBA0327**
CNX CNX
2EGKBA0400** 2AGKBA0115**
2AGKBA0057**
2EGKBA0163**
2EGKBA0323**
2EGKBA0273**
RH49112
2EGKBA0424**
CNY CNY
2EGKBA0329**
CN1
CN1
CN3 CN3
2EGKBA0172**
2EGKBA0173**
2AGKBA0032**
ストッカ選択仕
()
()
2EGKBA0314**
2AGKBA0033**
2EGKBA0318**
2EGKBA0319**
2EGKBA0121**
2EGKBA0122**
()
()
2EGKBA0466**
NAME
DRAWING No.
設定表
SETTING TABLE
2RGKBM005404
リモートIO
REMORT IO
TYPE
SNC-01
 
   
1-
2-
ON
ON
 
ジャンパSW
JUMPER SW
ジャンパSW
JUMPER SW
ディップSW
DIP SW
ジャンパSW
JUMPER SW
ディップSW
DIP SW
ディップSW
DIP SW
子局アドレス(SA) 出力アドレス(DOSA)
ターミネート設定
出力DO00~DO11
のコモン設定
ダブルワードセレクト
(DOHL)
記号
シールド
接地方法選択
OPEN:終端の子局以外
(1を最下位ビットとして
0~63を設定)
(1を最下位ビットとして
0~63を設定)
OPEN :外部電源+コモン OFF:下位ビット(0~31)
SHORT:終端の子局
SHORT:内部電源+コモン ON :上位ビット(32~63)
※7,8は未使用 ※7,8は未使用
M1PCB5 :0
OPEN SHORT
OPEN
TERMINATE SET UP
OUTPUT ADRESS
TERMINAL ADRESS DOUBLE WORD SELECTDOHL)
COMMON SET UP OUTPUT DO00~DO11
SET UP 063 AS 1 IS THE LOWEST RANK BIT)
OPEN:EXCEPT FOR END TERMINAL
SET UP 063 AS 1 IS THE LOWEST RANK BIT)
OPEN:OUTSIDE POWER+COMMON
OFF:LOWER RANK BIT
SYMBOL
SHIELD EARTH
METHOD SELECT
78 IS NO-USE
ON:HIGHER RANK BIT
SHORT:INSIDE POWER+COMMON
78 IS NO-USEOPEN:END TERMINAL
JP1 SW1 SW2 SW4 SW5 SW6
:14
M1PCB7
OPEN
SHORT
:1
SHORT
:14
ON
 
      
       
  
ON
OFF
ディップスイッチ設定
ON側 OFF側
M1PCB7
M1PCB5
NAME
DRAWING No.
設定表
SETTING TABLE
2RGKBM005404
STEP MOTOR CONTROLLER
ステップモータコントローラ
TYPE
SNC-01
 
 
ロータリSW
ROTARY SW
1:ON、 2:ON  :9600bps(出荷時)
記号
1:OFF、2:ON  :38400bps
SYMBOL
M1PCB3
M1PCB4
ディップSW
DIP SW
10
10
1:ON、 2:OFF :115200bps
1:OFF、2:OFF :128000bps
3:有効軸1 ON:有効、OFF:無効
4:有効軸2 ON:有効、OFF:無効
5:有効軸3 ON:有効、OFF:無効
6:有効軸4 ON:有効、OFF:無効
7:終端抵抗 ON:接続、OFF:非接続
8:終端抵抗 ON:接続、OFF:非接続
9:終端抵抗 ON:接続、OFF:非接続
10:終端抵抗 ON:接続、OFF:非接続
半2重通信:SW7,8:ON
全2重通信:SW7~10:ON
重要:ストッカオプション対応時 SW4:ON
コントローラ
アドレス設定
:0
:1
0
4
8
C
ロータリSW
ROTARY SW
ディップSW
DIP SW