2RGKBM006507.pdf - 第32页

3 0 0 1 3 0 0 2 3 0 0 3 3 0 0 4 3 0 0 5 3 0 0 6 3 0 0 7 3 0 0 8 3 0 0 9 3 0 1 0 3 0 1 1 3 0 1 2 3 0 1 3 3 0 1 4 3 0 1 5 3 0 1 6 3 0 1 7 3 0 1 8 3 0 1 9 3 0 2 0 3 0 2 1 3 0 2 2 3 0 2 3 3 0 2 4 3 0 2 5 3 0 2 6 3 0 2 7 3 0 …

100%1 / 70
NAME PAGE
電気回路線図
CIRCUIT DIAGRAM
33
TYPE
検査 ノズル先端 スタック
INSPECTION NOZZLE TOP
DRAWING No.
K2
2RGKBM005809
FUJI SECRET
920
UART7
ロードセルコントローラ
Loadcell Controller
ロードセル
Loadcell
K2LS1
K2PCB1
_
_
()
()
()
(U)
AWG22
NAME PAGE
電気回路線図
CIRCUIT DIAGRAM
33
TYPE
検査 ノズル先端 画像
INSPECTION NOZZLE TOP VISION
DRAWING No.
K2
2RGKBM005809
FUJI SECRET
N.C.
LED-OE1
LED-OE2
LED-OE3
SP.
POWER
POWER(GND)
p
N.C.
N.C.
TO (M1PCB2)
/
36P
16P
NAME PAGE
電気回路線図
CIRCUIT DIAGRAM
33
TYPE
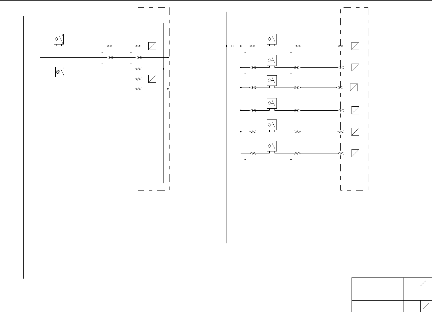
洗浄部 入力回路
CLEANING INPUT
DRAWING No.
C1
2RGKBM005809
FUJI SECRET
X011
X012
(C1LS3P)
SQ3P/C1
X013
(C1LS4P)
SQ4P/C1
X014
(C1LS5P)
SQ5P/C1
X015
(C1LS6P)
SQ6P/C1
X016
(C1LS1W)
SQ1W/C1
RX00E
(C1LS1P)
SQ1P/C1
(C1LS2P)
SQ2P/C1
(C1LS1X)
SQ1X/C1
RX00D
CN-X_d-2
2
CN-X_d-2
1
CN-X_d-3
3
CN-X_d-3
2
CN-X_d-3
1
C1CN2
2
C1CN2
1
C1CN1
1
C1CN1
3
C1CN1
5
C1CN1
7
C1CN1
9
C1CN1
11
C1CN1
2
C1CN1
4
C1CN1
6
C1CN1
8
C1CN1
10
C1CN1
12
DIO2
洗浄用パレット下降端
CLEANING DRAWER LOWER LIMIT
DIO2
CLEANING DRAWER UPPER LIMIT
DIO2
10
CLEANING DRAWER RETRACT LIMIT
DIO2
12
CLEANING DRAWER ADVANCE LIMIT
DIO2
洗浄部シャッター下降端
14
CLEANING SHUTTER LOWER LIMIT
洗浄部シャッタ上昇端
DIO2
CLEANING SHUTTER UPPER LIMIT
16
洗浄部内パレット有確認
DRAWER IN CLEANING PRESENCE CHECK
洗浄用パレット上昇端
洗浄用パレット後退端
洗浄用パレット前進端
CLEANING WATER RUNNING CHECK
洗浄水流水確認