2RGKBM006507.pdf - 第60页
1 0 1 1 0 2 1 0 3 1 0 4 1 0 5 1 0 6 1 0 7 1 0 8 1 0 9 1 1 0 1 1 1 1 1 2 1 1 1 2 4 1 2 5 1 2 6 1 2 7 1 2 8 1 2 9 1 3 0 1 3 1 1 3 2 1 3 3 1 3 4 1 3 5 1 3 6 1 3 7 NAME PAGE 4 1 T I T L E TYPE SNC-01 DRAWING No. 1 1 3 1 1 4 …

NAME TYPE
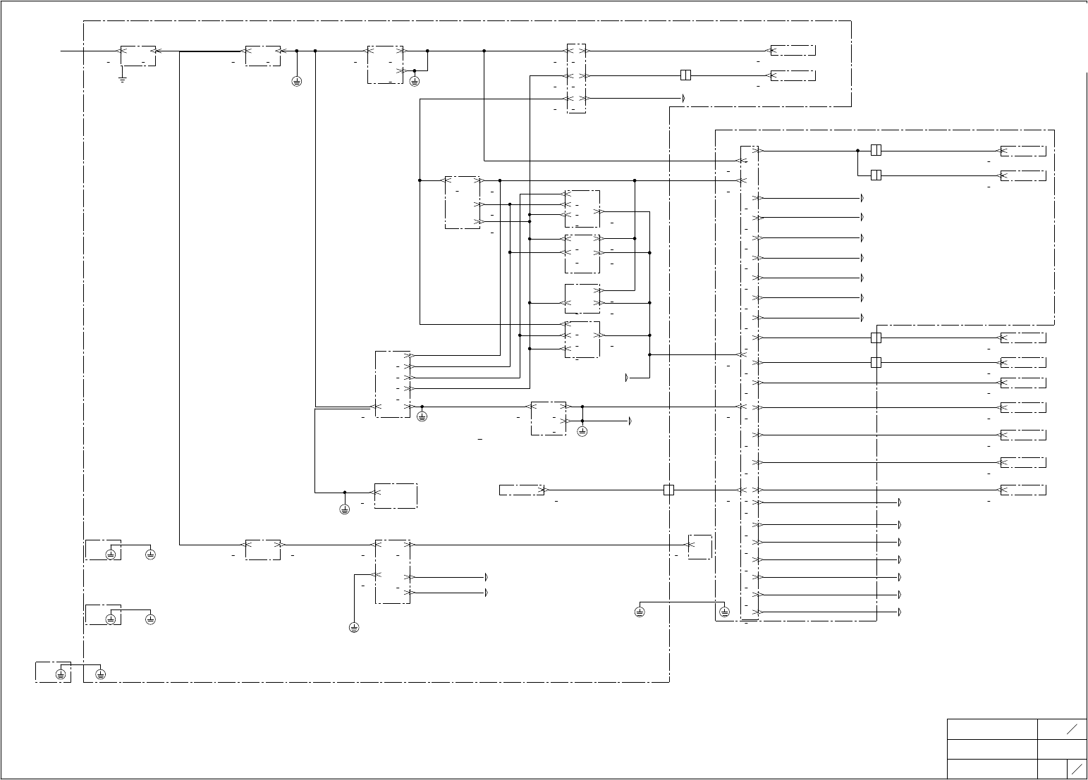
ブロック図
BLOCK DIAGRAM
SNC-01
TITLE
スマートノズルクリンンシステム構成
SYSTEMDIAGAM
DRAWING No.
4
4
FUJI SECRET
2RGKBM006203
SB
M1LS1X
SQ
M1CR5X
SB
M1LS1X
SQ
M1CR5X
M1CR11X M1CS13X1 M1CR11X M1CS13X1 M1CR4X
SAFETY RELAY MODULE SAFETY RELAY MODULE SAFETY RELAY MODULE
M1SR1 M1SR1 M1SR1
M1PB1E M1CS13X1 M1CS13X1 M1CS13X1
(Ch1) (Ch1) (Ch1)
M1CR11X M1CR11X M1CR11X
M1PB1E
(Ch2) (Ch2) (Ch2)
(Monitor) (Monitor) (Monitor)

1 01
1 02
1 03
1 04
1 05
1 06
1 07
1 08
1 09
1 10
1 11
1 12
1
1
1
24
1
25
1
26
1
27
1
28
1
29
1
30
1
31
1
32
1
33
1
34
1
35
1
36
1
37
NAME PAGE
4
1
TITLE TYPE
SNC-01
DRAWING No.
1
13
1
14
1
15
1
16
1
17
1
18
1
19
1
20
1
21
1
22
1
38
1
39
1
40
1
41
1
42
1
43
1
44
1
45
接続図
CONNECTION DIAGRAM
INTEGRATED CONNECTION DIAGRAM
総合接続図
2RGKBM006603
23 46
FUJI CONFIDENTIAL
2AGKBA0092**
2EGKBA0409**
2AGKBA0021**
2EGKBA0390**
2EGKBA0410**
2EGKBA0345**
2EGKBA0249**
2AGKBA0018**
2EGKBA0277**
2AGKBA0069**
2EGKBA0313**
2AGKBA0023**
2AGKBA0024**
2AGKBA0093**
2AGKBA0094**
2AGKBA0022**
2AGKBA0017**
2EGKBA0331**
2EGKBA0097**
2EGKBA0386**
2EGKBA0412**
2EGKBA0100**
2EGKBA0172**
2EGKBA0173**
2EGKBA0275**
2EGKBA0318**
2EGKBA0319**
2EGKBA0261**
2EGKBA0282**
2EGKBA0321**
2EGKBA0418**
2EGKBA0102**
2EGKBA0443**
2AGKBA0116** 2EGKBA0469**
M1NFB1
IN
M1NFB1
OUT
M1FAN3
M1FAN1
M1REC1_CN1 M1REC1_CN2M1CP1
IN
M1CP1
OUT
M1REC1_CN3
TB2 TB2
TB2
M1CS13X1 M1CS13X1
M1REC2
M1REC3
CN2
M1REC3
CN3
M1REC3
CN1
TB2
ADDRESS
202
2EGKBA0390**
M1CS13X1
TB1
TB1
TB1
TB1
TB1
TB1
TB1
TB1
TB1
M1FAN4
M1FAN5
M1FAN2
T1LS9P
STLS3P
M1LS1X
M1LS2X
ADDRESS
203 332
407
2EGKBA0313**
TB1
TB2
K1LS1
K1LS2
TB1
TB1
TB1
TB1
TB1
TB1
TB1
TB1
TB1
TB1
TB1
ADDRESS
313
2EGKBA0100**
ADDRESS
423
2EGKBA0172**
ADDRESS
423
2EGKBA0173**
ADDRESS
310
2EGKBA0275**
ADDRESS
446
2EGKBA0318**
ADDRESS
446
2EGKBA0319**
ADDRESS
319
2EGKBA0331**
ADDRESS
305
2EGKBA0097**
ADDRESS
412
2EGKBA0386**
ADDRESS
425
2EGKBA0412**
TB1
TB1
ADDRESS
333
2EGKBA0282**_TB1
ADDRESS
333
2EGKBA0321**_TB1
TB1
ADDRESS
310
2EGKBA0418**
M1CR5X
M1CR5X
M1CR6X
M1CR6X
M1CR11XM1CR11X
M1CR4X
M1CR4X
M1SR1
TB1
M1CR4X
M1CR5X
M1CS13X1
M1CR11X
M1SR1
M1CR5X
M1CR6X
M1CS13X1
TB2
M1CS13X1
M1CR4X
M1SR1
M1CR11X
M1SR1
ADDRESS
315
2EGKBA0102**
TB1
ADDRESS
430
2EGKBA0443**
M1M1
M1IV1_FW
M1IV1_OUTM1IV1_INM1CP2
IN
M1CP2
OUT
M1IV1_ALM
ADDRESS
307
2EGKBA0467**
ADDRESS
430
2EGKBA0466**
M1FAN6 TB1
M1IV1_G
ブレーカ_(M1NFB1)
下制御部
左側面冷却ファン_(M1FAN3)
下制御部
右側面冷却ファン_(M1FAN1)
DC電源1_(M1REC1)
DC電源3_(M1REC3)
ブレーカ_(M1CP1)
端子台(TB2)
セーフティリレーOK
(M1CS13X1)
CPUBOX電源_(M1REC2)
電源取付BKT
下部制御BKT扉側
端子台(TB1)
上制御部
後部冷却ファン_(M1FAN4)
上制御部
上部冷却ファン_(M1FAN5)
洗浄部冷却ファン_(M1FAN2)
ピッカーZ軸原位置_(T1LS9P)
エレベータ軸原位置_(STLS3P)
扉閉め確認_(M1LS1X)
扉ロック_(M1SOL10)
エアー圧正常_(M1LS2X)
流量センサ(小径)_(K1LS1)
流量センサ(大径)_(K1LS2)
マスターON_(M1CR5X)
扉部ロック_(M1CR6X)
セーフティリレーOK_(M1CR11X)
運転準備OK_(M1CR4X)
セーフティユニット_(M1SR1)
アースストラップ
M1CN1
洗浄機_(M1M1)
インバータ_(M1IV1)ブレーカ_(M1CP2)
インバータ冷却ファン_(M1FAN6)
AC POWER
Φ3 200V
2EGKBA0093** 2EGKBA0414** 2EGKBA0388**
2EGKBA0095**
M1FAN3_CN1
2EGKBA0389**
2EGKBA0032**
2EGKBA0110**
2EGKBA0411**
2EGKBA0381**
下部制御BKT
M1FAN4_CN1
M1FAN5_CN1
M1FAN2_CN1
T1LS9P_CN1
上部制御BKT
2EGKBA0377**
2EGKBA0419**
2EGKBA0420**
2EGKBA0421**
2EGKBA0422**
2EGKBA0116**
2EGKBA0462** 2EGKBA0463** 2EGKBA0465**
2EGKBA0466**
2EGKBA0467**
M1FAN6_CN1
2EGKBA0464**

2 01
2 02
2 03
2 04
2 05
2 06
2 07
2 08
2 09
2 10
2 11
2 12
2
2
2
24
2
25
2
26
2
27
2
28
2
29
2
30
2
31
2
32
2
33
2
34
2
35
2
36
2
37
NAME PAGE
4
2
TITLE TYPE
SNC-01
DRAWING No.
2
13
2
14
2
15
2
16
2
17
2
18
2
19
2
20
2
21
2
22
2
38
2
39
2
40
2
41
2
42
2
43
2
44
2
45
接続図
CONNECTION DIAGRAM
INTEGRATED CONNECTION DIAGRAM
総合接続図
2RGKBM006603
23 46
FUJI CONFIDENTIAL
2EGKBA0390**
2EGKBA0313**
T1M1
T1M1PGM1PCB3
CN4
T1M2
T1M2PG
M1PCB3
CN12
M1PCB3
CN5
T1M3
T1M3PG
M1PCB3
CN13
M1PCB3
CN6
T1BK1
T1M4
T1M4PG
M1PCB3
CN14
M1PCB3
CN7
M1PCB4
CN11
T1M1
M1PCB4
CN4
T1M1PG
M1PCB4
CN12
M1PCB4
CN5
M1PCB4
CN6
T1M3
M1PCB4
CN13
T1M3PG
M1PCB4
CN7
M1PCB4
CN14
M1PCB3
CN11
M1PCB3
CN10
M1PCB4
CN10
M1PCB3
CN1
M1PCB3
CN2
M1PCB3
CN3
M1PCB4
CN1
M1PCB4
CN2
M1PCB4
CN3
M1COV1
COM1
M1COV1
COM2
ADDRESS
307
2EGKBA0104**
ADDRESS
137
2EGKBA0390**
ADDRESS
140
2EGKBA0313**
ステップモータ
制御基板1_(M1PCB3) ピッカー X軸_(T1M1)
ピッカー Y軸_(T1M2)
ピッカー Z軸_(T1M3)
ピッカー Z軸ブレーキ_(T1BK1)
ピッカー θ軸_(T1M4)
ステップモータ
制御基板2_(M1PCB4) 洗浄_(C1M1)
エレベータ_(STM1)
通信変換器_(M1COV1)
2EGKBA0334**
2EGKBA0333**
2EGKBA0104**
2EGKBA0336**
2EGKBA0335**
2EGKBA0338**
2EGKBA0337**
2AGKBA0019**
2EGKBA0339**
2EGKBA0340**
2EGKBA0312**
2EGKBA0341**
2EGKBA0342**
2EGKBA0423**
2EGKBA0344**
ID1
ID2
ID3
ID4
ID5
ID6
2EGKBA0346**
T1BK1_CN1
上部制御BKT