NPM_Parts List V2_3_N7203A329B03.pdf - 第434页
68-C 交 換 台車駆 動部 (切替仕様):NPM Feeder Cart D riv e Unit(Changing Specification):NPM パーツレイアウト Ki t N o . キット 品番 Kit N am e キット名称 N6 1009 825 5AA セクションNo. PARTS LAYOUT Section No. - - O327 ( KN610098255AA-03-3 )

Ref
No.
Remarks
R
1
Q'ty
68-B
交
換
台車駆
動部
(切替仕様):NPM
Feeder Cart Drive Unit(Changing Specification):NPM
イラスト
No.
Part No.
品 名品番 数量
R
2
パーツリスト
Kit N
o
.
キット品
番
Kit Name
キット名称
N610098255AA
Part Name
備 考
セクションNo.
PARTS LIST
Section No.
R
3
BLOCK
1
2 N210091233AA
SHAFT
1
3 N210091107AA
LEVER
1
4 N210103096AD
LEVER
1
5 N210103097AB
PLATE
1
6 N210091110AA
SHAFT
1
12 N210091266AB
PLATE
1
18 N210105333AC
GUIDE
1
19 N210103100AB
COVER
1
21 N210103092AB
BRACKET
1
23 KXFB00JJA01
SWITCH(400mm)
1
31 N610076513AA
CAM-FOLLOWER
1
32 N510036568AA CF-SFU-12B
BUSH
1
33 N510037242AA LFF-2010
BUSH
1
34 N510013369AA LFF-2015
WASHER
1
35 N510037241AA LFW-2015
PIN
1
36 N510020590AA MMS3-10
SCREW
1
37 XXE5D10FT
Hexagon socket set screw Cup point M5X10-45H SOB
DOWEL-PIN
1
39 N510038675AA 87MST8-30
SPRING
1
40 N510033553AA 6796
CYLINDER
1
41 N510039319AA CDQ2D63-135DC-XB10
ROD-END
1
42 N510014419AA SAJK10C
BOLT
1
43 N510037244AA 87MSB10-20
SPACER
10
44 N510037246AA ASF-850E
POST
1
45 N510037245AA 87ETKR8-50
SPEED-CONTROLLER
2
48 N510040089AA AS2201F-02-06S-8-X250
WASHER
1
49 N210117347AA
BOLT
2
50 N510017516AA
SSS 003 Hexagon socket button head screw M4X10-10.9 A2J (Trivalent)
BOLT
21
51 N510017569AA
SSS 003 Hexagon socket button head screw M8X10-10.9 A2J (Trivalent)
NUT
1
52 N510017887AA
Hexagon nut Type-1 Best class M10-6H-4T A2J (Trivalent)
WASHER
1
53 N210117346AA
PIN
2
54 KXF0CXHAA00 1017003-40008
SCREW
4
55 N510018280AA
Cross recessed Truss head machine screw M4X6-4.8 A2S (Trivalent)
SPACER
1
56 N510042412AA 3382330-60080
PIN
1
57 N510020607AA MMS5-10
PIN
1
60 N510027277AA MMST8-15
BOLT
2
70 N510017381AA
Hexagon socket head cap screw M4X8-10.9 A2J (Trivalent)
BOLT
1
72 N510017386AA
Hexagon socket head cap screw M5X10-10.9 A2J (Trivalent)
BOLT
2
73 N510017390AA
Hexagon socket head cap screw M5X12-10.9 A2J (Trivalent)
BOLT
2
75 N510017433AA
Hexagon socket head cap screw M6X16-10.9 A2J (Trivalent)
BOLT
4
76 N510017470AA
Hexagon socket head cap screw M8X16-10.9 A2J (Trivalent)
WASHER
2
81 N510020103AA Thick washer M10
WASHER
2
84 N510018479AA
Small round-plain washer 4 10H A2J (Trivalent)
WASHER
4
85 N510018503AA
Round finish plain washer 8 10H A2J (Trivalent)
BOLT
3
86 N510017435AA
Hexagon socket head cap screw M6X20-10.9 A2J (Trivalent)
BOLT
2
90 N510017344AA
Hexagon socket head cap screw M4X10-10.9 A2J (Trivalent)
WASHER
1
92 N510020101AA Thick washer M6
TUBE
1
102 KXF08T4AA00 TFU0604B-2
O326
--
( KN610098255AA-03-2 )

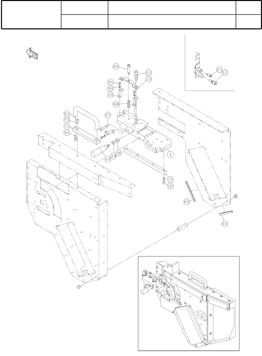
68-C
交
換
台車駆
動部
(切替仕様):NPM
Feeder Cart Drive Unit(Changing Specification):NPM
パーツレイアウト
Ki
t
N
o
.
キット
品番
Kit Name
キット名称
N610098255AA
セクションNo.
PARTS LAYOUT
Section No.
--
O327
( KN610098255AA-03-3 )

Ref
No.
Remarks
R
1
Q'ty
68-C
交
換
台車駆
動部
(切替仕様):NPM
Feeder Cart Drive Unit(Changing Specification):NPM
イラスト
No.
Part No.
品 名品番 数量
R
2
パーツリスト
Kit N
o
.
キット品
番
Kit Name
キット名称
N610098255AA
Part Name
備 考
セクションNo.
PARTS LIST
Section No.
R
3
PLATE
1
1 N210126106AA
PLATE
1
15 N210120647AB
PLATE
1
16 N210126341AA
STOPPER
3
28 N210120641AA
PLATE
1
29 N210100051AA
JOINT
1
61 N510013123AA KK2P-06H
JOINT
1
62 N510006401AA KK3P-06H
HANDLE
1
63 N510045749AA UAF-20X128-BK
GRIP
1
64 N510038725AA 87GTM24-M8
BOLT
1
65 N510032567AA MMSB8-30
SPRING
1
66 N510041160AA WWR10-35
TRIM
3
69 KXF0DUCAA00 CE-032
BOLT
2
73 N510017390AA
Hexagon socket head cap screw M5X12-10.9 A2J (Trivalent)
BOLT
2
83 N510017167AA
Hexagon socket head cap screw M10X30-10.9 A2J (Trivalent)
BOLT
6
95 N510017337AA
Hexagon socket head cap screw M3X6-10.9 A2J (Trivalent)
BOLT
2
96 N510017428AA
Hexagon socket head cap screw M6X12-10.9 A2J (Trivalent)
BOLT
1
97 N510017171AA
Hexagon socket head cap screw M10X45-10.9 A2J (Trivalent)
WASHER
6
98 N510018478AA
Small round-plain washer 3 10H A2J (Trivalent)
WASHER
1
99 N510018482AA
Small round-plain washer 8 10H A2J (Trivalent)
NUT
1
100 N510017879AA
Hexagon nut Type-3 Best class M8-6H-4T A2J (Trivalent)
BOLT
4
101 N510017437AA
Hexagon socket head cap screw M6X25-10.9 A2J (Trivalent)
O328
--
( KN610098255AA-03-3 )