RS-1_RS-1-XL_RS-1R-Rev16.pdfPDFA.pdf - 第234页
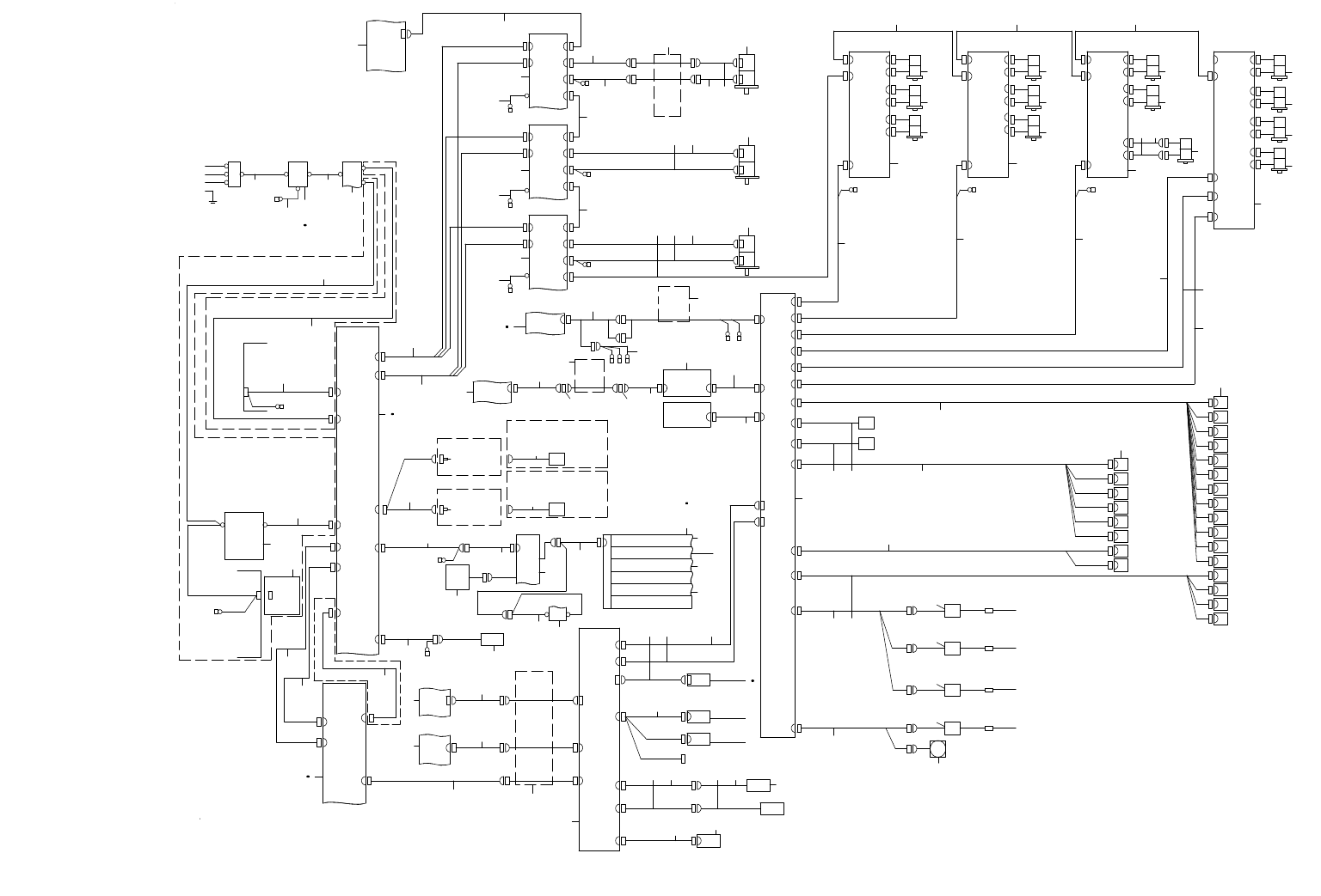
- 227 - 114.SYSTEM D IAGRAM (1) SYSTEM DIAGRA M(1) 㹍㹁㹁 㹁㹌㸮㸴㸮㸵 㹁㹌㸮㸵㸰㸲 㹁㹌㸰㸲 㹄㸿㹌 㹄㸿㹌 㹂㹁ࠉ㹄㸿㹌 㹄㹇㹀㹃㹐 㹒㸲ࠉ㹍㹐㹇㹅㹇 㹌ࠉ㹑㹃㹌㹑㹍㹐 㹒㸲 㹄㹇㹀㹃㹐 㹄㹇㹀㹃㹐 㹄㹇㹀㹃㹐 㹒㸱ࠉ㹍㹐㹇㹅㹇 㹌ࠉ㹑㹃㹌㹑㹍㹐 㹒㸱 㹒㸰ࠉ㹍㹐㹇㹅㹇 㹌ࠉ㹑㹃㹌㹑㹍㹐 㹒㸰 㹒㸯ࠉ㹍㹐㹇㹅㹇㹌ࠉ㹑㹃㹌㹑㹍㹐 㹒㸯 㹁㹌㸮㸵㸮㸵 㹁㹌㸵 㹔㸿㹁㹓㹓㹋ࠉ㹓㹌㹇㹒 㹍…

- 226 -
REF.NO NOTE PART NO D E S C R I P T I O N
品 名
Qty
1 402-11593 LONG_BOARD_BU_SPONGE_ASM
長尺基板BUスポンジ組
1
2 402-11619 SPONGE_BASE
スポンジベース
(1)
3 402-11621 BU_SPONGE_BASE
BUスポンジベース
(1)
4 402-14192 BU_SLIDE_SHAFT
BUスライドシャフト
(2)
5 401-96546 EMI GASKET
EMIガスケット
(1)
6 401-28507 SLIDE_SHEET
スライドシート
(1)
7 401-34189 MAGNET
マグネット
(4)
8 SM-4040601-SC SCREW M4X0.7 L=6
なべ小ねじ M4X0.7 L=6
(4)
9 SB-8080001-00 BEARING
ころがり軸受
(2)
10 SM-6030802-TN SCREW
六角穴ボルト
(4)
11 RC-0740811-KP C-RING 8 (7.4)
C形止め輪 8 (7.4)
(2)
12 SM-1041001-SC SCREW M4X0.7 L=10
皿小ねじ M4X0.7 L=10
(2)
13 400-99436 S_CARTON_L_SIZE
SカートンLサイズ
(1)
14 E6953-861-B00 CONTENT LABEL
コンテントラベル
(1)

- 227 -
114.SYSTEM DIAGRAM (1)
SYSTEM DIAGRAM(1)
㹍㹁㹁
㹁㹌㸮㸴㸮㸵
㹁㹌㸮㸵㸰㸲
㹁㹌㸰㸲
㹄㸿㹌
㹄㸿㹌
㹂㹁ࠉ㹄㸿㹌
㹄㹇㹀㹃㹐
㹒㸲ࠉ㹍㹐㹇㹅㹇㹌ࠉ㹑㹃㹌㹑㹍㹐
㹒㸲
㹄㹇㹀㹃㹐
㹄㹇㹀㹃㹐
㹄㹇㹀㹃㹐
㹒㸱ࠉ㹍㹐㹇㹅㹇㹌ࠉ㹑㹃㹌㹑㹍㹐
㹒㸱
㹒㸰ࠉ㹍㹐㹇㹅㹇㹌ࠉ㹑㹃㹌㹑㹍㹐
㹒㸰
㹒㸯ࠉ㹍㹐㹇㹅㹇㹌ࠉ㹑㹃㹌㹑㹍㹐
㹒㸯
㹁㹌㸮㸵㸮㸵
㹁㹌㸵
㹔㸿㹁㹓㹓㹋ࠉ㹓㹌㹇㹒
㹍㹁㹁
㹁㹌㸮㸴㸱㸰
㹍㹁㹁㸫㹍㸯
㹍㹁㹁㸫㸿㸯
㹍㹁㹁㸫㹁㸯
㹁㹌㸮㸴㸯㸳
㹁㹌㸮㸴㸮㸱
㹁㹌㸮㸴㸮㸴
㹁㹌㸮㸴㸮㸵㸫㸯
㹒㹆㹃㹐㹋㸿㹊
㹑㹃㹌㹑㹍㹐ࠉ㹎㹁㹀
㹌㹘㹊ࠉ㹓㹎ࠉ㹑㸬㹔㸬
㹆㹇㹅㹆㹒
㹋㹃㸿㹑㹓㹐㹃㹋㹃㹌㹒
㹑㹃㹌㹑㹍㹐
㹁㹌㸮㸴㸱㸮㹁㹌㸮㸴㸮㸶
㹁㹌㸮㸴㸯㸰
㹍㹁㹁ࠉ㸿ࠉ㹎㹁㹀
㹍㹁㹁
㹊㹃㹌㹑
㹍㹁㹁ࠉ㹁ࠉ㹎㹁㹀
㹁㹌㸮㸴㸯㸯㸿
㹁㹌㸴
㹁㹌㸵
㹁㹌㸶
㹁㹌㸯㸰
㹒㸿ࠉ㹁㹌㸳
㹁㹌㸳
㹒㸿ࠉ㹁㹌㸴
㹁㹌㸴
㹒㸿ࠉ㹁㹌㹎㸯
㹁㹌㸰㹂
㹁㹌㹎㸰㹂
㹁㹌㸰㹁
㹁㹌㹎㸰㹁
㹁㹌㸰㹀
㹁㹌㹎㸰㹀
㹁㹌㸯㹀
㹁㹌㸰㸿
㹁㹌㹎㸰㸿
㹁㹌㹎㸯
㹁㹌㸯㸿
㹒㸲ࠉ㹋㹍㹒㹍㹐
㹒㸱ࠉ㹋㹍㹒㹍㹐
㹒㸰ࠉ㹋㹍㹒㹍㹐
㹒㸯ࠉ㹋㹍㹒㹍㹐
㹒㸿ࠉ㹂㹐㹇㹔㹃㹐
㹁㹎㹁㹇㸫㹁㹌㸯
㹘㹁㹁㹌㹎㸯㹘㹀㹁㹌㹎㸯㹘㸿㹁㹌㹎㸯
㹁㹌㸯㸿
㹁㹍㹌㹒㹐㹍㹊ࠉ㹓㹌㹇㹒
㹄㹅㸦㹆㹃㸿㹂ࠉ㹓㹌㹇㹒㸧㹄㹅㸦㹆㹃㸿㹂ࠉ㹓㹌㹇㹒㸧
㹄㹅㸦㹆㹃㸿㹂ࠉ㹓㹌㹇㹒㸧
㹁㹌㸰㹁
㹁㹌㹎㸰㹁
㹁㹌㸰㹀
㹁㹌㹎㸰㹀
㹁㹌㸯㹀
㹁㹌㸰㸿
㹁㹌㹎㸰㸿
㹁㹌㹎㸯
㹁㹌㸯㸿
㹁㹌㸰㹁
㹁㹌㹎㸰㹁
㹁㹌㸰㹀
㹁㹌㹎㸰㹀
㹁㹌㸯㹀
㹁㹌㸰㸿
㹁㹌㹎㸰㸿
㹁㹌㹎㸯
㹁㹌㸯㸿
㹘㸵㸪㹘㸶㸪㹘㸿ࠉ㹂㹐㹇㹔㹃㹐㹘㸲㸪㹘㸳㸪㹘㸴ࠉ㹂㹐㹇㹔㹃㹐
㹘㸱ࠉ㹋㹍㹒㹍㹐
㹘㸰ࠉ㹋㹍㹒㹍㹐
㹘㸯ࠉ㹋㹍㹒㹍㹐
㹁㹌㸰㹁
㹁㹌㹎㸰㹁
㹁㹌㸰㹀
㹁㹌㹎㸰㹀
㹁㹌㸯㹀
㹁㹌㸰㸿
㹁㹌㹎㸰㸿
㹘㸯㸪㹘㸰㸪㹘㸱ࠉ㹂㹐㹇㹔㹃㹐
㹁㹌㹎㸯
㹁㹌㸯㸿
㸴㹑㹊㹍㹒ࠉ㹁㹎㹁㹇ࠉ㹀㸿㹁㹉ࠉ㹀㹍㸿㹐㹂
㸯㸫㸰㹁
㸯㸫㸰㹂
㸯㸫㸯㸿
㸯㸫㸰㹀
㹀㹊㸿㹌㹉
㹇㹍ࠉ㹁㹍㹌㹒㹐㹍㹊
㹇㹎㸫㹖㸯㸯
㹀㹊㸿㹌㹉
㹎㹍㹑㹇㹒㹇㹍㹌ࠉ㹀㹍㸿㹐㹂
㹁㹎㹓ࠉ㹀㹍㸿㹐㹂
㸯
㸰
㸱
㸳
㸴
㸵
㸶
㸷
㸯㸮
㸯㸯
㸯㸴
㸯㸯
㸰㸮
㸯㸰 㸯㸰
㸯㸱
㸯㸲
㸯㸳 㸯㸳
㸯㸵
㸯㸶
㸯㸷
㸰㸯 㸰㸰
㸰㸴
㸰㸱
㸰㸲
㸰㸳
㸰㸵
㸱㸲
㸰㸷
㸱㸮
㸱㸯
㸱㸱
㸱㸳
㸱㸴
㸱㸵
㸲㸯
㸲㸰
㸲㸱
㸲㸲
㸳㸮
㸲㸶 㸲㸷
㸵㸯 㸵㸰
㸰㸱
㸲㸵
㸴㸶
㸴㸷
㸱㸱
㸲㸴
㸳㸷
㸳㸯
㸳㸱
㸳㸳
㸳㸴
㸳㸵
㸳㸶
㸴㸰
㸴㸵
㸳㸯
㸲㸷
㸯㸲㸶
㸵㸳
㸵㸲
㸵㸴
㸵㸵
㸵㸶 㸵㸷 㸶㸮 㸶㸯
㸶㸰
㸶㸲
㸶㸴
㸶㸱
㸶㸳
㸶㸶
㸶㸵
㸵㸱
㸯㸰
㸯㸰
㸯㸰
㸷㸯
㸷㸮 㸷㸮 㸷㸮
㹘㸴ࠉ㹋㹍㹒㹍㹐
㹘㸳ࠉ㹋㹍㹒㹍㹐
㹘㸲ࠉ㹋㹍㹒㹍㹐
㸷㸮㸷㸮㸷㸮
㸷㸯
㸷㸯
㹘㸶ࠉ㹋㹍㹒㹍㹐
㹘㸵ࠉ㹋㹍㹒㹍㹐
㸷㸮 㸷㸮
㹘㸿ࠉ㹋㹍㹒㹍㹐
㸷㸲
㸷㸰
㸷㸱
㸷㸴㸷㸴㸷㸴㸷㸴
㸷㸳
㸷㸵
㸷㸶
㸷㸷
㸯㸮㸮
㸯㸮㸯 㸯㸮㸰
㸯㸮㸱
㸯㸮㸲
㸯㸮㸳
㸯㸮㸴
㸴㸱
㸴㸲
㸳㸲
㸵㸮
㸴㸳 㸴㸳 㸴㸳 㸴㸳
㸴㸴 㸴㸴 㸴㸴 㸴㸴
㸶㸷
㹘㸯ࠉ㹑㹃㹌㹑㹍㹐
㹘㸰ࠉ㹑㹃㹌㹑㹍㹐
㹘㸱ࠉ㹑㹃㹌㹑㹍㹐
㹘㸲ࠉ㹑㹃㹌㹑㹍㹐
㹘㸳ࠉ㹑㹃㹌㹑㹍㹐
㹘㸴ࠉ㹑㹃㹌㹑㹍㹐
㹘㸵ࠉ㹑㹃㹌㹑㹍㹐
㹘㸶ࠉ㹑㹃㹌㹑㹍㹐
㸯㸮㸵
㸯㸮㸵
㸴㸯
㸴㸮
㸦㹍㹎㸧ࠉ㹃㹌
㹁㹍㹌㹌㹃㹁㹒㹍㹐ࠉ
㹁㸿㹎
㹀㹓㹎
㸦㹍㹎㸧ࠉ㹃㹌ࠉ㹍㹎㹒㹇㹍㹌ࠉ㹒㹍㹐㹍㹊㹊㹃㹗
㹀㹓㹎
㹄㹐㹍㹌㹒ࠉ㹊㹃㹄㹒
㹀㸿㹌㹉ࠉ㹑㹕
㸦㹍㹎㸧ࠉ㹃㹌ࠉ㹑㹒㸿㹌㹂㸿㹐㹂
㹄㹇㹖ࠉ㹀㸿㹌㹉
㹁㹌ࠉ㸿㸯㸮㸦㹃㹌㸧
㹄㹀㹓㹎
㸦㹍㹎㸧ࠉ㹃㹌ࠉ㹍㹎㹒㹇㹍㹌ࠉ㹒㹍㹐㹍㹊㹊㹃㹗
㹀㹓㹎
㹐㹃㸿㹐ࠉ㹐㹇㹅㹆㹒
㹀㸿㹌㹉ࠉ㹑㹕
㹐㹀㹓㹎
㹁㹌ࠉ㸿㸯㸮㸦㹃㹌㸧
㸰㸫㸯㹁
㹃㹌ࠉ㹍㹎㹒㹇㹍㹌
㹁㹌ࠉ㸿㸲㸦㹃㹌㸧
㹁㹌ࠉ㸿㸲
㹁㹌ࠉ㸮㸮㸮㸯
㹁㹌ࠉ㸯
㹁㹌ࠉ㸿㸯
㸦㹑㹒㸧ࠉ㸰㸮㸮㹔
㸦㹍㹎㸧ࠉ㹒㹐㸿㹌㹁㹃ࠉ㹄㹍㹐㹋㸿㹐
ࠉࠉࠉࠉࠉ㸰㸯㸳㹔㸪㸰㸲㸮㹔㸪㸱㸶㸮㹔㸪㸲㸮㸮㹔㸪㸲㸯㸳㹔
㹖㸫㹋㹒㹐㸯
㹖㸫㹃㹌㹁㸲
㹄㹖
㸿㹁ࠉ㸰㸮㸮㸭㸰㸯㸳㸭㸰㸲㸮㹔ࠉ㹇㹌㹎㹓㹒ࠉ㸸ࠉ㸲㸮㸯㸶㸰㸱㸶㸮ࠉ㸦㸱㸮㸿㸧
㸿㹁ࠉ㸱㸶㸮㸭㸲㸮㸮㸭㸲㸯㸳㹔ࠉ㹇㹌㹎㹓㹒ࠉ㸸ࠉ㸲㸮㸯㸶㸱㸱㸶㸱ࠉ㸦㸰㸮㸿㸧
㸦㹍㹎㸧ࠉ㹑㹆㹍㹐㹒ࠉ㹁㹇㹐㹁㹓㹇㹒ࠉ㹀㹐㹃㸿㹉㹃㹐ࠉ㸿㹁ࠉ㸰㸮㸮㸭㸰㸯㸳㸭㸰㸲㸮㹔ࠉ㹇㹌㹎㹓㹒ࠉ㸸ࠉ㹆㸿㸮㸮㸵㸮㸱㸮㸮㸮㸮ࠉ㸦㸱㸮㸿㸧
㸦㹍㹎㸧ࠉ㹑㹆㹍㹐㹒ࠉ㹁㹇㹐㹁㹓㹇㹒ࠉ㹀㹐㹃㸿㹉㹃㹐ࠉ㸿㹁ࠉ㸱㸶㸮㸭㸲㸮㸮㸭㸲㸯㸳㹔ࠉ㹇㹌㹎㹓㹒ࠉ㸸ࠉ㹆㸿㸮㸮㸴㸳㸲㸮㸮㸮㸿ࠉ㸦㸰㸮㸿㸧
㹌㹍㹒㹃㸯
ࠉ㹒㹦㹧㹱ࠉ㹋㹁㹁㹀̓㹑ࠉ㹎㸭㹌ࠉ㹡㹦㹟㹬㹥㹣㹱ࠉ㹵㹧㹲㹦ࠉ㹱㹮㹣㹡㹧㹤㹧㹡㹟㹲㹧㹭㹬
㸯㸫㸱㹁
㸰㸫㸯㹁
㸯㸫㸱㹁
㹄㹅
㹁㹌㸮㸵㸯㸳
㹁㹌㸯㸳
㹁㹌㸮㸵㸯㸴
㹁㹌㸯㸴
㹘㸶ࠉ㹔㸿㹁㹓㹓㹋ࠉ㹑㹃㹌㹑㹍㹐
㹘㸵ࠉ㹔㸿㹁㹓㹓㹋ࠉ㹑㹃㹌㹑㹍㹐
㹘㸴ࠉ㹔㸿㹁㹓㹓㹋ࠉ㹑㹃㹌㹑㹍㹐
㹘㸳ࠉ㹔㸿㹁㹓㹓㹋ࠉ㹑㹃㹌㹑㹍㹐
㹘㸲ࠉ㹔㸿㹁㹓㹓㹋ࠉ㹑㹃㹌㹑㹍㹐
㹘㸱ࠉ㹔㸿㹁㹓㹓㹋ࠉ㹑㹃㹌㹑㹍㹐
㹘㸰ࠉ㹔㸿㹁㹓㹓㹋ࠉ㹑㹃㹌㹑㹍㹐
㹘㸯ࠉ㹔㸿㹁㹓㹓㹋ࠉ㹑㹃㹌㹑㹍㹐
㹁㹌㸮㸵㸯㸯
㹁㹌㸯㸯
㹘㸶㹔
㹘㸵㹔
㹘㸵㹀
㹘㸶㹀
㹘㸶ࠉ㹔㸿㹁㹓㹓㹋ࠉ㹑㸬㹔㸬
㹘㸵ࠉ㹔㸿㹁㹓㹓㹋ࠉ㹑㸬㹔㸬
㹘㸶ࠉ㹀㹊㹍㹕ࠉ㹑㸬㹔㸬
㹘㸵ࠉ㹀㹊㹍㹕ࠉ㹑㸬㹔㸬
㹌㹍㹘㹘㹊㹃ࠉ㹓㹎
㹑㹃㹌㹑㹍㹐
㹁㹌㸮㸵㸮㸷
㹌㹍㹘㹘㹊㹃ࠉ㹓㹎
㹑㹃㹌㹑㹍㹐
㹁㹌㸷
㹁㹌㸮㸵㸮㸶
㹁㹌㸶
㹔㸿㹁㹓㹓㹋ࠉ㹓㹌㹇㹒
㹘㸴㹔
㹘㸳㹔
㹘㸲㹔
㹘㸱㹔
㹘㸰㹔
㹘㸯㹔
㹘㸴㹀
㹘㸳㹀
㹘㸲㹀
㹘㸱㹀
㹘㸯㹀
㹘㸰㹀
㹘㸴ࠉ㹔㸿㹁㹓㹓㹋ࠉ㹑㸬㹔㸬
㹘㸳ࠉ㹔㸿㹁㹓㹓㹋ࠉ㹑㸬㹔㸬
㹘㸲ࠉ㹔㸿㹁㹓㹓㹋ࠉ㹑㸬㹔㸬
㹘㸱ࠉ㹔㸿㹁㹓㹓㹋ࠉ㹑㸬㹔㸬
㹘㸰ࠉ㹔㸿㹁㹓㹓㹋ࠉ㹑㸬㹔㸬
㹘㸯ࠉ㹔㸿㹁㹓㹓㹋ࠉ㹑㸬㹔㸬
㹘㸴ࠉ㹀㹊㹍㹕ࠉ㹑㸬㹔㸬
㹘㸳ࠉ㹀㹊㹍㹕ࠉ㹑㸬㹔㸬
㹘㸲ࠉ㹀㹊㹍㹕ࠉ㹑㸬㹔㸬
㹘㸱ࠉ㹀㹊㹍㹕ࠉ㹑㸬㹔㸬
㹘㸰ࠉ㹀㹊㹍㹕ࠉ㹑㸬㹔㸬
㹁㹌㸮㸵㸯㸮
㹘㸯ࠉ㹀㹊㹍㹕ࠉ㹑㸬㹔㸬
㹁㹌㸯㸮
㹖㹗ࠉ㹀㹃㸿㹐
㹁㸿㹀㹊㹃㹑
㸿㹑㹋
㹁㹌㸳
㸰㸫㸯㹂
㸰㸫㸯㸿
㸯㸫㸱㹁
㹁㹌㸮㸱㸮㸰
㹁㹌㸮㸲㸮㸳
㹁㹌㸮㸲㸯㸮
㹁㹌㸮㸱㸮㸷
㹁㹌㸮㸮㸴㸮
㹁㹌㸮㸮㸮㸳
㹁㹌㸰
㹇㹍ࠉ㹁㹍㹌㹒㹐㹍㹊ࠉ㹎㹁㹀
㹁㹌㸮㸵㸯㸵
㹁㹌㸮㸵㸮㸯
㹁㹌㸯
㹁㹌㸲
㹁㹌㸳
㹇㹎㸫㹖㸯㸯ࠉ㹎㹁㹀
㹁㹌㸱
㹁㹌㸳
㹁㹌㸯㸮
㹁㹌㸯㸯
㹁㹌㸯㸵
㹆㹃㸿㹂ࠉ㹋㸿㹇㹌ࠉ㹎㹁㹀
㹁㹌㸯
㹁㹌㸮㸵㸮㸲
㹊㹌㹁㸫㸱
㹁㹌㸲
㹊㹌㹁ࠉ㹊㸿㹌
㹁㹌㸮㸵㸯㸲
㹊㹌㹁㸫㸰
㹁㹌㸯㸲
㹇㹊㹊㹓㹋㹇㹌㸿㹒㹇㹍㹌
㹓㹌㹇㹒
㹊㹌㹁㸯㸰㸮㸫㸶
㹐㹈㸲㸳ࠉ㹐㹃㹊㸿㹗
㹁㹍㹌㹌㹃㹁㹒㹍㹐
㹊㹌㹁㸫㸯
㸳㸫㸯㸿
㸯㸫㸱㹁
㹊㸿㹌㸱
㹁㹎㹓ࠉ㹀㹍㸿㹐㹂
㹊㸿㹌㸱
㹊㹌㹁
㹁㹌㸮㸵㸯㸱
㹁㹌㸯㸱
㹁㹌㸯㸷
㹖㹗ࠉ㹀㹃㸿㹐
㹁㸿㹀㹊㹃㹑
㸿㹑㹋
㹁㹌㸮㸵㸮㸱
㹁㹌㸱
㹁㹌㸮㸵㸰㸱
㹁㹌㸰㸱
㹗㹐㸫㹁㹌㸰
㹗㹊㸫㹁㹌㸰
㹗ࠉ㹑㹃㹐㹔㹍ࠉ㹋㹍㹒㹍㹐㸦㹗㹐㸧
㹗㹐ࠉ㹋㹒㹐
㹗㹐ࠉ㹁㹌㹃㹌㹁
㹗ࠉ㹑㹃㹐㹔㹍ࠉ㹋㹍㹒㹍㹐ࠉ㸦㹗㹊㸧
㹁㹌ࠉ㸿㸴
㹁㹌ࠉ㸿㸴
㹁㹌ࠉ㹀㸰
㹁㹌ࠉ㹀㸰
㹁㹌ࠉ㸿㸰
㹁㹌ࠉ㸿㸰
㹁㹌ࠉ㸿㸶
㹁㹌ࠉ㸿㸶
㹎㹑㸫㹍㹌
㹁㹌ࠉ㸿㸱
㹁㹌ࠉ㸿㸱
㹁㹌ࠉ㸿㸷
㹁㹌ࠉ㸿㸷
㹃
㹄㹅
㹁㹍㹔㹃㹐
㹋㹒㹑ࠉ㹎㹕㹐
㹁㹌ࠉ㸿㸯
㹀㸿㹒㹒㹃㹐㹗ࠉ㹓㹌㹇㹒
㹄㹅
㹄㹅
㸦㹆㹃㸿㹂ࠉ㹓㹌㹇㹒㸧
㹄㹖㸯㸫㹁㹌㸰
㹗㹊㸫㹁㹌㹎㸱
㹗㹐㸫㹁㹌㹎㸱
㹁㹌㸮㸵㸰㸮
㹁㹌㸮㸵㸰㸰
㹁㹌㸮㸵㸰㸯
㹁㹌㸮㸵㸯㸷
㹄㹗㹐㸫㹄㹅
㹄㹗㹊㸫㹄㹅
㹄㹖㸫㹄㹅
㹃
㸰㸫㸯㸿
㸯㸫㸯㹂
㸰㸫㸯㹁
㸰㸫㸯㹀
㸰㸫㸯㹀
㹁㹌㸮㸮㸲㸱
㹄㹅
㹁㹌㸮㸮㸵㸲
㹁㹌㸮㸮㸵㸯
㹄㹅
㹎㹍㹕㹃㹐ࠉ㹑㹓㹎㹎㹊㹗ࠉ
㹓㹌㹇㹒ࠉ㹀
㹁㹌㸲㸱
㹄㹅
㹁㹍㹔㹃㹐
㹋㹒㹑ࠉ㹎㹕㹐
㹁㹆㸯
㹎㹍㹑㹇㹒㹇㹍㹌ࠉ㹀㹍㸿㹐㹂
㹄㹅㹄㹅
㹄㹅
㹁㹌㸮㸮㸵㸮
㹁㹌㸰㸰
㹁㹌㸰㸯
㹁㹌㸰㸮
㹆㹃㸿㹂ࠉ㹐㹃㹊㸿㹗ࠉ㹎㹁㹀
㹗㹊ࠉ㹋㹒㹐
㹗㹊ࠉ㹁㹌㹃㹌㹁
㹖㸫㹋㹒㹐㸰
㹖㸯㸫㹋㹒㹐㸯
㹖ࠉ㹑㹃㹐㹔㹍ࠉ㹋㹍㹒㹍㹐
㹖㸫㹃㹌㹁㸳
㹗ࠉ㹀㹃㸿㹐
㹁㸿㹀㹊㹃㹑
㸿㹑㹋
㹖㸯㸫㹃㹌㹁㸲
㹁㹌㹎㸱
㹁㹌㸰
㹁㹌㸯㹀
㹁㹌㸯㸿
㹃
㹁㹌㹎㸰
㹁㹌㹎㸯
㹄㹅
㹁㹌㹎㸱
㹁㹌㸰
㹁㹌㸯㹀
㹁㹌㸯㸿
㹃
㹁㹌㹎㸰
㹁㹌㹎㸯
㹄㹅
㹁㹌㹎㸱
㹁㹌㸰
㹁㹌㸯㹀
㹁㹌㸯㸿
㹃
㹁㹌㹎㸰
㹁㹌㹎㸯
㹄㹅
㹗㹐ࠉ㹑㹃㹐㹔㹍ࠉ㹂㹐㹇㹔㹃㹐
㹗㹊ࠉ㹑㹃㹐㹔㹍ࠉ㹂㹐㹇㹔㹃㹐
㹖ࠉ㹑㹃㹐㹔㹍ࠉ㹂㹐㹇㹔㹃㹐
㹁㹌ࠉ㹀㸱
㹁㹌ࠉ㹀㸱
㹁㹌ࠉ㸿㸳
㹇㹌㹎㹓㹒
㹁㹌㸰㸮㸮㸱
㹄㹅
㹔㸿㹁㹓㹓㹋ࠉ㹎㹓㹋㹎
㹎㹍㹕㹃㹐ࠉ
㹑㹓㹎㹎㹊㹗
㹓㹌㹇㹒ࠉ㹀
㸯㸫㸰㹀
㹁㹌ࠉ㸿㸯
㹁㹌ࠉ㸿㸳
㸰㸮㸮㹔
㹁㹌ࠉ㸿㸯
㹎㹍㹕㹃㹐ࠉ
㹑㹓㹎㹎㹊㹗
㹓㹌㹇㹒ࠉ㸿
㹒㹐㸿㹌㹑㹄㹍㹐㹋㹃㹐
㹁㹌㸰㸮㸮㸰
㸯㸫㸯㹀
㹋㸿㹇㹌ࠉ㹑㹕㹇㹒㹁㹆
㹄㹅
㹁㹌㸰㸮㸮㸯
㹁㹌ࠉ㸿㸵
㹁㹌ࠉ㸿㸵
㸳㸫㸯㸿
㸯㸫㸰㹁
㸿㹒㹖㸫㹎㸯
㸿㹁ࠉ㹇㹌
㸿㹒㹖ࠉ㹓㹌㹇㹒
㹄㹅
㹇㹌㹎㹓㹒
㹎㹃
㹌㹍㹇㹑㹃ࠉ㹄㹇㹊㹒㹃㹐
㹋㸿㹇㹌ࠉ㹑㹕㹇㹒㹁㹆
㹋㹁㹁㹀
㹌㹍㹒㹃㸯
㹊㸱
㹊㸰
㹊㸯
㹁㹌㸮㸴㸯㸮
㹁㹌㸮㸴㸮㸯
㹁㹌㸮㸴㸯㸲
㸰㸶
㸳㸱
㹐㹈㸲㸳ࠉ㹐㹃㹊㸿㹗
㹁㹍㹌㹌㹃㹁㹒㹍㹐
㹖㹗ࠉ㹀㹃㸿㹐
㹁㸿㹀㹊㹃㹑
㸿㹑㹋
㸳㸰
㸰㸱
㸯㸯㸯
㸲㸮
㸱㸶
㸱㸷
㸰㸯 㸰㸰
㸲
㸱㸰
㸯㸮㸶
㸯㸯㸮
㸯㸯㸮
㸯㸮㸷
㹀㹓㹎
㸦㹍㹎㸧ࠉ㹃㹌ࠉ㹑㹒㸿㹌㹂㸿㹐㹂
㹄㹇㹖ࠉ㹀㸿㹌㹉
㸯㸮㸷
㸲㸳
㹀㸿㹒㹒

- 228 -
NOTE( 注記 ) #01....FOR EN(OPTIONAL PARTS) EN 用(オプション部品)
REF.NO NOTE PART NO D E S C R I P T I O N
品 名
Qty
1 401-29648 POSITION BOARD
ポジションボード
1
2 401-29627 OPTICAL FIBER CABLE 1M
光ファイバケーブル1M
1
3 401-29652 X AXIS DRIVER
X軸ドライバ
1
4 401-82237 FX AMP-XY BEAR ENC CABLE ASM
FX AMP−XY ベア ENCケーブル組
1
5 401-82234 FX AMP-Y BEAR PWR CABLE ASM
FX AMP−Y ベア電源ケーブル組
1
6 401-82273 Y BEAR CABLE
Y ベアケーブル
1
7 401-29148 X-MOTOR ENC CABLE ASM
X−モータ ENCケーブル組
1
8 400-44546 X MTR PWR CABLE
X MTR電源ケーブル
1
9 401-29653 X AXIS MOTOR
X軸モータ
1
10 401-82256 FX AMP-FG WIRE ASM
FX AMP−FGワイヤー組
1
11 401-29654 Y AXIS DRIVER
Y軸ドライバ
1
12 401-29628 OPTICAL FIBER CABLE 0.15M
光ファイバケーブル0.15M
1
13 400-45401 YL ENC CABLE ASM
YL ENCケーブル組
1
14 401-82269 YL MOTOR CABLE ASM
YL モータケーブル組
1
15 401-46348 Y AXIS SERVO MOTOR
Y軸モータ
1
16 401-82257 FYL AMP-FG WIRE ASM
FYL AMP−FGワイヤー組
1
17 400-45403 YR ENC CABLE ASM
YR ENCケーブル組
1
18 401-82270 YR MOTOR CABLE ASM
YR モータケーブル組
1
19 400-48070 OPTICAL FIBER CABLE 7M
光ファイバケーブル7M
1
20 401-82258 FYR AMP-FG WIRE ASM
FYR AMP−FGワイヤー組
1
21 401-83536 POWER SUPPLY UNIT B ASM
電源ユニットB組
1
22
#01
401-87824 POWER SUPPLY UNIT B ASM_EN
電源ユニットB組_EN
1
23 401-82272 XY BEAR CABLE
XY ベアケーブル
1
24 401-33060 XY BEAR AMP PWR-FG WIRE ASM
XYベア−FGワイヤー組
1
25 401-28874 HEAD RELAY PCB ASM
ヘッドリレー基板組
1
26 401-82243 EU TOP-F XY BEAR AMP PWR CABLE ASM
EU TOP−F XY ベア アンプ 電源ケーブル組
1
27 401-86992 BREAKER-NF WIRE ASM
BREAKER−NF束線組
1
28
#01
HK-0429900-7A CAP
キャップ
1
29 401-91282 NOISE FILTER
ノイズフィルタ
1
30
#01
401-91283 NOISE FILTER
ノイズフィルタ
1
31 401-86994 NF-SW WIRE ASM
NF−SW束線組
1
32
#01
401-88159 EU CN A4- CN0001 CABLE ASM(EN)
EU CN A4−CN0001ケーブル組(EN)
1
33 401-88712 SWITCH
スイッチ
1
34 401-28954 NF-FG WIRE ASM
NF−FGワイヤー組
1
35 401-86995 SW-TF/MTS WIRE ASM2
SW−TF/MTS束線組2
1
36 401-82231 MS-ELECTRICAL UNIT CABLE ASM
MS−ELECTRICAL ユニットケーブル組
1
37 401-83500 MTS PWR CABLE ASM
MTS電源ケーブル組
1
38 401-83535 POWER SUPPLY UNIT A ASM
電源ユニットA組
1
39
#01
401-87823 POWER SUPPLY UNIT A ASM_EN
電源ユニットA組_EN
1
40 401-82230 CN A3-AMP CNP2 CABLE ASM
CN A3−AMP CNP2ケーブル組
1
41 401-91280 TRANSFORMER
トランス
1
42 401-83414 TRANS-EU CABLE ASM
TRANS−EUケーブル組
1
43 401-82214 ELE UNIT CN A2-CN B3 CABLE ASM
ELEユニット CN A2−CN B3ケーブル組
1
44 401-82232 EU CN A6-EU CN B2 CABLE ASM
EU CN A6−EU CN B2ケーブル組
1
45 401-82255 EU TOP-ATX RELAY CABLE ASM
EU TOP−ATX 中継ケーブル組
1
46 EZ-1756647-11 BATTERY PACK (BS06A-H24/2.5L)
バッテリーパック(BS06A−H24/2.5L)
1
47 401-82264 VACUUM PUMP RELAY WIRE ASM
真空ポンプ中継ワイヤー組
1
48 401-90921 IP-X11 SET GEN ASM(RS-1)
IP−X11 汎用機 セット組図(RS−1)
1
49 401-28871 IO CONTROL PCB ASM
IOコントロール基板組
1
50 401-82240 EU TOP-F XY BEAR HDM PWR CABLE ASM
EU TOP−F XY ベア HDM 電源ケーブル組
1
51 401-23242 CPU BOARD
CPUボード
1
52 401-36338 LAN CABLE 5M
LAN ケーブル 5M
1
53 HK-0849200-80 CONNECTOR
コネクタ
1
54 401-89336 HDR-Z VAC SENSOR CABLE ASM
HDR−Zバキュームセンサケーブル組
1
55 401-82216 LNC LAN CABLE ASM
LNC LANケーブル組
1
56 401-82791 LNC120-8
LNC120−8
1
57 401-82217 LNC ENCODER CABLE ASM
LNC エンコーダケーブル組
1
58 401-82218 HDR-LNC LED CABLE ASM
HDR−LNC LEDケーブル組
1
59 401-86497 ATX RELAY-ATX 250V CABLE ASM
ATX RELAY−ATX 250Vケーブル組
1
60 EZ-1468979-11 POWER (ENSP-300P-S20-11S)
電源(ENSP−300P−S20−11S)
1
61 401-72724 ATX-CPCI WIRE ASM3
ATX−CPCI束線組3
1
62 401-83537 CTRL_UNIT_ASM
コントロールユニット組
1
63 401-82220 HDR-SV CABLE ASM2
HDR−SVケーブル組2
1
64 401-82558 CN0707 - T1/T2/T3 ORIGIN CABLE ASM
CN0707 − T1/T2/T3原点ケーブル組
1
65 401-82560 T1/T2/T3/T4 ORIGIN SENSOR ASM
T1/T2/T3/T4原点センサ組
1
66 401-83385 FIBER UNIT 2M
ファイバーユニット 2M
1
67 401-72512 CPCI BACK BOARD 6SLOT
CPCIバックボード6スロット
1
68 401-29244 VACUUM PUMP ASM
真空ポンプ組
1
69 401-82233 ATX-SW CABLE ASM
ATX−SWケーブル組
1
70 401-82559 CN0724 - T4 ORIGIN CABLE ASM
CN0724 − T4原点ケーブル組
1
71 401-82238 IPX-F XY BEAR CAMERA CABLE ASM
IPX−F XY ベアカメラケーブル組
1
72 401-82239 IO-F XY BEAR SERIAL CABLE ASM
IO−F XY ベアシリアルケーブル組
1
73 401-28873 HEAD MAIN PCB ASM
ヘッドメイン基板組
1
74 401-82241 HDM-HDR SERIAL CABLE ASM
HDM−HDRシリアルケーブル組
1
75 401-29105 HDM-HDR PWR CABLE ASM
HDM−HDR電源ケーブル組
1
76 401-29102 HDM-OCC L CABLE ASM
HDM−OCC Lケーブル組
1
77 401-29273 HDM-OCC LIGHT L CABLE ASM
HDM−OCCライトLケーブル組
1
78 401-29639 OCC
OCC
1
79 401-29640 OCC LENS
OCCレンズ
1
80 401-28879 OCC C PCB ASM
OCC C基板組
1
81 401-28878 OCC A PCB ASM
OCC A基板組
1
82 401-29106 HDM-HMS L RELAY CABLE ASM
HDM−HMS L 中継ケーブル組
1
83 401-29108 HMS CABLE ASM
HMSケーブル組
1
84 401-85429 NZL-UP SV EXTENSION CABLE ASM
NZL−UP SV 延長ケーブル組
1
85 401-83349 NZL-UP SV CABLE ASM
NZL−UP SVケーブル組
1
86 401-86318 HDM-TMP SENSOR CABLE ASM
HDM−TMP センサケーブル組
1
87 401-28883 THERMAL SENSOR PCB ASM
サーマルセンサ基板組
1
88 HD-0030600-00 SENSOR
センサ
1
89 401-19461 HEAD FAN MOTOR A ASSY
頭部ファンモータA組
1
90 401-36334 SERVO MOTOR 30W
サーボモータ 30W
1
91 EZ-1492148-11 AMPLIFIER SERVO
サ−ボ アンプ (MR−MD212−S016)
1
92 401-82565 ZC CN2A CABLE ASM
ZC CN2Aケーブル組
1
93 401-82563 ZC CNP2A CABLE ASM
ZC CNP2Aケーブル組
1
94 401-87431 SERVO MOTOR 30W
サーボモータ 30W
1
95 401-29650 4AXIS INTEGRAL TYPE T AXIS DRIVER
4軸一体型T軸ドライバ
1
96 401-36335 SERVO MOTOR 30W
サーボモータ 30W
1
97 401-82252 HDR-ZA AMP PWR CABLE ASM
HDR−ZA アンプ電源ケーブル組
1
98 401-82253 HDR-ZB AMP PWR CABLE ASM
HDR−ZB アンプ電源ケーブル組
1
99 401-82254 HDR-ZC AMP PWR CABLE ASM
HDR−ZC アンプ電源ケーブル組
1
100 401-82222 HDR-TA AMP PWR CABLE ASM
HDR−TA アンプ電源ケーブル組
1
101 401-82250 TAMP-HDR SERIAL CABLE ASM
TAMP−HDR シリアルケーブル組
1
102 401-82215 TA CN5-CN0713 CABLE ASM
TA CN5−CN0713ケーブル組
1
103 401-82251 HDR-SV CABLE ASM
HDR−SVケーブル組
1
104 401-33002 NZL UP SENSOR 6T L CABLE ASM
ノズルアップセンサ(6TL)ケーブル組
1
105 401-33003 NZL UP SENSOR 6T R CABLE ASM
ノズルアップセンサ(6TR)ケーブル組
1
106 401-89336 HDR-Z VAC SENSOR CABLE ASM
HDR−Zバキュームセンサケーブル組
1
107 401-82489 VACUUM_UNIT
バキュームユニット
1
108
#01
401-88158 EU BTM-BANK UP CABLE ASM(EN)
EU BTR−BANK UPケーブル組(EN)
1
109
#01
400-02344 BUP SHORT WIRE(EN) ASM
BUPショートケーブルEN組
1
110
#01
400-02287 BANK SW CABLE ASSY
バンクスイッチケーブル組
1
111 401-82229 CN A5-X/YL/YR CNP1 CABLE ASM
CN A5−X/YL/YR CNP1ケーブル組
1