N7201A705C00(1)_NPM-WX操作手册.pdf - 第86页
EJM9DC-MB-02C-00 NPM-W X/WXS 2-2-2 -7 各部位 名称 菜单构成 4 2-2-2 ★带有标记的图标或按钮,是在搭载 了该选购件时才显示。 ★托盘 全体 贴装头 调整 机器菜单 输入的地址以 BIT( 比特 ) 单位显示。 输出的地址以 BIT( 比特 ) 单位显示。 进行全轴的原点复位。 确认控制机器全轴的现在位置和状态 。 更换吸嘴。 通过贴装头动作确认设备是否正常。 确认真空泵的状态,使各泵单独动作…

EJM9DC-MB-02C-00
NPM-WX/WXS
2-2-2-6
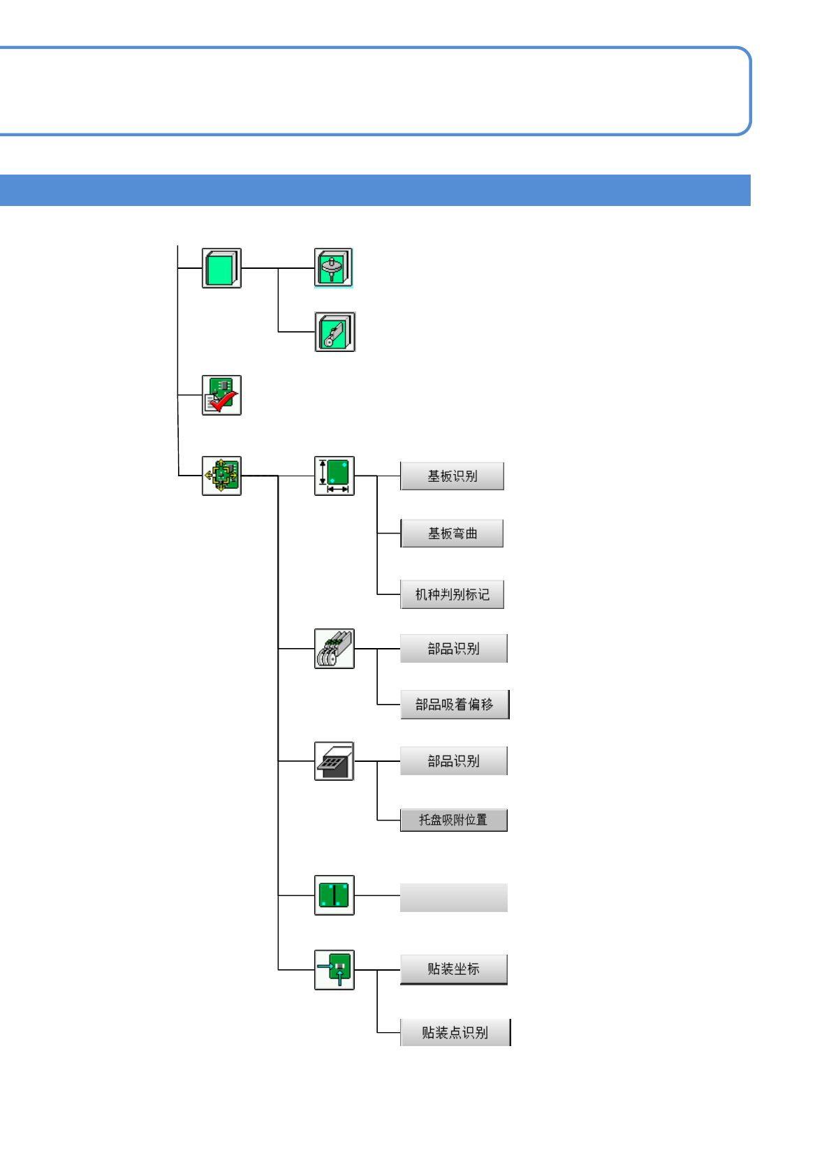
★带有标记的图标或按钮,是在搭载了该选购件时才显示。
★托盘
元件吸着位置动作,设定托盘吸着位
置。
确认元件识别动作,修改元件数据。
程序库
显示可以搭载的供料器程序库的数据。
显示可以使用的吸嘴程序库的数据。
贴装吸嘴
供料器
确认数据
确认生产数据
示教
基板
供料器
确认基板识别动作,修改基板的识
别坐标。
确认机种判别标记识别动作。
★确认基板弯曲动作,并修改测量点
数据。
元件吸着位置动作,设定吸着偏移量。
确认元件识别动作,修改元件数据。
贴装
图案属性
确认基板的贴装状态,确认为了修改
贴装偏移的条件。
确认不良标记识别动作,修改不良标
记坐标。
以贴装点单位选择条件贴装时的贴装
对象。
不良标记

EJM9DC-MB-02C-00
NPM-WX/WXS
2-2-2-7
各部位
名称
菜单构成 4
2-2-2
★带有标记的图标或按钮,是在搭载了该选购件时才显示。
★托盘
全体
贴装头
调整
机器菜单
输入的地址以BIT(比特)单位显示。
输出的地址以BIT(比特)单位显示。
进行全轴的原点复位。
确认控制机器全轴的现在位置和状态。
更换吸嘴。
通过贴装头动作确认设备是否正常。
确认真空泵的状态,使各泵单独动作。
传送带
任意调整传送带宽度。
进行基板传送动作。
★切换调整轨道。
供料器
确认设置在设备上的供料器动作。
显示设置在设备上的供料器信息。
对托盘单元的动作进行确认。
工程师模式 4

EJM9DC-MB-02C-00
NPM-WX/WXS
2-2-2-8
设定选项功能。
贴装头
设定贴装头上下动作的参数。
进行不良贴装头的状况确认和设定。
多功能识别照
相机
显示多功能识别照相机的状态和各种
信息。
确认所有的识别处理动作。
显示贴装头照相机的状态和各种信息。
显示LED照明的状态和各种信息。
显示贴装头照相机的截图状态和各种
信息。
贴装头照相机
全体设定
XY单元
设定和LNB的通信。
设定系统动作的整体的条件。
设定指示灯和警报。
设定生产时和停止时的指示灯和警报。
设定监视器。
设定XY单元的不良轴和经时变化补正。
设定参数。
照相机状态