KY8030-2XDL(2P) Part List.pdf - 第139页
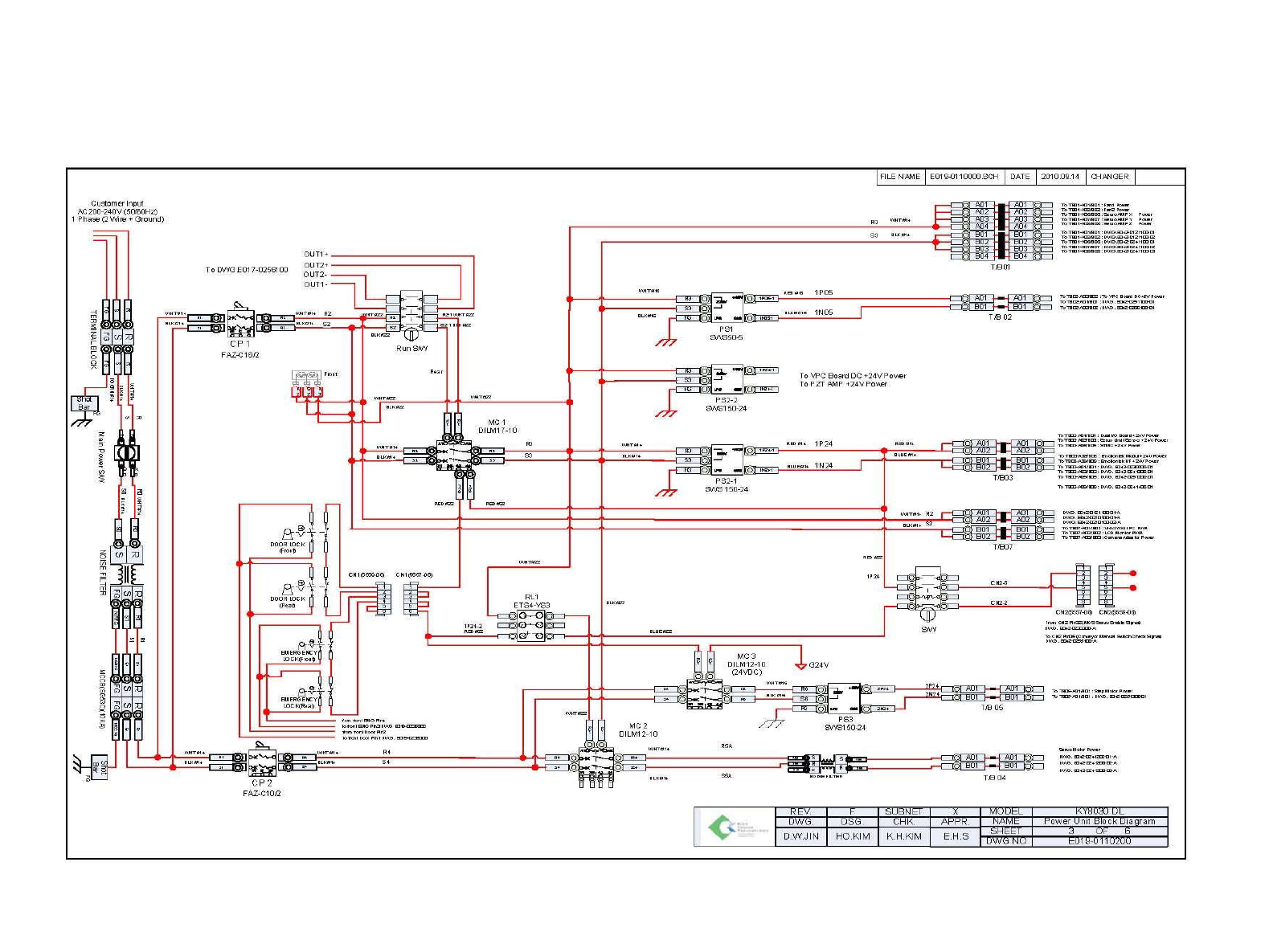
1. 1. POWER UNIT BL OCK DIAGRAM 5

4
u No. : Table Index Number
u Item Code
No
: Manufacturing products code
u Specification : Part or Assembly Specification
u Description : Part or Assembly Description
u Type : 1. Electric Type – Electric Part
2. Cable Type – E043-XXXXXXX: Electric Cable Part
3. Vision Type – Vision Part
u Q’TY : Quantity required
(X) – Option Quantity required
u Remark : Remark and Part mark for the Assembly
No. Item Code No. Specification Description Type Q’TY Remark
1 552111-000001 30A-3P MAIN POWER T/B Electric 1
2 E043-0231100 Dual I/O Extend Cable Cable 1(1)
Example)
USING THIS PART LIST

1. 1. POWER UNIT BLOCK DIAGRAM
5

No. Item Code No. Specification Description Type Q’TY Remark
1 552111-000001 30A-3P Terminal Block(Main Power) Electric 1 TERMINAL BLOCK
2 551615-000001 TO-2-1/EA/SVB Main Switch Electric 1 MAIN POWER S/W
3 551711-000001 MBS-1220-22 Noise Filter Electric 2 NF1, NF2
4 551918-000005 SG53C MCCB Electric 1 MCCB
5 552012-000005 FAZ-C10/2 CP Electric 1 CP2
6 552012-000006 FAZ-C16/2 CP Electric 1 CP1
7 551612-000004 M22-WRS/KW40(1a*6EA) KEY SWITCH Electric 1 RUN S/W
8 551919-000002 DILM12-10(24DC) MC Electric 1 MC3
9 551919-000004 DILM12-10 MC Electric 1 MC2
10 551919-000005 DILM17-10 MC Electric 1 MC1
11 551913-000003 ETS4-VS3 Power Relay Electric 1 RL1
12 552612-000005 SWS50-05V SMPS Electric 1 PS1
13 552612-000006 SWS150-24V SMPS Electric 3 PS2-1, PS2-2, PS3
14 552112-000001 249-116 (End Stop) Terminal Block Electric 2 Terminal ASS’Y
15 552112-000003 280-402 (2P Jumper) Terminal Block Electric 12 Terminal ASS’Y
16 552112-000004 280-833 (2:2 Grey) Terminal Block Electric 10 T/B01, T/B04
17 552112-000005 280-834 (2:2 Blue) Terminal Block Electric 4
T/B02, T/B05, T/B10
18 552112-000006 280-835 (2:2 Orange) Terminal Block Electric 10 T/B03, T/B07
19 552112-000007 280-837 (2:2 Ground) Terminal Block Electric 4 T/B FG
1. 2. POWER UNI LISTT PART
6