RV-2_RV-2-3D_RV-2-3DH-Rev03.pdf - 第90页
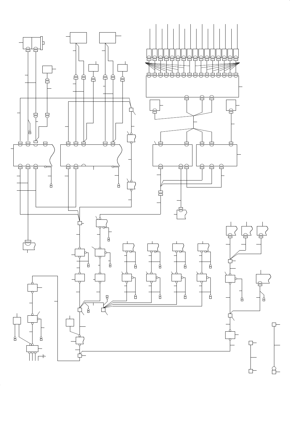
- 81 - 41. SYSTEM DIAGRAM(1) SYSTEM DIAGRA M(1) FG FG 4-1D FG AVR8 NF6 FG 4-1D FG AVR7 NF5 FG 4-1D FG AVR6 NF4 FG 4-1C FG AVR5 NF3 FG 2-1A TB9 TB6 FG(E.B.) TB8 CN1 CN12 CN3 EPI PCB 40158292 CN505 CN504 CN503 CN502 CN501 …

- 80 -
REF.NO NOTE PART NO D E S C R I P T I O N
品 名
Qty
1 401-59175 CALIBRATION JIG ASSY
キャリブレーション治具組
1
2 401-81034 CALIBRATION JIG ASSY_RV2-3D
キャリブレーション治具組_RV2−3D
1

- 81 -
41.SYSTEM DIAGRAM(1)
SYSTEM DIAGRAM(1)
FG
FG
4-1D
FG
AVR8
NF6
FG
4-1D
FG
AVR7
NF5
FG
4-1D
FG
AVR6
NF4
FG
4-1C
FG
AVR5
NF3
FG
2-1A
TB9
TB6
FG(E.B.)
TB8
CN1
CN12
CN3
EPI PCB
40158292
CN505
CN504
CN503
CN502
CN501
CN5
CN4
CN1
CN3
2-2B
2-2B
2-2C
3-2D
2-4A
2-2A
2-1A
3-1A
FG
FG
CP1
TB2
AVR1
TB6
IOC PCB
SRC PCB
DCS PCB
LDBS PCB
MC3
TB5
CN1
CN1
TOP PCB
AGG PCB
CN19
CN18
CN17
CN16
CN15
CN14
CN13
CN12
CN11
CN1
CN2
CN4
CN10
CN5
CN6
CN7
CN8
CN9
CN3
LOW PCB 8
LOW PCB 7
LOW PCB 6
LOW PCB 5
LOW PCB 4
LOW PCB 3
LOW PCB 2
LOW PCB 1
MID PCB 5
MID PCB 6
MID PCB 7
MID PCB 8
MID PCB 4
MID PCB 3
MID PCB 2
MID PCB 1
SCALE HEAD(YB)
SCALE HEAD(YA)
2-2B
CNP2B
CNP3B
CNP2A
CNP3A
CNP1
CN1B
CN1A
CNP2
DRV2
FG
SCALE HEAD(X)
XSERVOMOTER
FG
FG
2-2B
CN8
CN2
CNP3
CNP1
CN1B
CN1A
CNP2
DRV1
2-1D
POSITION
BOARD
MC2
FG
AVR2
TB4
NF2
NF1
FG
FG
CP3
CP2
TB3
SK1
MC1
TB1
FG
ELB1
NF0
SP1
FG
TB0
INPUT
PE
L3
L2
L1
20
68
68
68
68
68
68
6822
22
22
22
22
22
22
6822
15
34
9
10
2821
25
18
26
19
2417
2316
14
10
13
12
11
10
8
7
6
5
4
3
2
10
TB11
29
30
27
10
32
31
33
35
AVR3
37
36
49 50 51
43 44 45
39
38
52
52
53
56
54
55
1
LC2 PCB
42
46
47
48
94
91
65
64
6260
59
58
57
61
63
66
LDBM PCB
92
93
97
89
96
95
10
67
65
71
70
69
74
75
76
77
79
80
85
87 90
88
78
86
YB SERVO MOTOR
YA SERVO MOTOR
86
83
82
41
72
112
110
111
109
108
106
104
102
100
84
99
73
103
101
107
105
81
81 81 81
98 98 98 98
10
40

- 82 -
REF.NO NOTE PART NO D E S C R I P T I O N
品 名
Qty
1 401-58284 MOTION CONTROLER
モーションコントローラー
1
2 401-58461 SURGE ABSORBER WIRE ASM
SURGE ABSORBERワイヤー組
1
3 HK-0895500-30 BLOCK TERMINAL
端子台
1
4 401-58342 TB0-NF0 WIRE ASM
TB0−NF0ワイヤー組
1
5 401-58344 NF0-E WIRE ASM
NF0−Eワイヤー組
1
6 401-58253 NOISE FILTER
ノイズフィルタ
1
7 401-58343 NF0-ELB1 CABLE ASM
NF0−ELB1ケーブル組
1
8 HA-0068000-00 CIRCUIT PROTECTOR
サーキットプロテクタ
1
9 401-58345 ELB1-TB1 CABLE ASM
ELB1−TB1ケーブル組
1
10 HK-0883500-1A BLOCK TERMINAL
端子台
1
11 401-58346 TB1-MC1 WIRE ASM
TB1−MC1ワイヤー組
1
12 HA-0053000-00 MAGNETIC CONTACTOR
コンタクタ
1
13 HA-0053000-40 MAGNETIC CONTACTOR
サージ吸収ユニット
1
14 401-58347 MC1-TB3 WIRE ASM
MC1−TB3ワイヤー組
1
15 HW-0024501-00 FLAT CABLE
フラットケーブル
1
16 401-58348 TB3-CP2 WIRE ASM
TB3−CP2ワイヤー組
1
17 401-69176 CIRCUIT PROTECTOR
サーキットプロテクタ
1
18 401-58349 CP2-NF1 WIRE ASM
CP2−NF1ワイヤー組
1
19 HN-0038100-0A NOISE FILTER
ノイズフィルタ
1
20 401-58360 NF1-E WIRE ASM
NF1−Eワイヤー組
1
21 401-58350 NF1-TB4 WIRE ASM
NF1−TB4ワイヤー組
1
22 401-76849 LED MID PCB ASM 3D
LED MID基板組 3D
1
23 401-58361 TB3-CP3 WIRE ASM
TB3−CP3ワイヤー組
1
24 HA-0068800-00 CIRCUIT PROTECTOR
サーキットプロテクタ
1
25 401-58362 CP3-NF2 WIRE ASM
CP3−NF2ワイヤー組
1
26 HN-0039800-00 NOISE FILTER
ノイズフィルタ
1
27 401-58363 NF2-E WIRE ASM
NF2−Eワイヤー組
1
28 401-58364 NF2-AVR2 WIRE ASM
NF2−AVR2ワイヤー組
1
29 HX-0071400-00 POWER SUPPLY
パワーサプライ
1
30 401-58365 AVR2-E WIRE ASM
AVR2−Eワイヤー組
1
31 401-58366 TB-1 CP1 WIRE ASM
TB−1 CP1ワイヤー組
1
32 HA-0068900-0A CIRCUIT PROTECTOR
サーキットプロテクタ
1
33 401-58367 CP1-TB2 WIRE ASM
CP1−TB2ワイヤー組
1
34 HW-0024500-80 FLAT CABLE
フラットケーブル
1
35 401-58368 TB2-AVR1 WIRE ASM
TB2−AVR1ワイヤー組
1
36 401-58528 POWER SUPPLY
スイッチング電源
1
37 401-58369 AVR1-E WIRE ASM
AVR1−Eワイヤー組
1
38 401-58453 TB2-AVR3 CABLE ASM
TB2−AVR3ケーブル組
1
39 401-58529 POWER SUPPLY
スイッチング電源
1
40 401-58445 AVR1-TB6(1) WIRE ASM
AVR1−TB6(1)ワイヤー組
1
41 401-51131 LED AGG PCB ASM
LED AGG基板組
1
42 401-75748 LC2 PCB ASM
LC2基板組
1
43 401-58370 TB6-DCS WIRE ASM
TB6−DCSワイヤー組
1
44 401-58371 TB6-SRC WIRE ASM
TB6−SRCワイヤー組
1
45 401-58372 TB6-IOC WIRE ASM
TB6−IOCワイヤー組
1
46 401-58353 TB4-MC2 WIRE ASM
TB4−MC2ワイヤー組
1
47 401-58397 AVR2-LDB(1) CABLE ASM
AVR2−LDB(1)ケーブル組
1
48 401-58398 LCB-LDBM CABLE ASM
LCB−LDBMケーブル組
1
49 401-58508 DCS PCB ASM
DCS基板組
1
50 401-58507 SRC PCB ASM
SRC基板組
1
51 401-58506 IOC PCB ASM
IOC基板組
1
52 HK-0883500-10 BLOCK TERMINAL
ブロックターミナル
1
53 401-58396 F-R TB CABLE ASM
F−R TBケーブル組
1
54 401-57196 GROUND_BAR (FR)
アース バー (FR)
1
55 401-58395 EB-TB8 WIRE ASM
EB−TB8ワイヤー組
1
56 HK-0883500-1B BLOCK TERMINAL
端子台
1
57 401-58351 TB4-DRV1 WIRE ASM
TB4−DRV1ワイヤー組
1
58 401-29627 OPTICAL FIBER CABLE 1M
光ファイバケーブル1M
1
59 401-29628 OPTICAL FIBER CABLE 0.15M
光ファイバケーブル0.15M
1
60 401-58358 DRV1-E WIRE ASM
DRV1−Eワイヤー組
1
61 401-58293 SERVO AMPLIFIER
サーボアンプ
1
62 401-58352 TB4-DRV2 WIRE ASM
TB4−DRV2ワイヤー組
1
63 401-58294 SERVO AMPLIFIER
サーボアンプ
1
64 401-58359 DRV2-E WIRE ASM
DRV2−Eワイヤー組
1
65 HA-0068700-00 MAGNETIC CONTACTOR
電磁開閉器
1
66 401-58354 MC2-MC3 WIRE ASM
MC2−MC3ワイヤー組
1
67 401-58355 MC3-TB5 WIRE ASM
MC3−TB5ワイヤー組
1
68 401-51136 LED LOW PCB ASM
LED LOW基板組
1
69 401-58356 TB5-DRV1 WIRE ASM
TB5−DRV1ワイヤー組
1
70 401-58487 X MOTOR FORK CABLE MARKER ASM
XモータFORKケーブルマーカー組
1
71 401-58357 TB5-DRV2 WIRE ASM
TB5−DRV2ワイヤー組
1
72 401-77953 TB3-TB11 CABLE ASM
TB3−TB11ケーブル組
1
73 401-77954 TB11-NF3 WIRE ASM
TB11−NF3ワイヤー組
1
74 401-58460 X MOTOR CABLE ASM
Xモータケーブル組
1
75 401-58488 X MOTOR ENC CABLE MARKER ASM
XモータENCケーブルマーカー組
1
76 401-58329 X SCALE CABLE ASM
Xスケールケーブル組
1
77 401-58298 LINER SCALE X
スケールX
1
78 401-58292 SERVO MOTOR
サーボモーター
1
79 401-58330 DRV2-CNP3A CABLE ASM
DRV2−CNP3Aケーブル組
1
80 401-65131 YA ENC THM CABLE ASM
YA ENC THMケーブル組
1
81 401-77990 NOISE FILTER
ノイズフィルタ
1
82 401-58333 DRV2-CNP3B CABLE ASM
DRV2−CNP3Bケーブル組
1
83 401-65132 YB ENC THM CABLE ASM
YB ENC THMケーブル組
1
84 401-77958 NF3-AVR5 WIRE ASM
NF3−AVR5ワイヤー組
1
85 401-58458 YA LINEAR MTR WIRE ASM
YAリニアMTRワイヤー組
1
86 401-58295 LINEAR MOTOR
リニア可動子
1
87 401-58299 LINER SCALE Y
スケールY
1
88 401-58459 YB LINEAR MTR WIRE ASM
YBリニアMTRワイヤー組
1
89 401-58401 LDBS-EPI WIRE ASM
LDBS−EPIワイヤー組
1
90 401-58299 LINER SCALE Y
スケールY
1
91 401-58456 AVR2-LDB(2) CABLE ASM
AVR2−LDB(2)ケーブル組
1
92 401-51137 LED MASTER PCB ASM
LED マスタ基板組
1
93 401-51155 LED SLAVE PCB ASM
LED SLAVE基板組
1
94 401-58399 LDB M-S WIRE ASM
LDB M−Sワイヤー組
1
95 401-76847 LED TOP PCB ASM 3D
LED TOP基板組 3D
1
96 401-58400 LDB-AGG WIRE ASM
LDB−AGGワイヤー組
1
97 401-51133 LED EPI PCB ASM
LED EPI基板組
1
98 401-77989 POWER SUPPLY
スイッチング電源
1
99 401-77962 NF3-E WIRE ASM
NF3−Eワイヤー組
1
100 401-77966 AVR5-E WIRE ASM
AVR5−Eワイヤー組
1
101 401-77955 TB11-NF4 WIRE ASM
TB11−NF4ワイヤー組
1
102 401-77959 NF4-AVR6 WIRE ASM
NF4-AVR6ワイヤー組
1
103 401-77963 NF4-E WIRE ASM
NF4−Eワイヤー組
1
104 401-77967 AVR6-E WIRE ASM
AVR6−Eワイヤー組
1
105 401-77956 TB11-NF5 WIRE ASM
TB11−NF5ワイヤー組
1
106 401-77960 NF5-AVR7 WIRE ASM
NF5-AVR7ワイヤー組
1
107 401-77964 NF5-E WIRE ASM
NF5−Eワイヤー組
1
108 401-77968 AVR7-E WIRE ASM
AVR7−Eワイヤー組
1
109 401-77957 TB11-NF6 WIRE ASM
TB11−NF6ワイヤー組
1
110 401-77961 NF6-AVR8 WIRE ASM
NF6-AVR8ワイヤー組
1
111 401-77965 NF6-E WIRE ASM
NF6−Eワイヤー組
1
112 401-77969 AVR8-E WIRE ASM
AVR8−Eワイヤー組
1