P-0196-001.pdf - 第186页
MODEL TCM-3100J-2 0108-001 184 ⓨᓮㇱ PNEUMATIC SECTION Fig.10-3 ࠛࠕ㈩▤ Air Piping 2 1 22 22 2 3 25 25 2 6 29 29 28 28 27 27 4 1 42 42 2 2 2 4 2 5 6 7 8 5 - 7 5 - 6 5-5 5-2 5-3 5-4 1-3 1-2 1-4 1 5 1 4 1 3 1 5 1 3 1 4 2 3 4 …

MODEL TCM-3100J-2
0108-001
183
Key No. PART No. PART NAME Q’ty REMARKS
NOTE
10-2
1 630 066 0753 COVER 1 659L--03B-046
2 411 113 9109 SCR TRS 5X10 7 M5X10 TRS
8 630 003 8033 PIPE FITTINGS 1
9 630 008 0285 PIPE FITTINGS 1
10 630 003 7388 PIPE FITTINGS 1
11 630 003 8231 PIPE FITTINGS 2 659L--03H-010
12 630 003 8224 PIPE FITTINGS 7 659L--03H-009
13 630 003 8248 PIPE FITTINGS 2 659L--03H-011
14 630 003 7814 PIPE FITTINGS 3
15 411 141 4305 WASHER V 6X12.5X1.6 4 FW6
16 411 141 3001 WASHER SPR 6 4 SW6
17 630 000 7893 BOLT,HEX-SCT 4 M6X20
18 630 053 4917 MECH PARTS (PADLOCK) 1 659L--03H-092
50 630 055 2515 AIR LINE EQPT 1 #A3-208252- 659L--03H-008
51 630 046 7963 PIPE FITTINGS 1
52 630 077 7918 AIR LINE EQPT 1
52 -1 630 062 4526 AIR LINE EQPT 1
53 630 043 8031 AIR LINE EQPT 5
54 630 046 8014 SWITCH,PRESSURE 1 PS1
55 630 054 9546 PIPE FITTINGS 1
56 630 046 8007 AIR LINE EQPT 2
57 630 046 7970 PIPE FITTINGS 1
58 630 043 8017 AIR CLEAN EQPT 1
58 -1 630 062 4533 AIR LINE EQPT 1
59 630 043 8024 AIR CLEAN EQPT 1
59 -1 630 062 4540 AIR LINE EQPT 1
60 630 003 8187 PIPE FITTINGS 1
61 630 061 4893 VALVE 1
62 630 003 8125 PIPE FITTINGS 1

MODEL TCM-3100J-2
0108-001
184
ⓨᓮㇱ PNEUMATIC SECTION
Fig.10-3 ࠛࠕ㈩▤ Air Piping
21
22
22
23
25
25
26
29
29
28
28
27
27
41
42
42
22
24
25
6
7
8
5-7
5-6
5-5
5-2
5-3
5-4
1-3
1-2
1-4
1
5
14
13
15
13
14
2
3
4
11
12

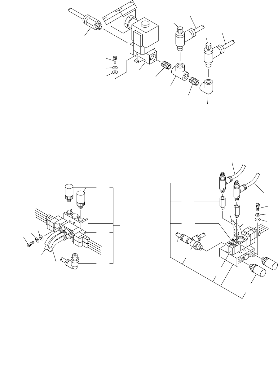
MODEL TCM-3100J-2
0108-001
185
Key No. PART No. PART NAME Q’ty REMARKS
NOTE
10-3
1 630 053 8540 SOLENOID VALVE 1 659F--03H-030
1 -2 630 081 3593 SOLENOID VALVE 2 SV24A, SV24B, SV31A, SV31B
1 -3 630 003 6541 AIR LINE EQPT 2
1 -4 630 052 1993 PIPE FITTINGS 1
2 411 141 4008 WASHER V 4X9X0.8 2 FW4
3 411 141 2905 WASHER SPR 4 2 SW4
4 630 000 7688 BOLT,HEX-SCT 2 M4X30
5 630 061 1885 SOLENOID VALVE 1 659G--03H-037
5 -2 630 081 3609 SOLENOID VALVE 2 SV32, SV106
5 -3 630 003 6541 AIR LINE EQPT 2
5 -4 630 085 2707 PIPE FITTINGS 1
5 -5 630 040 4067 PIPE FITTINGS 2
5 -6 630 003 8293 PIPE FITTINGS 2
5 -7 630 065 7296 AIR LINE EQPT 2
6 411 141 4008 WASHER V 4X9X0.8 2 FW4
7 411 141 2905 WASHER SPR 4 2 SW4
8 630 000 7688 BOLT,HEX-SCT 2 M4X30
21 630 000 1709 SOLENOID VALVE 1 SV30 659L--03H-014
22 630 003 8163 PIPE FITTINGS 2
23 630 003 8064 PIPE FITTINGS 1
24 630 003 7821 PIPE FITTINGS 1
25 630 003 6688 AIR LINE EQPT 2 659L--03H-015
26 630 031 8579 PIPE FITTINGS 1 659L--03H-016
27 411 141 4008 WASHER V 4X9X0.8 2 FW4
28 411 141 2905 WASHER SPR 4 2 SW4
29 630 000 7619 BOLT,HEX-SCT 2 M4X8