205020 OTS Standalone Manual.pdf - 第25页
OVER THE TOP SNUGGER (O TS) SEQU ENCES Chapter Issue 3 Aug 14 Over the Top Snuggers (OTS ) Manual 1.13 SEQUENCES In the sequence t hat follo ws the diagrams show the over the top clamp (OTC) plate, th e snugger , the boa…

OVER THE TOP SNUGGER (OTS)
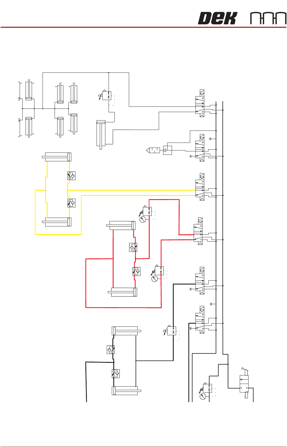
PNEUMATIC SCHEMATIC
1.12 Over the Top Snuggers (OTS) Manual Chapter Issue 3 Aug 14
PNEUMATIC SCHEMATIC
Figure 1-4 OTS Pneumatic Schematic
Top Plate
Cylinder
Over Top
Cylinder
Over Top
Cylinder
Clamp
Pressure
ITV
Mid Plate
Cylinder
Mid Plate
Cylinder
Out
Out
In
In
Top Plate
Cylinder
Brakes
Note
This circuit represents one clamp only.
Full details available in Electrical Drawings
Man al
VAC Generator
Snugger
Cylinder
Snugger
Pressure
ITV
Valve 6
Snug & Brake
Valve 5
Vacuum
Valve 4
Top Plate
Up/Down
Valve 3
Overtop
Clamp
Extend/Retract
Valve 2
Mid Plate
Down
Valve 1
Mid Plate
Up
ance V
alve
Clamp Pressure
On/Off

OVER THE TOP SNUGGER (OTS)
SEQUENCES
Chapter Issue 3 Aug 14 Over the Top Snuggers (OTS) Manual 1.13
SEQUENCES In the sequence that follows the diagrams show the over the top clamp (OTC)
plate, the snugger, the board and the board support. The OTC is capable of
two independent actions: up/down movement and in/out movement. The snug
-
ger is part of the complete assembly that includes the mid plate and brakes.
Clamping 1. State 0 shows the product resting on the board support; the OTC plate is in
the up position it is not retracted, the mid plate and snugger are up and the
brakes and snugger are off. The rails are at transport height.
2. State 1 the same as state 0, however the OTC lowers onto the snugger and
the brake vacuum comes on.
3. State 2 the OTC plate and mid plate/snugger lower; the OTC plate holds the
product against the board support to prevent it from ‘flipping’ out when the
snugger actuates. The snugger height is level with the top of the board.
4. State 3 The snugger gap is closed. The brake vacuum switches off. The
brakes are applied; this locks the mid plate in position.
STATE 0
Board
OTC Plate
Snugger
Board Support
STATE 1
STATE 2
STATE 3

OVER THE TOP SNUGGER (OTS)
SEQUENCES
1.14 Over the Top Snuggers (OTS) Manual Chapter Issue 3 Aug 14
5. State 4 The OTC plate is raised.
6. State 5 The OTC plate retracts until it is clear of the snugger.
7. State 6 The OTC plate moves to the down position; behind the snugger.
8. State 7 The OTC plate moves in, flush with the snugger, to form a seamless
bridge ready for printing to take place. The print cycle commences; the rising
table moves the rails up to print height, printing takes place.
The top plate of the rear OTC can swivel to accommodate snugging of
boards that do not have parallel sides. In the plan view above, the board is
shown with the snugger clamp against its non parallel surface; when the
OTC moves in to position the swivel plate conforms to the snugger.
STATE 4
STATE 5
STATE 6
STATE 7
OTC plate
Snugger