205020 OTS Standalone Manual.pdf - 第46页
ASM Assembly Systems Weymouth Ltd 1 1 Albany Road Granby Industrial Estate Weymouth Dorset DT4 9TH England www .dek.com

2 Over the Top Snuggers (OTS) Manual
%%%P_
%%P_%%D
%%P_
NTS
1
RICHARD BELL
27/07/10
RJB
02
29/07/10
40754
1
54321
A
B
CC
B
A
1 2 3 4 5
6 7
8
9 10
11
12
13
6
7
8
9
10 11
12
13
D
E
F
G
H
I
D
E
F
G
H
I
PROJECTION
DRAWN
APPROVED
DATE
TOLERANCES UNLESS
OTHERWISE STATED
MATERIAL
FINISH
SURFACE ROUGHNESS
C
COPYRIGHT
A
OF
SH.
IT MAY NOT BE COPIED,REPRODUCED,
PUBLISHED OR DISCLOSED IN WHOLE
OR IN PART WITHOUT OUR WRITTEN
CONSENT.
IN IT, IS THE PROPERTY OF
DRAWING SCALE
DO NOT SCALE
ORIGINAL SCALE
(PLOT)
(CAD) 1:1
THIS DRAWING AND THE COPYRIGHT
GEN.
ANG.
CRS.
THREADS
ISO COARSE U.O.S.
DIMENSIONS
IN MM'S-INCHES IN ( )
TITLE
DRAWING NUMBER
DATE INITIALDCR
LATEST
ISSUE
No.
0
2010
BALANCE VALVE
FROM 188794
SHEET 1
LOCATION E2
VALVE 1
VALVE 2
MID PLATE DOWN
VALVE 3
OVER TOP CLAMP
VALVE 4
2
TOP PLATE UP / DOWN
VALVE 5
2
VACUUM
VALVE 6
2
SNUG AND BRAKE
EXTEND / RETRACT
CLAMP PRESSURE
2
1
2
1
1
2
3
4
5
1A
2A
1A
1
2
3
1
2
3
2
1
2
1
3A
3B
3A
2
1
2
1
4A
4B
4A
7A
7B
VACUUM GENERATOR
SNUGGING
PRESSURE
FRONT CLAMP
REAR CLAMP
6A
MID PLATE CYLINDER
OVERTOP CYLINDER
MID PLATE CYLINDER
OVERTOP CYLINDER
TOP PLATE CYLINDER
TOP PLATE CYLIN
DER
SNUGGER CYLINDER
BRAKE CYLINDER
BRAKE CYLINDER
1
2
3
4
5
1
2
3
4
5
1
2
3
4
5
1
2
3
4
5
1
2
p
=
1
2
p
=
7A
2A
1A
3A
3B
4A
4B
7B
6A / 7A
MID PLATE UP
DEK INTERNATIONAL GmbH.
202994
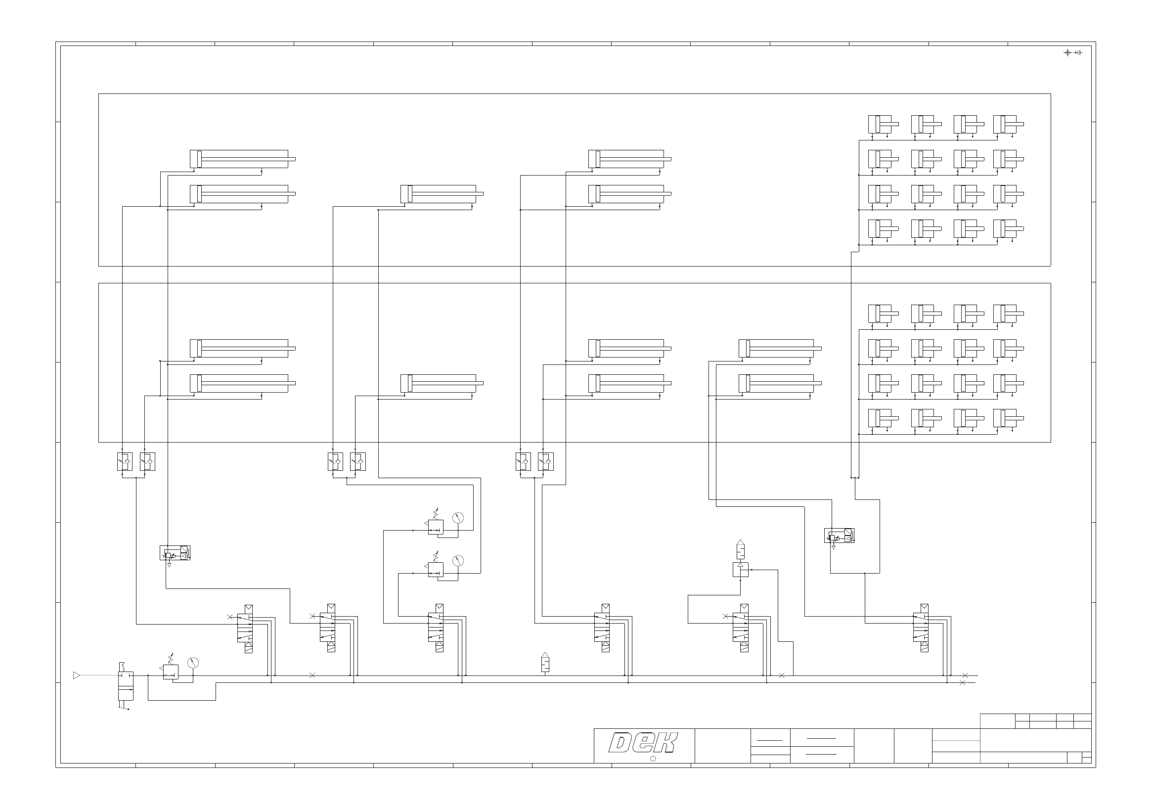
^ ^ OTS PNEUMATIC DIAGRAM^
1
2
2
3
4
5
2
1 2
3
2
202994 Issue 2 Pneumatic Circuit Diagram Over Top Snugging (OTS)

ASM Assembly Systems Weymouth Ltd
11 Albany Road
Granby Industrial Estate
Weymouth
Dorset
DT4 9TH
England
www.dek.com