N7201A652C03(1)TT2 .pdf - 第96页
NPM-TT2 EJM1EC-MB-02O-00 事先计算生产计划所需的元件消耗量 。 生产计划 2-2-2 -7 工程师模式 2 各部位 名称 4 操作篇 2 - 2 - 2 准备菜单 准备零部件 进行基板支撑销单元的更换动作。 显示基板位置,从各位置进行传送。 调整基板的宽度。 生产信息 菜单 显示各基台的运转时间的信息。 运转信息 吸着情報 显示有关元件的吸着信息。 显示有关元件的吸着信 息。 有关紧急停止错误的信息,按照时间 的…

NPM-TT2 EJM1EC-MB-02O-00
2-2-2
-6
余数监视器
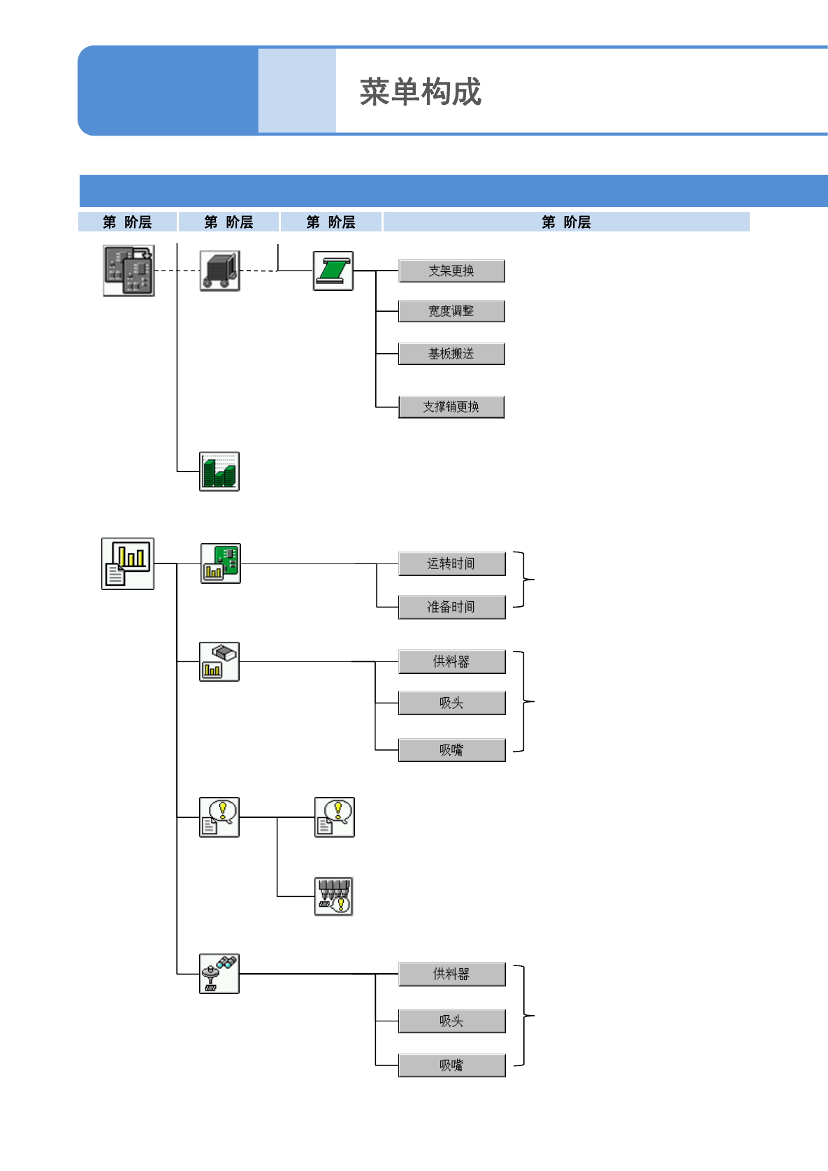
确认生产线上的各工作台的元件用完信息。
确认吸着状況。
吸着监视器
状況监视器
显示运转中的生产信息,零部件用完信息,以及其他的各类信息。
生产菜单
(生产中)
连续准备
管理各工序生产前的个别准备作业。
读入机器数据、保存机器参数等文件操作。
文件操作
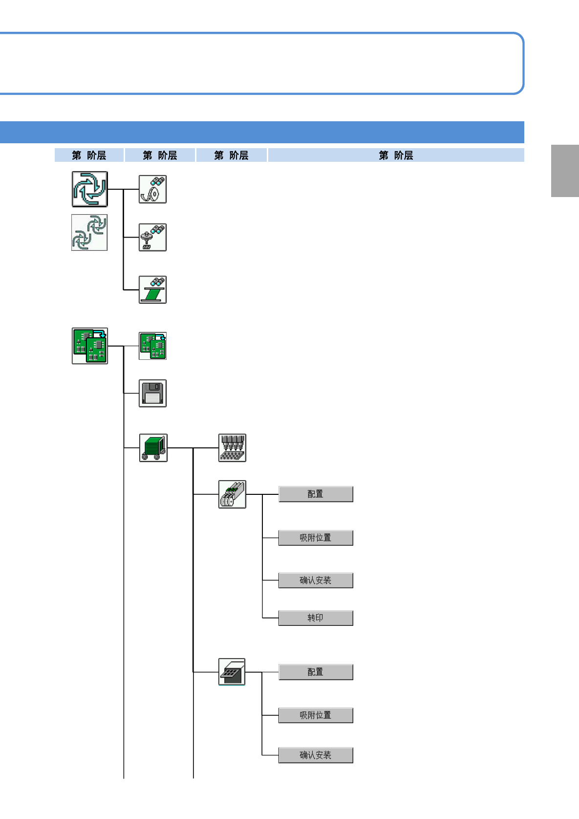
准备菜单
显示各吸嘴位置的机器数据。
准备零部件
吸嘴
确认料架状态。
料架
进行转印单元的操作。
(搭载转印单元时会显示)
用颜色来显示生产数据和料架状态。
根据各料架地址来确认生产中的吸着
位置学习后的补正值。
确认托盘状态。
托盘
用颜色来显示生产数据和托盘状态。
根据各料架地址来确认生产中的吸着
位置学习后的补正值。
1 2 3 4

NPM-TT2 EJM1EC-MB-02O-00
事先计算生产计划所需的元件消耗量。
生产计划
2-2-2
-7
工程师模式 2
各部位
名称
4
操作篇
2-2-2
准备菜单
准备零部件
进行基板支撑销单元的更换动作。
显示基板位置,从各位置进行传送。
调整基板的宽度。
生产信息
菜单
显示各基台的运转时间的信息。
运转信息
吸着情報
显示有关元件的吸着信息。
显示有关元件的吸着信息。
有关紧急停止错误的信息,按照时间的最新顺序可以
最多显示50件。
停止履历
有关自动运转中发生的真空传感器错误的信息,
显示最新的50件。
履历
真空传感器错误履历
吸着监视器
确认支撑销(自动更换用)的位置、数
量。(支撑销自动更换规格时显示。)
传送带
1 2 3 4

NPM-TT2 EJM1EC-MB-02O-00
2-2-2
-8
传送带
更换消磨零件
定期检查
确认各周期的检查项目和操作履历。
显示消磨零件的更换信息。
精度验证结果
显示精度验证结果。
维护菜单
XY单元
进行XY单元的维护作业。
贴装头
进行贴装头的维护作业。
进行基板传送的维护作业。
维护作业
托盘
进行托盘供料器的维护作业。
(设置托盘供料器时显示)
1 2 3 4