EJM1A-E-WDBA-0002-A4.pdf - 第175页
4. OPTION 4-8 L A SE R I/F BOX: A R (L A SER I/F 2) EJM1A- E-W DB0A- A00-00

1.
= MEMO =
EJM1A-E-WDB0A-A01-00

4. OPTION
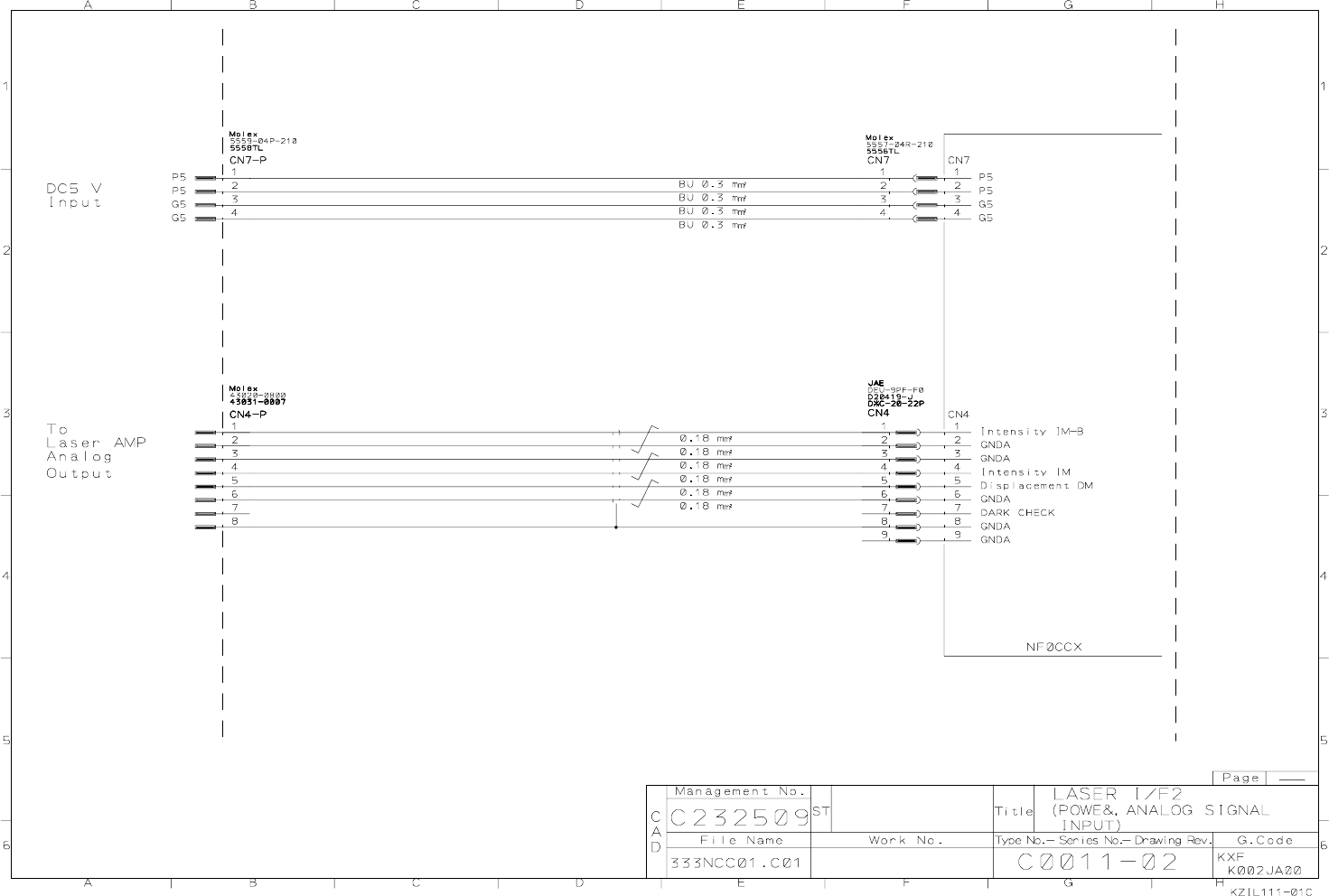
4-8 LASER I/F BOX: AR (LASER I/F 2)
EJM1A-E-WDB0A-A00-00

4. OPTION 4-8 L A SE R I/F BOX: A R (L A SER I/F 2) EJM1A- E-W DB0A- A00-00


