EJM1A-E-WDBA-0002-A4.pdf - 第237页
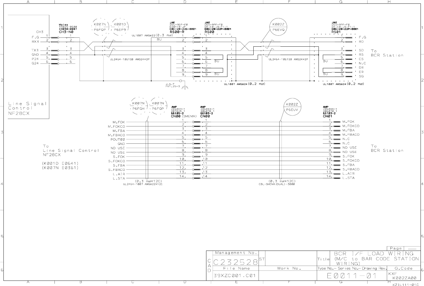
4. OPTION 4-19 BCR (BAR CODE READER ST A TI ON) I/F LO A D WIRING DIAGRA M EJM1A- E-W DB0A- A00-00


4. OPTION
4-19 BCR (BAR CODE READER STATION) I/F
LOAD WIRING DIAGRAM
EJM1A-E-WDB0A-A00-00

4. OPTION 4-19 BCR (BAR CODE READER ST A TI ON) I/F LO A D WIRING DIAGRA M EJM1A- E-W DB0A- A00-00


