文档中心
/
EJM1A-E-WDBA-0002-A4.pdf
EJM1A-E-WDBA-0002-A4.pdf - 第280页
在线预览 EJM1A-E-WDBA-0002-A4.pdf PDF 文档。
目录
100%
显示:宽度
宽度
1 / 320
回到旧版
旧版
?
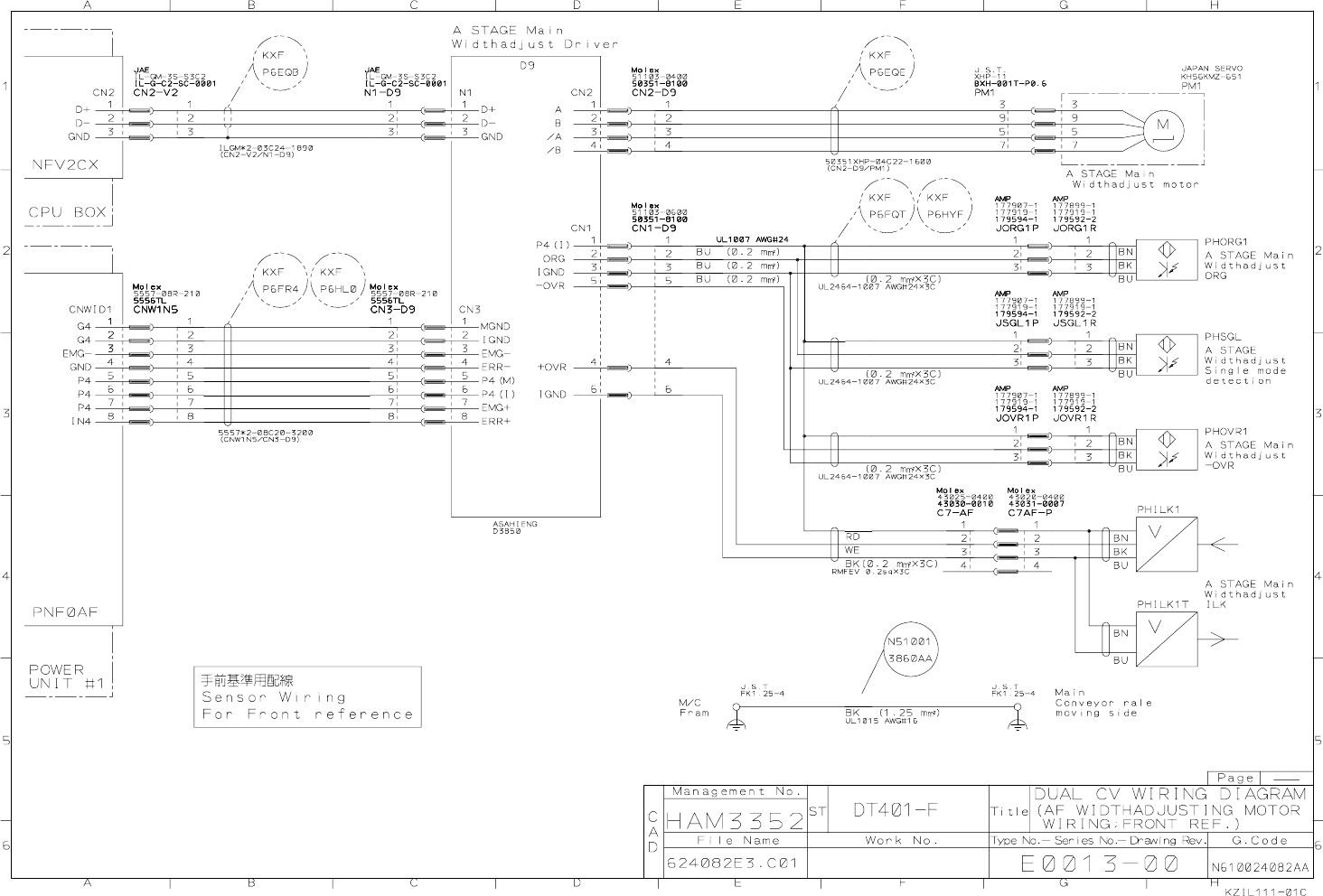
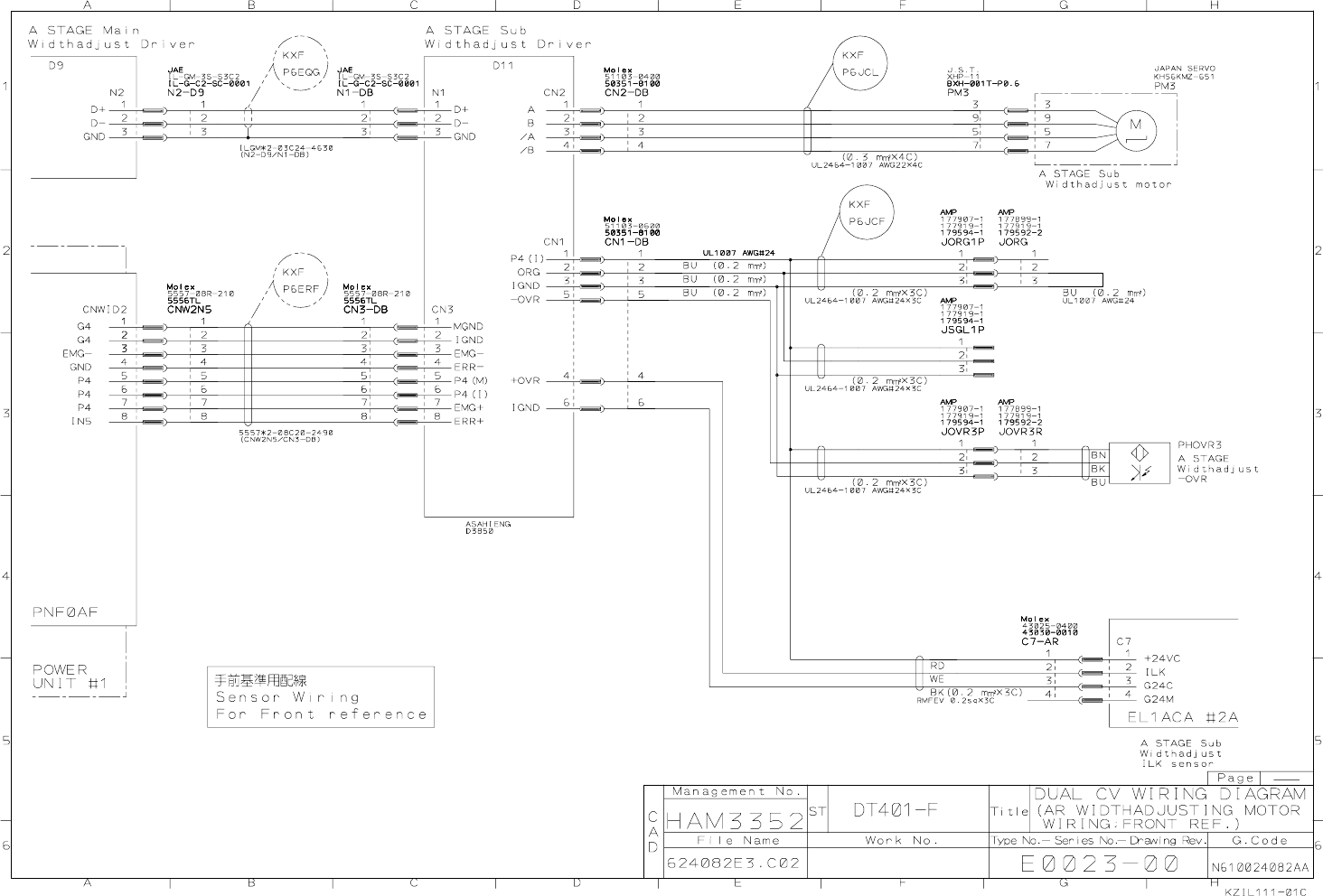
4. OPTION
4-32 DU
A
L
CONVEYOR WIRING DI
A
GRAM
EJM1A-
E-W
DB0A-
A00-00
该页面需要启用 JavaScript 才能进行交互式预览。