文档中心
/
EJM1A-E-WDBA-0002-A4.pdf
EJM1A-E-WDBA-0002-A4.pdf - 第217页
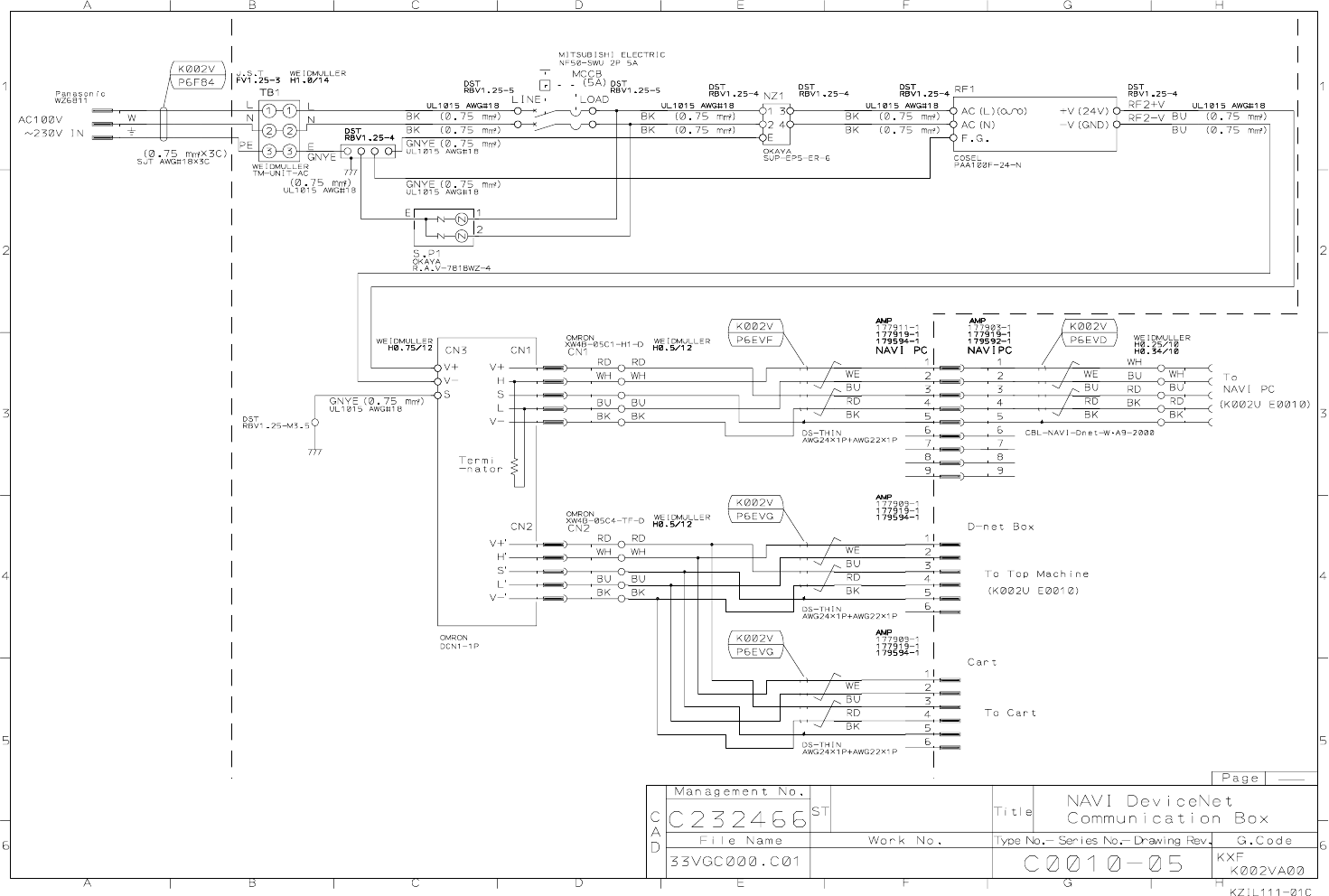
4. OPTION 4-14 NAVI COMMUNIC A TI ON BOX EJM1A- E-W DB0A- A00-00
目录
100%
显示:宽度
宽度
1 / 320
回到旧版
旧版
?
4. OPTION
4-14 NAVI COMMUNIC
A
TI
ON BOX
EJM1A-
E-W
DB0A-
A00-00
该页面需要启用 JavaScript 才能进行交互式预览。