EJM1A-E-WDBA-0002-A4.pdf - 第224页
在线预览 EJM1A-E-WDBA-0002-A4.pdf PDF 文档。

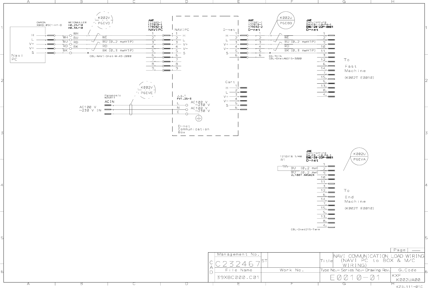
4. OPTION
4-16 NAVI COMMUNICATION LOAD
WIRING DIAGRAM
EJM1A-E-WDA0A-A00-00 EJM1A-E-WDB0A-A00-00


4. OPTION
4-17 CART STAND BOX
EJM1A-E-WDB0A-A00-00
在线预览 EJM1A-E-WDBA-0002-A4.pdf PDF 文档。


