EJM1A-E-WDBA-0002-A4.pdf - 第187页
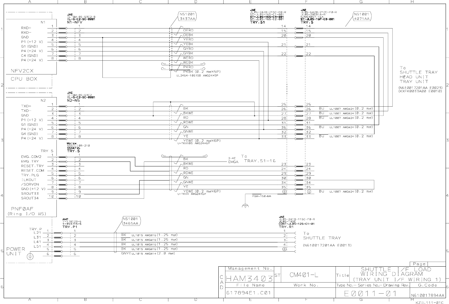
4. OPTION 4-10 SHUTTLE I/ F LO A D WIRING DI A G RAM EJM1A- E-W DB0A- A00-00


4. OPTION
4-10 SHUTTLE I/F LOAD WIRING DIAGRAM
EJM1A-E-WDB0A-A00-00

4. OPTION 4-10 SHUTTLE I/ F LO A D WIRING DI A G RAM EJM1A- E-W DB0A- A00-00


