5OM-1285-008_w.pdf - 第101页
4-10 Tg1172-ID-MD 0603-005 ✚วࡉࡠ࠶ࠢធ⛯࿑# ㇱ⚦࿑ ✚วࡉࡠ࠶ࠢធ⛯࿑# ㇱ⚦࿑

4-9
Tg1172-ID-MD
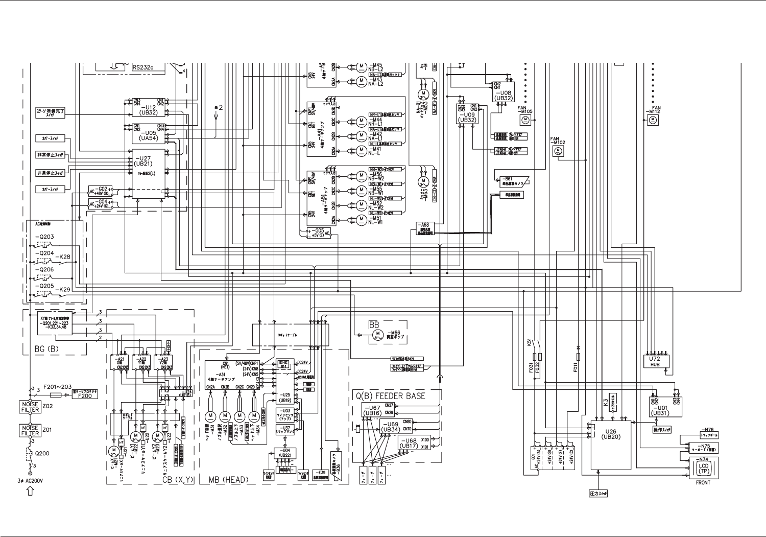
✚วࡉࡠ࠶ࠢធ⛯࿑
✚วࡉࡠ࠶ࠢធ⛯࿑
0603-005
#
$

4-10
Tg1172-ID-MD
0603-005
✚วࡉࡠ࠶ࠢធ⛯࿑# ㇱ⚦࿑
✚วࡉࡠ࠶ࠢធ⛯࿑# ㇱ⚦࿑

4-11
Tg1172-ID-MD
0603-005
✚วࡉࡠ࠶ࠢធ⛯࿑$ ㇱ⚦࿑
✚วࡉࡠ࠶ࠢធ⛯࿑$ ㇱ⚦࿑