5OM-1285-008_w.pdf - 第153页
4-62 Tg1172-ID-MD 0603-005 -(M829WQ---0024) 7$ࠪࠕ࡞ㅢା ࡈࠖ࠳ࡌࠬ $ 7$ࠪࠕ࡞ㅢା ࡈࠖ࠳ࡌࠬ $

4-61
Tg1172-ID-MD
0603-005 A(M829WQ---0023)
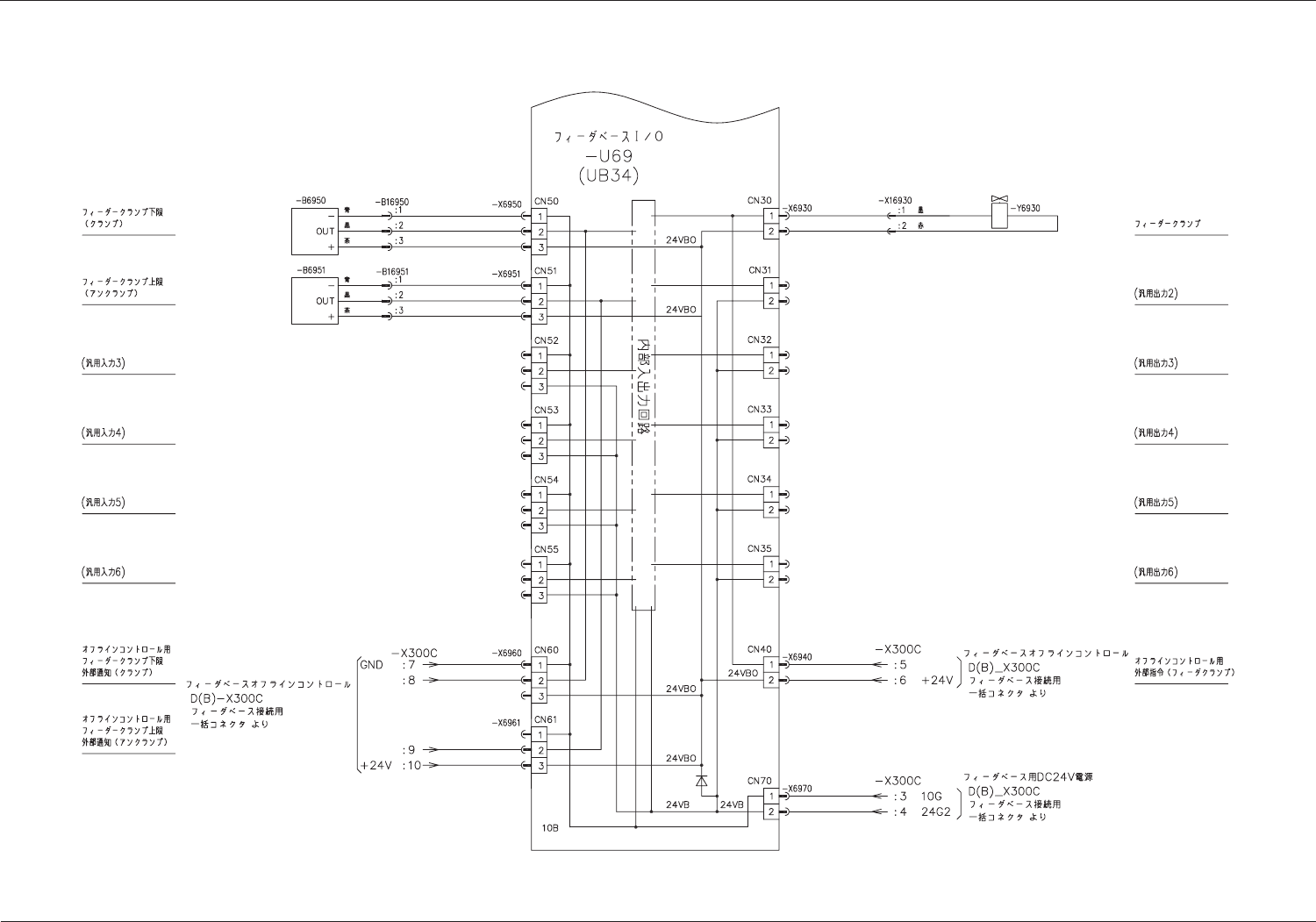
7$+1 ࡏ࠼ࡈࠖ࠳ࡌࠬ $
7$+1 ࡏ࠼ࡈࠖ࠳ࡌࠬ $

4-62
Tg1172-ID-MD
0603-005 -(M829WQ---0024)
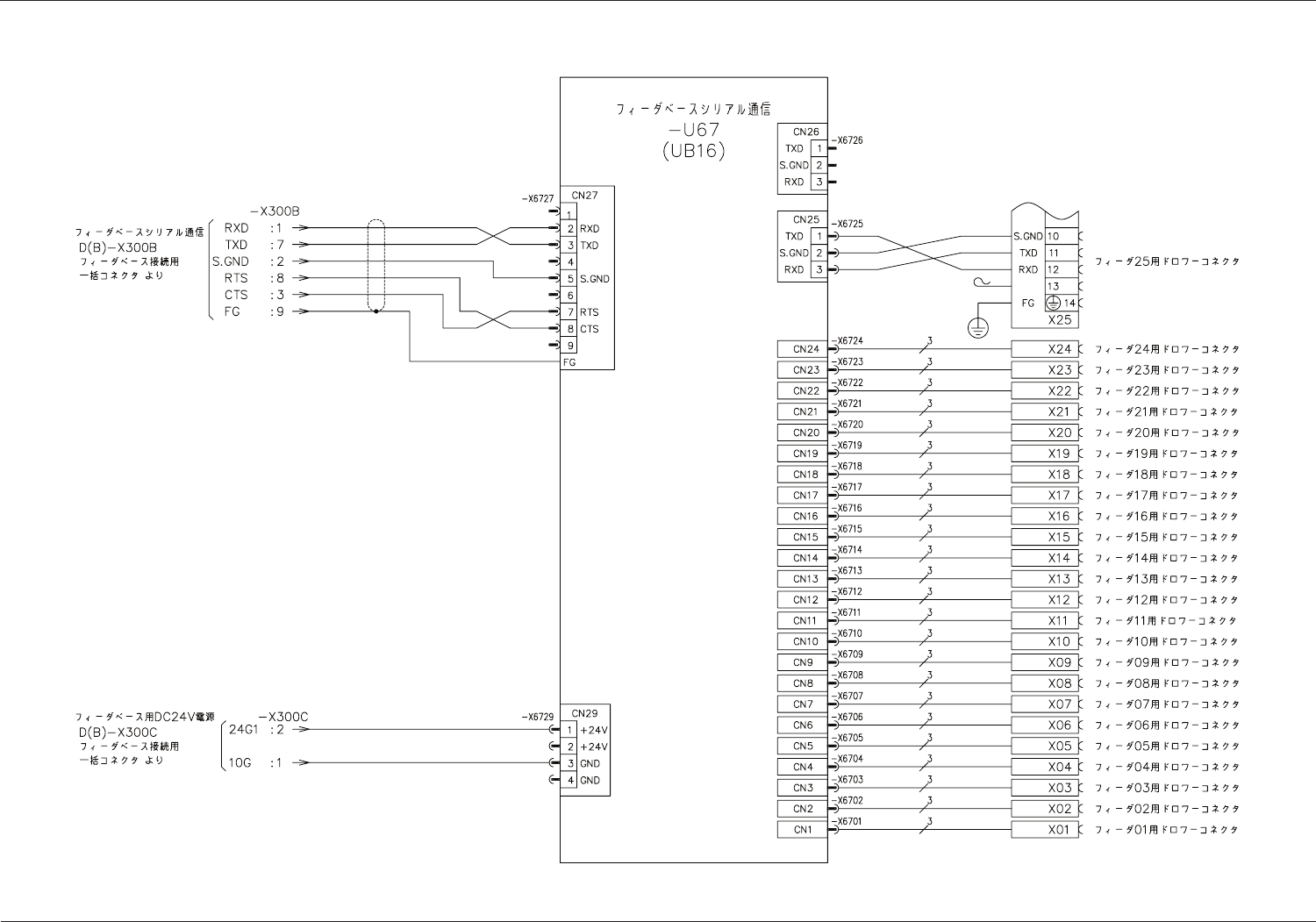
7$ࠪࠕ࡞ㅢା ࡈࠖ࠳ࡌࠬ $
7$ࠪࠕ࡞ㅢା ࡈࠖ࠳ࡌࠬ $

4-63
Tg1172-ID-MD
0603-005 -(M829WR---0001)
⼂ធ⛯࿑
⼂ធ⛯࿑㧔㧕