5OM-1285-008_w.pdf - 第111页
4-20 Tg1172-ID-MD 0603-005 B(M829WBL-0006) 7$+ ࡏ࠼ᧄ . 7$+ ࡏ࠼ᧄ .

4-19
Tg1172-ID-MD
0603-005 -(M829WBL--0005)
7#+ ࡏ࠼+.$176.
7#+ ࡏ࠼+.$176.

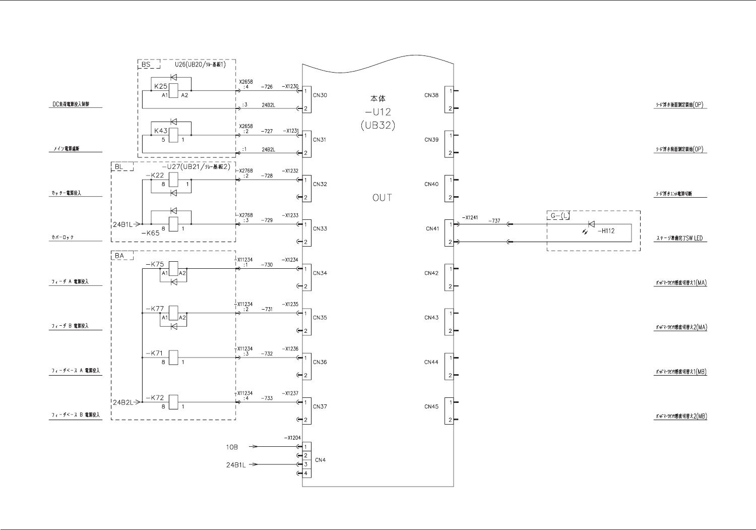
4-20
Tg1172-ID-MD
0603-005 B(M829WBL-0006)
7$+ ࡏ࠼ᧄ .
7$+ ࡏ࠼ᧄ .

4-21
Tg1172-ID-MD
0603-005 A(M829WBL-0007)
7$+ ࡏ࠼ᧄ .
7$+ ࡏ࠼ᧄ .