YS100_Ope_E.pdf - 第44页
1-9 1 Part names and functions 3.3 Nozzle station (option) T he nozzle station accommodates various nozzles for automatic change. T he YS100/FNC with an optional nozzle station enables automatic nozzle change on Heads 1,…

1-8
1
Part names and functions
n
Narrow adjacent type
Eight types of narrow adjacent nozzles can be chosen and attached to the mating head.
Nozzle type
Head No.
Typical components
FNC type SF type
Type 310A
1, 3, 5, 7 All heads 0402 to 0603 size components, etc.
Type 311A
1, 3, 5, 7 All heads
0603 size components
Type 311F 2, 4, 6, 8
Type 312A
1, 3, 5, 7 All heads
1005 to 1608 size components
Type 312F 2, 4, 6, 8
Type 313A
1, 3, 5, 7 All heads
2012 to 3225 size components
Type 313F 2, 4, 6, 8
Type 314A
1, 3, 5, 7 All heads
4532 to 7343 size components, SOP, etc.
Type 314F 2, 4, 6, 8
Type 315A
1, 3, 5, 7 All heads QFP, etc.
Type316A
All heads QFP, BGA, etc.
Type 317A
1, 3, 5, 7 All heads Cylindrical chip (Melf type) components only
Type A nozzles
Type A nozzles (310A, 311A, 312A, 313A, 314A, 315A, 316A and 317A) can be attached to all heads of eight-in-line SF
multi-head assemblies or to Heads 1, 3, 5 and 7 of eight-in-line FNC multi-head assemblies.
Type 316A nozzle cannot be attached to eight-in-line FNC multi-head assemblies.
Type F nozzles
The eight-in-line FNC multi-head assemblies have a flying nozzle changer (FNC) at the tip of Heads 2, 4, 6 and 8.
Nozzles that attach to the FNC heads are selectable from two combinations: "Types 311F, 312F and 313F" or "Types 312F,
313F and 314F".
c
machines.
n
NOTE
For detailed information on component types and size, refer to the specification sheets that come with the machine.

1-9
1
Part names and functions
3.3 Nozzle station (option)
The nozzle station accommodates various nozzles for automatic change.
The YS100/FNC with an optional nozzle station enables automatic nozzle change on Heads 1, 3, 5 and 7 (not
on Heads 2, 4, 6 and 8). The YS100/SF with an optional nozzle station enables automatic nozzle change on all
heads.
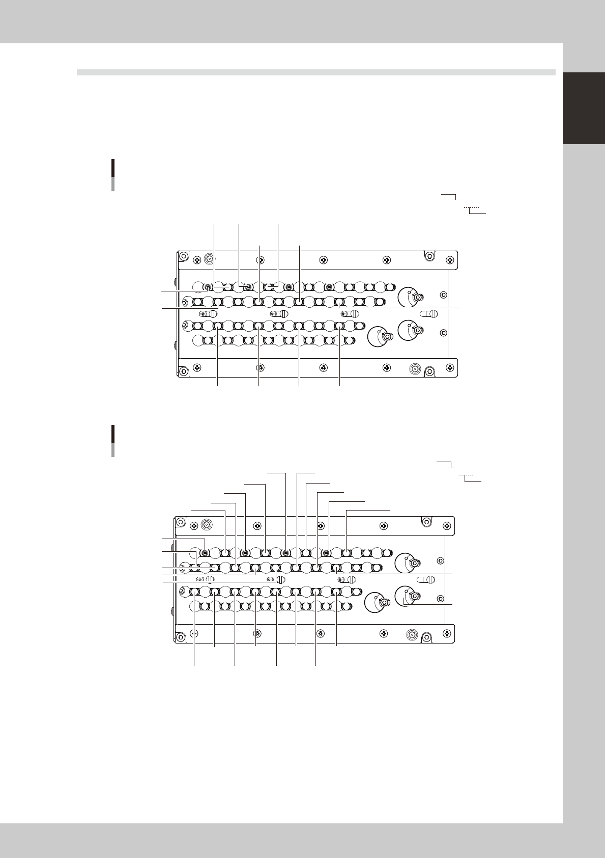
The drawings below show the nozzle station No. and the allotted head No. and mating nozzle type.
Nozzle station for FNC head
30X type
H1-304A
H1-301A
H7-304A
H3-304A
H1-302A
H3-302AH5-302A
H7-302A
H3-301AH5-301AH7-301A
8 7 6 5 4 3 2 1
33
34
35
32 31 30 29 28 27 26 25
38 37
36
40 39
16 15 14 13 12 11 10 9
24 23 22 21 20 19 18 17
H3-304A
H1-302A
Nozzle No.
Head No.
23113-L1-00
Nozzle station for SF head
30X type
H4-302A
H5-304A
H3-304A
H6-302A
H1-304A
H8-303A
H5-302A
H2-303A
H4-303A
H2-302A
H6-303A
H3-302A
H8-302A
H7-304A
H7-302A
H1-302A
H1-302A
H1-301A
H2-301AH4-301AH6-301AH8-301A
H3-301AH5-301AH7-301A
35
32 31 30 29 28 27 26 25
38 37
40 39
24 23 22 21 20 19 18 17
8 7 6 5 4 3 2 1
33
34
36
16 15 14 13 12 11 10 9
H1-305A
Nozzle No.
Head No.
23112-L1-00

1-10
1
Part names and functions
Nozzle station for FNC head
31X type (FNC-A)
H5-315A
H3-315A
H1-315A
H7-314A
H5-313A
H1-314A
H3-314A
H5-314A
H3-313A
H7-315A
H7-313A
H1-313A
H1-302A
H1-312AH3-312AH5-312AH7-312A
35
32 31 30 29 28 27 26 25
38 37
40 39
24 23 22 21 20 19 18 17
8 7 6 5 4 3 2 1
33
34
36
16 15 14 13 12 11 10 9
Nozzle No.
Head No.
23116-L1-00
Nozzle station for FNC head
31X type (FNC-B)
H1-315A
H1-312A
H1-311A
H3-311A
H5-311A
H7-311A
H7-315A
H3-315A
H1-313A
H3-313AH5-313A
H7-313A
H3-312AH5-312AH7-312A
8 7 6 5 4 3 2 1
33
34
35
32 31 30 29 28 27 26 25
38 37
36
40 39
16 15 14 13 12 11 10 9
24 23 22 21 20 19 18 17
H5-315A
H1-302A
Nozzle No.
Head No.
23124-L1-00
Nozzle station for SF head
31X type
H4-313A
H5-315A
H3-315A
H6-313A
H1-315A
H8-314A
H5-313A
H2-314A
H4-314A
H2-313A
H6-314A
H3-313A
H8-313A
H7-315A
H7-313A
H1-313A
H1-302A
H1-312A
H1-311A
H1-316A
H2-311AH7-311A
H8-311A
H2-312AH6-312A
H3-311AH6-311A
H3-312AH5-312A
H4-311A
H4-312A
H5-311A
H8-312A
H7-312A
35
32 31 30 29 28 27 26 25
38 37
40 39
24 23 22 21 20 19 18 17
8 7 6 5 4 3 2 1
33
34
36
16 15 14 13 12 11 10 9
Nozzle No.
Head No.
23127-L1-00