NPM-W2 20170529.pdf - 第440页
65-B 3ノズルヘ ッド V 2 3 Nozzle H ead V2 パーツレイアウト Kit No. キット 品番 Kit Name キット名称 MTKA009365AA セクションNo. PARTS LAYOUT Section No. - - O235 ( KMTKA009365AA-04-2 )

Ref
No.
Remarks R
1
Q'ty
65-A
3ノズルヘッド V2
3 Nozzle Head V2
イラスト
No.
Part No.
品 名品 番 数量
R
2
パーツリスト
Kit No.
キット品番
Kit Name
キット名称
MTKA009365AA
Part Name
備 考
セクションNo.
PARTS LIST
Section No.
R
3
PLATE
1
1 MTKA014918AB
WASHER
2
2 N210118728AA
HANDLE
2
3 N210199442AC
GUIDE-BLOCK
1
4 MTKA015734AA
BRACKET
1
5 MTPB008144AC
BRACKET
1
6 MTPB008143AC
COVER
1
7 MTPB012029AB
COVER
1
8 MTPB012030AA
COVER
1
9 MTPB011543AA
BOLT
6
10 N510002011AA SRBS-M4X10
SCREW
14
11 N510045431AA
Cross recessed pan head machine screw with RPW M3X5-4.8 A2S
SPACER
2
12 N510031805AA CB-530E
BOLT
2
13 N510017750AA
Hexagon head bolt Best class M5X45-6g 4T A2J (Trivalent)
FAN
1
14 N510044728AA 109P0424H738
BOLT
2
15 MTNK000686AA
SSS 003 Hexagon socket button head screw M3X25-10.9 A2J (Trivalent)
BOLT
4
16 MTNK002869AA
Ultra Low Head Cap Screw M3X4-8.8 A2S(Trivalent)
SPACER
2
17 MTNK002836AA ASL-323E
SPACER
2
18 MTNK000242AA ASL-328E
GROMMET
1
19 MTNK000283AA C-30-NG-79-G-EP-UL
GROMMET
1
20 MTNK000474AA C-30-NG-79-J-EP-UL
BOLT
10
21 N510000323AA
Hexagon socket button head screw M3X6 Steel Black oxide finish 12.9
SPACER
1
22 MTNK000653AA CL-404E
BOLT
1
23 N510017517AA
SSS 003 Hexagon socket button head screw M4X12-10.9 A2J (Trivalent)
BOLT
3
24 N510017536AA
SSS 003 Hexagon socket button head screw M4X8-10.9 A2J (Trivalent)
TAPE
1
25 N510012375AA #130AS50
TUBE(70mm CUT)
2
26 N610168520AA
O234
--
( KMTKA009365AA-04-1 )

65-B
3ノズルヘッド V2
3 Nozzle Head V2
パーツレイアウト
Kit No.
キット品番
Kit Name
キット名称
MTKA009365AA
セクションNo.
PARTS LAYOUT
Section No.
--
O235
( KMTKA009365AA-04-2 )

Ref
No.
Remarks R
1
Q'ty
65-B
3ノズルヘッド V2
3 Nozzle Head V2
イラスト
No.
Part No.
品 名品 番 数量
R
2
パーツリスト
Kit No.
キット品番
Kit Name
キット名称
MTKA009365AA
Part Name
備 考
セクションNo.
PARTS LIST
Section No.
R
3
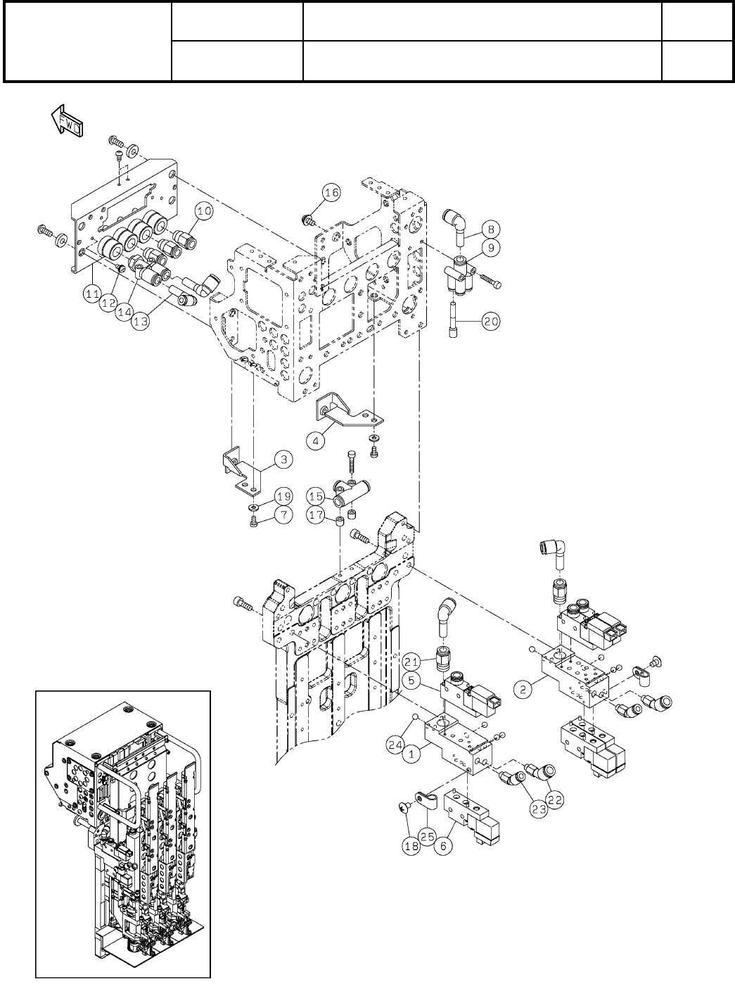
MANIFOLD
1
1 MTPA020229AC
MANIFOLD
1
2 MTPA020307AC
BRACKET
1
3 MTPB009651AA
BRACKET
1
4 MTPB009652AA
VALVE
3
5 MTNP001547AA VQZ115R-5LOZ1-C4-X513
VALVE
3
6 N510056974AA VQZ115R-5MOZ1-CP-X550
BOLT
4
7 N510067764AA Low Head Cap Screw M3X6-8.8 A2J(Trivalent)
JOINT
4
8 N510066692AA KQ2L06-99A
JOINT
1
9 N510066636AA KQ2UD04-06A
JOINT
3
10 N510067913AA FR6-01M
COUPLER
1
11 N510068803AA MA-MS10PF-4(CS38884-0)
SCREW
1
12 XYN3+J6FN
Cross recessed Pan head machine screw with SW & Small round-plain was
JOINT
1
13 N510066792AA KQ2L04-06A
JOINT
1
14 N510067530AA KQ2U06-01AS
JOINT
1
15 N510066463AA KQ2T06-00A
SCREW
1
16 XYN4+J6FN
Cross recessed Pan head machine screw with Spring washer & Small round
SPACER
2
17 N510059492AA CL-305E
SCREW
2
18 N510018279AA
Cross recessed Truss head machine screw M4X6-4.8 A2J (Trivalent)
WASHER
4
19 MTNK000670AA UW-0308-10
JOINT
1
20 KXF09QCAA00 KQ2P-04
JOINT
2
21 N510066019AA KQ2H06-01AS
JOINT
2
22 N510066703AA KQ2K06-M5A
JOINT
2
23 N510066785AA KQ2K04-M5A
STEEL-BALL
8
24 KXF081WAA00 4.5mm
CLIP
2
25 KXF08EUAA00 NK-4N
O236
--
( KMTKA009365AA-04-2 )