NPM-W2 20170529.pdf - 第679页
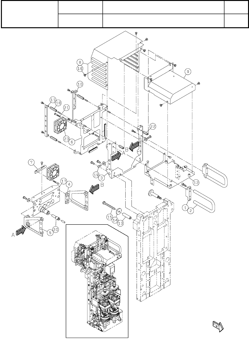
Ref No. Remarks R 1 Q'ty 146-E 塗布ヘッド:NPM DISPENSER HEAD:NPM イラスト No. Part No. 品 名 品 番 数量 R 2 パーツリスト Kit No. キット品番 Kit Name キット名称 N610157748AA Part Nam e 備 考 セク ショ ンNo . PARTS LIST Section No. R 3 HOLDER 2 1 N2101088…

146-E
塗布ヘッド:NPM
DISPENSER HEAD:NPM
パーツレイアウト
Kit No.
キット品番
Kit Name
キット名称
N610157748AA
セクションNo.
PARTS LAYOUT
Section No.
--
O473
( KN610157748AA-08-5 )

Ref
No.
Remarks R
1
Q'ty
146-E
塗布ヘッド:NPM
DISPENSER HEAD:NPM
イラスト
No.
Part No.
品 名品 番 数量
R
2
パーツリスト
Kit No.
キット品番
Kit Name
キット名称
N610157748AA
Part Name
備 考
セクションNo.
PARTS LIST
Section No.
R
3
HOLDER
2
1 N210108825AD
COLLAR
2
2 N210136910AC
HOLDER
2
3 N210151941AC
PIN
6
4 N210151938AB
SPRING
6
5 N210153222AA
HOLDER
2
6 N210159204AB
ADAPTER-HEAD
2
7 KXFB03LMA00
PLATE
2
8 N210151940AA
HOLDER
2
9 N210151939AA
HOUSING
2
10 N210136912AD
COLLAR
4
11 N210136214AB
GEAR
2
12 N210151950AA
GEAR
2
13 N210136899AA
HOLDER
2
14 N210151954AA
WASHER
2
15 N210136909AA
WASHER
2
16 N210136908AA
DOG
2
17 N210135671AC
PLATE
1
18 N210136917AB
PLATE
1
19 N210136919AB
COVER
2
20 N210151953AA
NOZZLE HOLDER
2
21 N610138872AB
OUTER SHAFT
1
22 N610138873AB
CAP
1
23 N210163600AC
COLLAR
1
24 N210135664AA
A
COLLAR
2
25 N210135665AA
A
HOLDER
1
26 N210161716AB
SHAFT
1
27 N210161717AA
CAP
1
28 N210135668AB
SPRING
1
29 N210135669AA
SCREW
2
30 N510018353AA
Hexagon socket set screw Cup point M2X2-45H A2J (Trivalent)
PIN
1
31 KXF0DAAAA00 1615101-16040
O-RING
1
32 N554C03835N0 CO3835N0
O-RING
1
33 N554C00502P3 CO0502P3
BOLT
6
34 N510067805AA
Ultra Low Head Cap Screw M3X6-8.8 A2J(Trivalent)
BEARING
4
35 N510004338AA 6803ZZCM NS7
NUT
2
36 N510003048AA FU03SUS
BEARING
4
37 KXF0DYKZA00 6704LLF
PIN
4
38 N510020581AA MMS2.5-6
PLUNGER
4
39 N510060066AA PPR-4
RING
2
40 0864C582221
A
Bancord Round Belts (#480-PHI3) (Drawing available)
O-RING
2
41 N5541AP18 P18 1-type A
JOINT
2
42 N510048080AA KSH04-01S
BOLT
4
43 N510017261AA
Hexagon socket head cap screw M2X8-10.9 A2J (Trivalent)
S-RING
2
44 KXF0ASFAA00 ISTW-18
WASHER
2
45 MTNK003302AA FFWSSB-D20.0-V17.0-T1.5
SCREW
14
46 N510018225AA
Cross recessed Truss head machine screw M2.5X4-4.8 A2J (Trivalent)
WASHER
6
47 MTNK003303AA FFWSSM-D6.0-V3.0-T1.0
SCREW
4
48 N510018251AA
Cross recessed Truss head machine screw M3X5-4.8 A2J (Trivalent)
O474
--
( KN610157748AA-08-5 )

146-F
塗布ヘッド:NPM
DISPENSER HEAD:NPM
パーツレイアウト
Kit No.
キット品番
Kit Name
キット名称
N610157748AA
セクションNo.
PARTS LAYOUT
Section No.
--
O475
( KN610157748AA-08-6 )