JAKA Zu 3及JAKA Zu 3 pro-电控柜V2.1-硬件手册( 中文版).pdf - 第23页
18 JAKA Zu 3 v1. 1 15.3Nm 扭矩紧固这些螺钉 。如果需要非常准确地 调整机器人的 位置,还可以在准 备安装的面上钻 2 个 ∅ 5mm 的销钉孔,用销钉加以定位。 也可 购买 精确的机座作为附 件来使用。将机器 人安装在一个坚 固的表 面,该表面应当足以承 受至少 10 倍的底座关节的最大 扭矩,以及至少 5 倍机器人的重量。此外, 该表面 应没有震动。如果机器 人安装在线性 轴或活动的平 台上,则安装机座的 加…

JAKA Zu
3 v1.1 17
3.2 安装
3.2.1 简要安装步骤
1.确定机器人的工作范围;
2.将机器人本体安装在底座上;
3.将所需工具安装在机器人末端。
3.2.2 重要安全说明
警告:
1.确保机器人手臂正确并安全地安装到位。
2.安装表面必须是防震的,有足够的承载能力。
警告:
1.确保工具正确并安全地安装到位。
2.确保工具安全,不会有零件意外坠落造成危险。
警告:
1.确保电控柜和电缆不接触液体。潮湿的电控柜可导致死亡。
2.电控柜不得暴露在灰尘或超出 IP44 等级或潮湿的环境下。密
切注意存在传导性灰尘的环境。
注意:
如果机器人泡在水中超过一定时间,则可能会被损坏。机器人不应安装在水中或潮湿环境中。
3.2.3 机器人本体安装
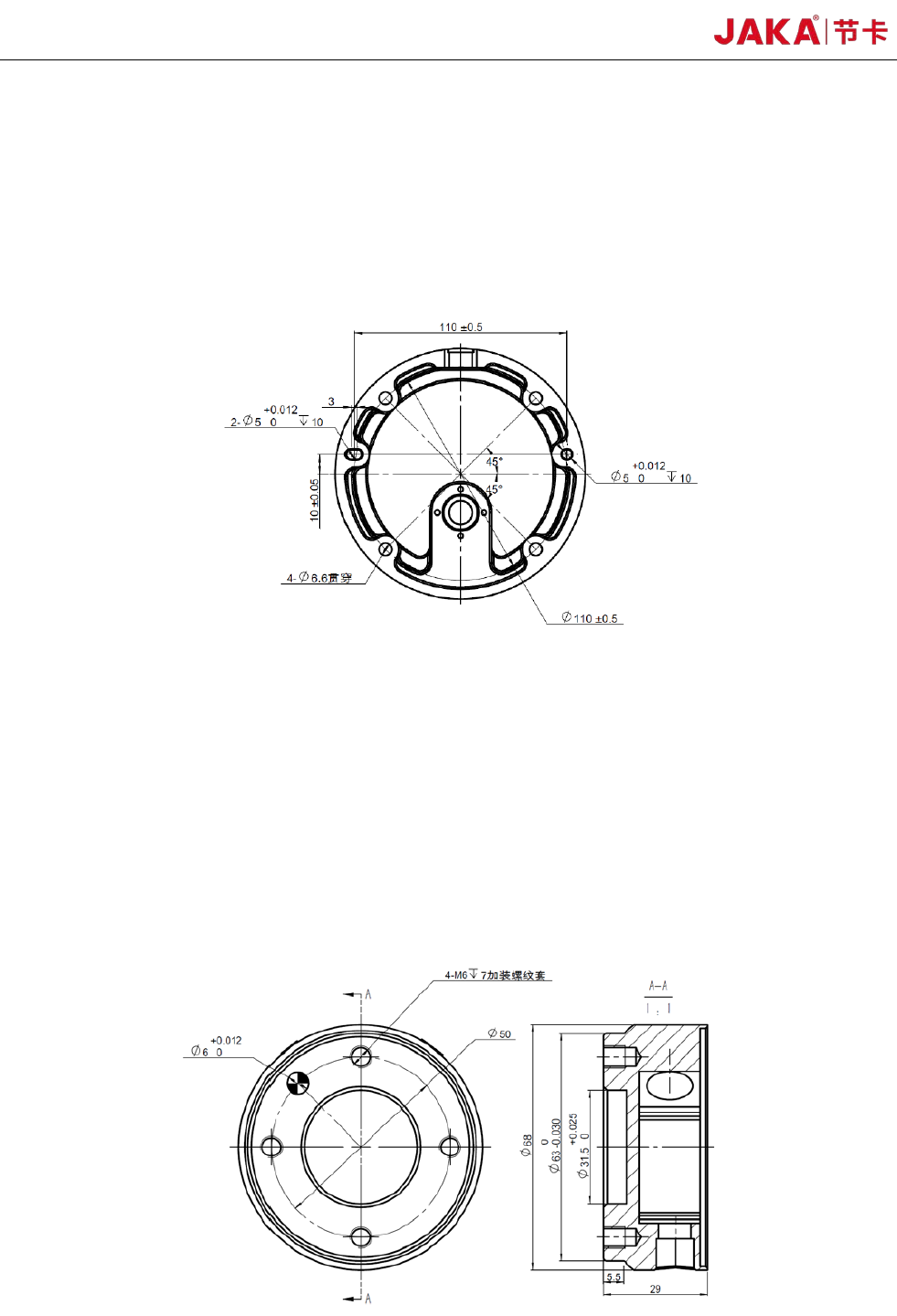
JAKA Zu 系列机器人可以 360°任意位姿安装,支持吊装、侧装等多种安装方式。几种典型的安装方式
如图 3-5 所示:
图 3-5 典型安装方式
JAKA Zu
3 使用 4 颗 M6 螺栓,通过机器人基座上的 4 个∅6.6mm 通孔来安装机器人。建议以

18 JAKA Zu
3 v1.1
15.3Nm 扭矩紧固这些螺钉。如果需要非常准确地调整机器人的位置,还可以在准备安装的面上钻 2 个
∅5mm 的销钉孔,用销钉加以定位。也可购买精确的机座作为附件来使用。将机器人安装在一个坚固的表
面,该表面应当足以承受至少 10 倍的底座关节的最大扭矩,以及至少 5 倍机器人的重量。此外,该表面
应没有震动。如果机器人安装在线性轴或活动的平台上,则安装机座的加速度应很低。因为高加速度会导
致机器人误以为撞到东西而停止运行,图 3-6 显示了机器人安装孔。所有测量值均以 mm 为单位。
图 3-6 JAKA Zu
3 基座安装尺寸图
3.2.4 末端工具安装
JAKA Zu
3 机器人末端法兰有四个 M6 螺纹孔,可用于将工具连接到机器人。在这些螺纹孔中安装螺
钉时,螺钉需要以 15.3Nm 的扭矩进行紧固。如果需要非常准确地调整工具位置,还可以在工具端钻
∅6mm 销钉孔,用销钉加以定位。图 3-7 显示了钻孔位置和螺钉安装位置,所有测量值均以 mm 为单
位。
图 3-7 末端法兰安装尺寸图

JAKA Zu
3 v1.1
19
第 4 章 电气接口
4.1 简介
本章描述了机器人和电控柜的所有电气接口。
这些接口主要包括以下几种:
•电控柜前面板接口
•电控柜底面接口
•工具端输入输出接口(TIO)
下文对这三部分接口进行了说明,大部分类型的接口都提供有使用示例。
4.2 电气警告和小心事项
在设计和安装机器人应用时,务必遵循以下警告和小心事项。实施维护作业同样要遵循这些警告和小心事
项。
危险:
1.切勿将安全信号连接到安全等级不合适的非安全型 PLC。如不遵
守该警告,可能会因某项安全停止功能失效而导致严重受伤乃至死
亡。务必将安全接口信号与普通 I/O 接口信号分开。
2.
所有安全型信号均具备冗余性(两个独立通道)。保持两个通道独
立,可确保在发生单一故障时不会丧失安全功能。
3.电控柜内部的 I/O 功能介绍,请参考第 4.3 节。
危险:
1.请确保所有严禁沾水的设备都保持干燥。如果有水进入产品,请
及时切断电源,然后联系您的供应商。
2.仅使用该机器人的原装线缆。请不要在那些线缆需要弯折的应用
中使用机器人。如果需要更长的线缆或柔性线缆,请联系您的供应
商。
3.对于保护性接地(PE),请使用电控柜中标记接地标志的螺钉接
头。接地连接器至少应具有该系统内最高电流的额定电流。
4.当向电控柜的 I/O 安装接口线缆的时候,打开柜门,去掉出线孔
金属板,并保证 I/O 线缆避免与出线孔边缘磨损。
小心:
1.机器人已通过 CR 认证中规定的电磁兼容性检测。超过标准的干
扰信号将会造成机器人的异常行为。信号电平极高或过度暴露将会
对机器人造成永久性的损害。由超出范围的 EMC 问题造成的任何
损失,节卡概不负责。
2.用于连接电控柜与其他机械或工厂设备的 I/O 线缆长度不得超过
30 米,除非进行延长测试后表明可行,且必要时需使用屏蔽线缆。