Parts List (Mechanical Parts).pdf - 第8页
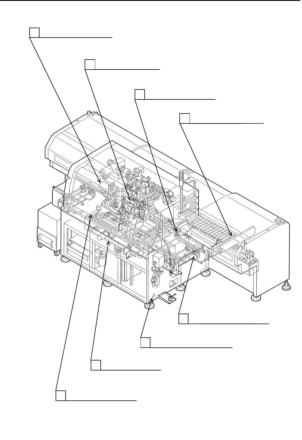
AVK3 (NM-AA30/AA31) 全体図 UNIT LAYOUT [◆標準仕様 STANDARD EQ UIPMENT] 8 移載チャック部 TRANSF ER CHUCK S ECT. 11 テ-プカッタ部 TAPE CUTTER SEC T. 3 X -Y テーブル部 X -Y TABLE SECT. 15 プリント基板搬送部 P.C.B.TRANSFER SECT. 4 ローダ・アンローダ部 LOADER & UNL…

AVK3 (NM-AA30/AA31)
全体図
UNIT
LAYOUT
[◆標準仕様 STANDARD EQUIPMENT]
9
上部アンビル部
UPPER ANVIL SECT.
10
下部アンビル部
UNDER ANVIL SECT.
13
スポットライト表示
SPOT LIGHT INDICATOR
7
挿入ユニット駆動部
INSERTION UNIT DRIVING SECT.
FZQ124783B06-2
14
スクラップダクト部
SCRAP DUCT SECT.
6
挿入ユニット部
INSERTION UNIT SECT.

AVK3 (NM-AA30/AA31)
全体図
UNIT
LAYOUT
[◆標準仕様 STANDARD EQUIPMENT]
8
移載チャック部
TRANSFER CHUCK SECT.
11
テ-プカッタ部
TAPE CUTTER SECT.
3
X
-Y
テーブル部
X
-Y TABLE SECT.
15
プリント基板搬送部
P.C.B.TRANSFER SECT.
4
ローダ・アンローダ部
LOADER & UNLOADER SECT.
FZQ124783B06-3
20
表示ラベル部
INDICATION LABEL SECT.
17
プリント基板ストッパ部
P.C.B.STOPPER SECT.
18
部品供給部
FEEDER CARRIAGE SECT.

AVK3 (NM-AA30/AA31)
全体図
UNIT
LAYOUT
[◆選択仕様 OPTIONAL EQUIPMENT]
FZQ124783B06-4
26
J.W.
ヘッド部
J.W.HEAD SECT.
30
ブザー取付部
BUZZER ATTACHMENT SECT.
1
空圧制御部
(P-PUSH)
PNEUMATIC SYSTEM SECT.(P-PUSH)
29
シグナルタワー部
SIGNAL TOWER SECT.
31
自動幅寄せ部
A
UTO WIDTH CONTROL SECT.
22
X
-Y
テーブル部
(
自動幅寄せ部
)
X
-Y TABLE SECT.(AUTO WIDTH CONTROL SECT.)
33
基板厚対応部
SPECIFICATION FOR P.B.C. THICKNESS SECT.
34
JW
ヘッド部
JW HEAD SECT.