Parts Cassette-5th.pdf - 第20页

3-1 パーツカセット(8mm × 2 紙)φ 381 Parts Cassette(8mm × 2Paper) φ 381 3 GAK-0802/P300 A A Ver.G- Ver.A-F Ver.D- Ver.A-C Ver.A-C B B 50 23 109 112 35 114 107 113 107 113 115 107 109 105 111-2 111-1 13 108 103 109 118 100 116 103…

100%1 / 200
パーツカセット(8mm×2E)φ178
Parts Cassette(8mm ×2E) φ178
2
GAK-0802/E100
ポリスライダ-丸平ワツシヤ- EC-9005
111-1 4-718-456-01 Washer, Round Flat 1 φ8,t0.3 Specify size.
10φポリワッシャー EC-9005
111-2 3-701-447-01 Washer 1 φ10,t0.13 Specify size.
ポリスライダー丸平ワッシャー EC-9005
111-2 4-718-455-11 Washer, Round Flat 1 φ10,t0.2 Specify size.
10φポリワッシャー EC-9005
111-2 3-701-447-11 Washer 1 φ10,t0.25 Specify size.
ポリスライダ-丸平ワツシヤ- EC-9005
111-2 4-718-456-11 Washer, Round Flat 1 φ10,t0.3 Specify size.
バネ座金
112 7-623-208-22 Spring washer 4 SW3 Type2
バネ座金
113 7-623-210-22 Spring washer 3 SW4 Type2
平座金(みがき丸)
114 7-688-003-11 Flat washer 2 W3
平座金(みがき丸)
115 7-688-004-11 Flat washer 2 W4
E型止め輪3
116 7-624-000-05 Stop ring 3,Type E 1 E3
E型止め輪6
117 7-624-000-08 Stop ring 6,Type E 1 E6
平座金(みがき丸)
118 7-688-005-11 Flat washer 1 W5
クッションチューブ(S)
119 4-718-018-11 Tube(S), cushion 1
2-6E
3-1
パーツカセット(8mm×2紙)φ381
Parts Cassette(8mm × 2Paper) φ381
3
GAK-0802/P300
A
A
Ver.G-
Ver.A-F
Ver.D- Ver.A-C
Ver.A-C
B
B
50
23
109
112
35
114
107
113
107
113
115
107
109
105
111-2
111-1
13
108
103
109
118
100
116
103
106
25
5
5-22
29
2-2
2
24
10
15
38
3
3-2
3-3
22
5-4
104
3-1
5-1
5-3
18
4
9
28
4-2
17
20
112
115
113
37
36
35
112
116
102
107
8
113
2-1
33
34
32
101
4-1
4-2
27
26
31
30
21
12
6(Ver.D-)
33
35
11
32
117
112
102
4-1
19
7
17-1
17-2
119
21
102-1
102
b
b
5
5-2
5-1
5-21
a a
6(Ver.A-C)
1
16
14
1-4
1-5
1-1
104
104
1-3
120
パーツカセット(8mm×2紙)φ381
Parts Cassette(8mm ×2Paper) φ381
3
GAK-0802/P300
3-2
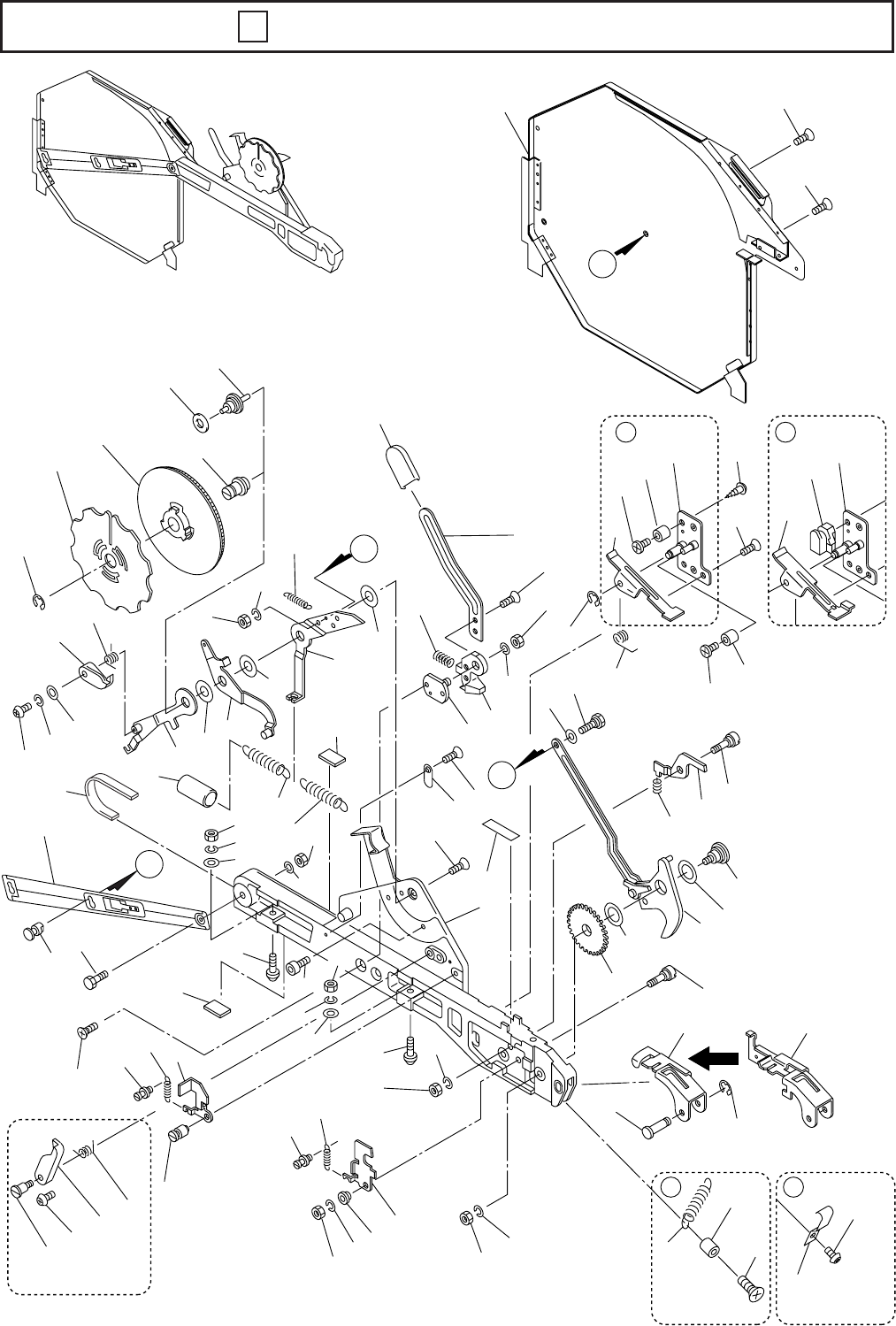
リールシャフト
1 4-714-809-01 Shaft,reel 1
リールホルダー(L)組立
1-1 X-4700-255-1 Holder(L)Ass'y,Reel 1
カバープレート(1)
1-3 4-715-139-01 Plate(1),Cover 1
スペーサー(1)
1-4 4-714-807-01 Spacer(1) A F 1
スペーサー(2)
1-5 4-714-808-01 Spacer(2) A F 1
メインシャーシ(カシメ)組立
2 X-4700-024-2 Chassis(Riveting)Ass'y,Main A F 1
メインシャーシ(カシメ)組立
X-4700-024-3 Chassis(Riveting)Ass'y,Main G 1
位置決めピン
2-1 4-702-691-02 Pin,Positioning 1
位置決め偏心ピン
2-2 4-702-692-02 Pin,Eccentric Positioning 1
クランプピン組立
3 X-4700-018-2 Pin Ass'y,Clamp 1
クランプレバーガイドAss'y
3-1 X-4700-102-1 Guide Ass'y,Clamp lever 1
クランプブロック
3-2 4-702-755-01 Block,Clamp 1
Uナット
3-3 4-702-739-01 Nut,U 1 M5
Fuji Seimitsu
巻取りレバー組立
4 X-4700-019-1 Lever Ass'y,Take-up AC 1
巻取りレバー組立
X-4700-019-2 Lever Ass'y,Take-up D 1
リール爪 AC 2
4-1 4-702-752-05 Claw,Reel D 1
リール爪ねじりコイルバネ
4-2 4-702-717-02 Spring,Torsion,Reel Claw 1
カバーピン組立
5 X-4700-015-2 Pin Ass'y,Cover 1
テープ押え組立
5-1 X-4700-016-1 Retainer Ass'y,Tape A C 1
テープ押え組立
X-4700-016-2 Retainer Ass'y,Tape D 1