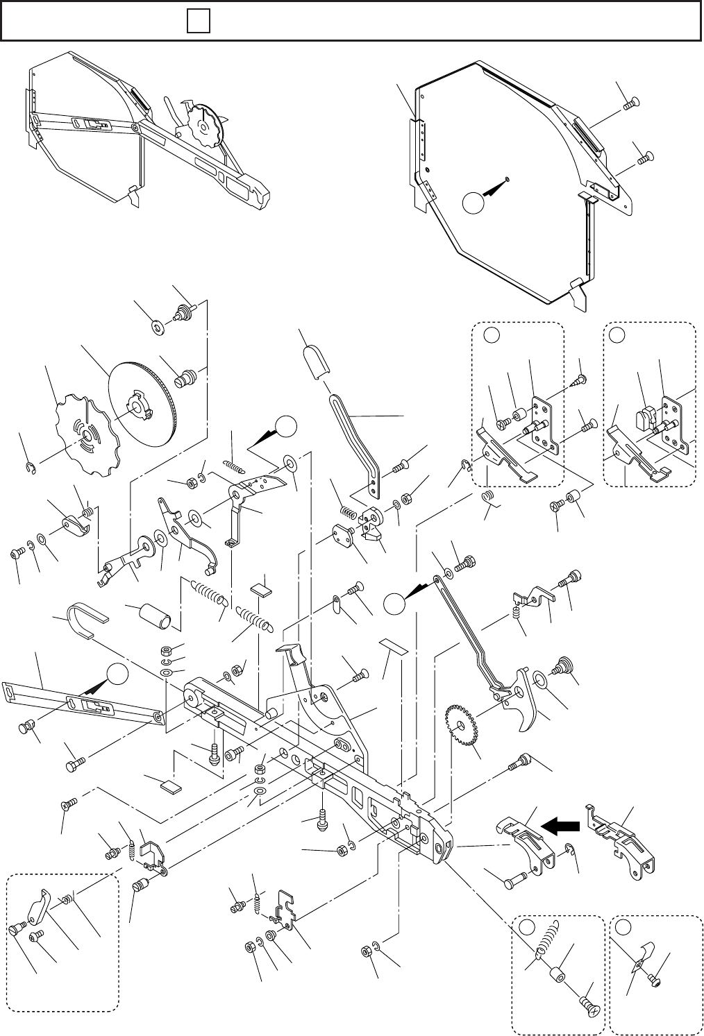
Parts Cassette-5th.pdf - 第43页

パーツカセット(8mm × 4E)φ 178 Parts Cassette(8mm × 4E) φ 178 6 GAK-0804/E100 6-6E 平座金(みがき丸) 115 7-688-004-11 Flat washer 2 W4 E 型止め輪 3 116 7-624-000-05 Stop ring 3,Type E 1 E3 E 型止め輪 6 117 7-624-000-08 Stop ring 6,Type E 1 E6 平…

100%1 / 200
パーツカセット(8mm×4E)φ178
Parts Cassette(8mm ×4E) φ178
6
GAK-0804/E100
6-5
六角穴付きボルト
37 4-702-738-01 Bolt,Hexagon Socket 1 C3×3
巻取りレバー引張りバネ
38 4-716-537-02
Spring,Tension,take-up Lever tension
1
クランプレバーキャップ
50 4-706-624-51 Cap,Clamp lever 1
十字穴付なべ小ネジ
100 7-627-556-28 Screw +P AB 1 +P2.6×3.5
十字穴付バインド小ネジ
101 7-682-546-09 Screw +B AC 1 +B3×5
十字穴付なべ小ネジ AF 2
102 7-681-000-44 Screw +P G 1 +P3×5
十字穴付なべ小ネジ
black G mark
7-682-149-02 Screw +P G 1 +P3×10
十字穴付皿小ネジ
7-681-000-05 Screw +K G 1 +K3×12
バネ掛けスペーサー
black G mark
102-1 4-716-121-02 Spacer,Spring hook G 1
十字穴付さら小ネジ
103 7-682-247-09 Screw Pan Head 6 +K3×6
十字穴付さら小ネジ
104 7-682-260-09 Screw Pan Head 2 +K4×6
十字穴付さら小ネジ
105 7-682-261-09 Screw Pan Head 9 +K4×8
十字穴付さら小ネジ
106 7-682-249-02 Screw Pan Head 9 +K3×10
ナット
107 7-684-024-04 Nut 3 N4 Type2
ポリスライダー
108 3-701-443-11 Slider 1 φ5,t0.25
ポリスライダー
109 3-701-446-01 Slider 2 φ8,t0.13
ウェーブワッシャー
111 4-760-676-01 Wave washer 1 φ11.5
バネ座金
112 7-623-208-22 Spring washer 4 SW3 Type2
バネ座金
113 7-623-210-22 Spring washer 3 SW4 Type2
平座金(みがき丸)
114 7-688-003-11 Flat washer 2 W3
パーツカセット(8mm×4E)φ178
Parts Cassette(8mm ×4E) φ178
6
GAK-0804/E100
6-6E
平座金(みがき丸)
115 7-688-004-11 Flat washer 2 W4
E型止め輪3
116 7-624-000-05 Stop ring 3,Type E 1 E3
E型止め輪6
117 7-624-000-08 Stop ring 6,Type E 1 E6
平座金(みがき丸)
118 7-688-005-11 Flat washer 1 W5
クッションチューブ(L)
119 4-718-018-01 Tube(L), cushion 1 EC-8014
7-1
パーツカセット(8mm×4紙)φ381
Parts Cassette(8mm × 4Paper) φ381
7
GAK-0804/P300
A
A
Ver.G-
Ver.A-F
Ver.D- Ver.A-C
Ver.A-C
B
B
50
23
109
112
35
114
107
113
107
113
115
107
109
105
111
13
108
103
109
118
100
116
103
106
25
5
5-22
29
2-2
2
24
10
15
38
3
3-2
3-3
22
5-4
104
3-1
5-1
5-3
18
4
9
28
4-2
17
20
112
115
113
37
36
35
112
116
102
107
8
113
2-1
33
34
32
101
4-1
4-2
27
26
31
30
21
12
6(Ver.D-)
33
35
11
32
117
112
102
4-1
19
7
17-1
17-2
119
21
102-1
102
b
b
5
5-2
5-1
5-21
a a
6(Ver.A-C)
1
16
14
1-4
1-5
1-1
104
104
1-3
120