Parts Cassette-5th.pdf - 第8页

1-1 パーツカセット(8mm × 2 紙)φ 178 Parts Cassette(8mm × 2Paper) φ 178 1 GAK-0802/P100 B A B A Ver.G- Ver.A-F Ver.D- Ver.A-C Ver.A-C 50 23 109 112 35 114 107 113 107 113 115 107 109 105 111-2 111-1 13 108 103 109 118 100 116 103…

100%1 / 200
−II−
26 GAK-4424/E300 (44mmx24Eφ381) ………………………………………………………… 26
27 GAK-4432/E300 (44mmx32Eφ381) ………………………………………………………… 27
28 GAK-4436/E300 (44mmx36Eφ381) ………………………………………………………… 28
29 GAK-5612/E300 (56mmx12Eφ381) ………………………………………………………… 29
30 GAK-3220/E300 (32mmx20Eφ381) ………………………………………………………… 30
31 GAK-3228/E300 (32mmx28Eφ381) ………………………………………………………… 31
32 GAK-3212/P200A (32mmx12Paperφ300) ………………………………………………… 32
1-1
パーツカセット(8mm×2紙)φ178
Parts Cassette(8mm × 2Paper) φ178
1
GAK-0802/P100
B
A
B
A
Ver.G-
Ver.A-F
Ver.D- Ver.A-C
Ver.A-C
50
23
109
112
35
114
107
113
107
113
115
107
109
105
111-2
111-1
13
108
103
109
118
100
116
103
106
25
5
5-22
29
2-2
2
24
10
15
38
3
3-2
3-3
22
5-4
104
3-1
5-1
5-3
18
4
9
28
4-2
17
20
112
115
113
37
36
35
112
116
102
107
8
113
2-1
33
34
32
101
4-1
4-2
27
26
14
31
30
21
12
6(Ver.D-)
33
35
11
32
117
112
102
1
16
4-1
19
7
1-1
104
104
17-1
17-2
119
21
102-1
102-2
102
b
b
5
5-2
5-1
5-21
a a
120
6(Ver.A-C)
パーツカセット(8mm×2紙)φ178
Parts Cassette(8mm ×2Paper) φ178
1
GAK-0802/P100
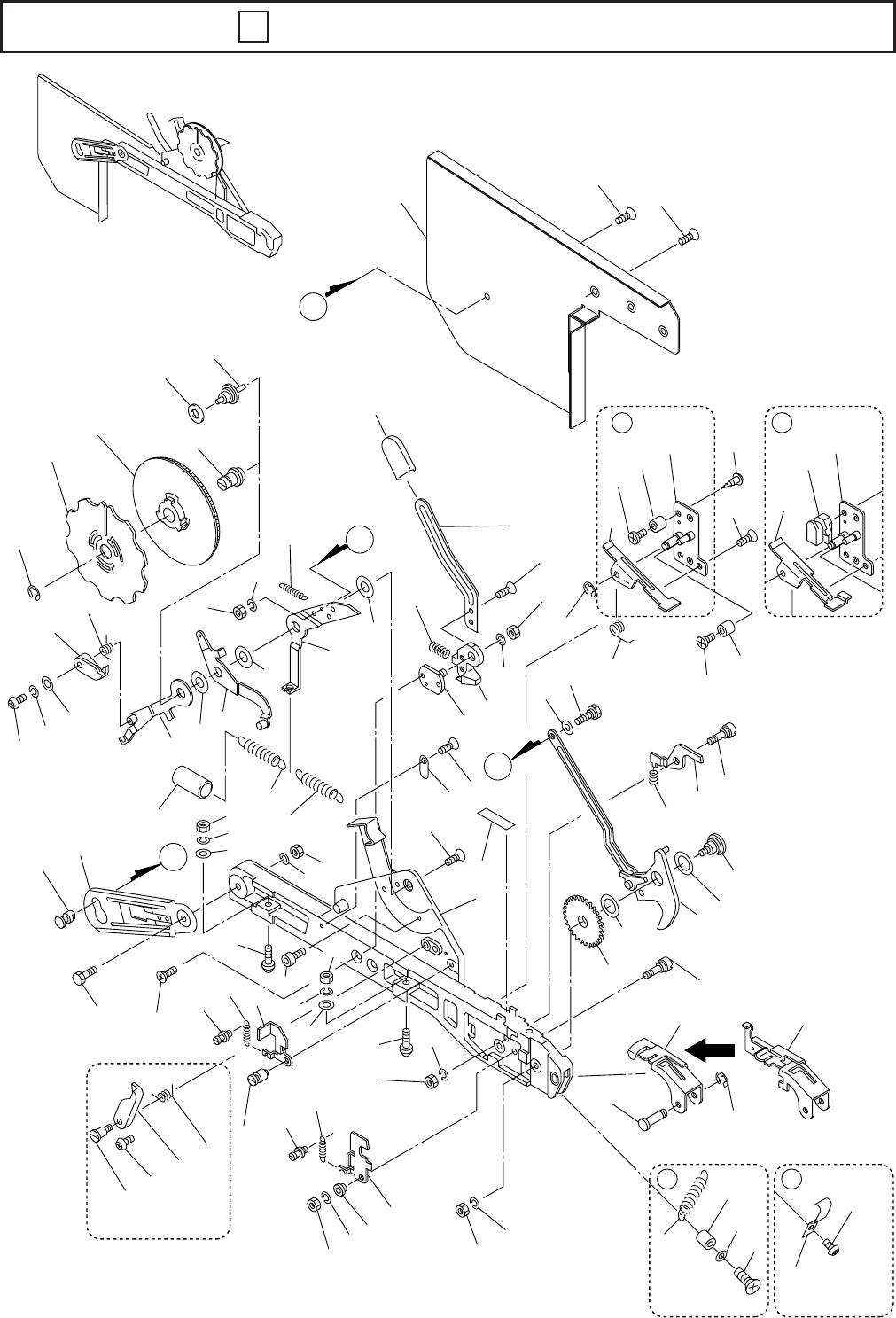
1-2
リールシャフト
1 4-702-703-03 Shaft,reel 1
リールホルダー(SS)組立
1-1 X-4700-251-2 Holder(SS)Ass'y,Reel 1
メインシャーシ(カシメ)組立
2 X-4700-024-2 Chassis(Riveting)Ass'y,Main A F 1
メインシャーシ(カシメ)組立
X-4700-024-3 Chassis(Riveting)Ass'y,Main G 1
位置決めピン
2-1 4-702-691-02 Pin,Positioning 1
位置決め偏心ピン
2-2 4-702-692-02 Pin,Eccentric Positioning 1
クランプピン組立
3 X-4700-018-2 Pin Ass'y,Clamp 1
クランプレバーガイドAss'y     
3-1 X-4700-102-1 Guide Ass'y,Clamp lever 1
クランプブロック
3-2 4-702-755-01 Block,Clamp 1
Uナット
3-3 4-702-739-01 Nut,U 1 M5
Fuji Seimitsu
巻取りレバー組立
4 X-4700-019-1 Lever Ass'y,Take-up AC 1
巻取りレバー組立
X-4700-019-2 Lever Ass'y,Take-up D 1
リール爪 AC 2
4-1 4-702-752-05 Claw,Reel D 1
リール爪ねじりコイルバネ
4-2 4-702-717-02 Spring,Torsion,Reel Claw 1
カバーピン組立
5 X-4700-015-2 Pin Ass'y,Cover 1
テープ押え組立
5-1 X-4700-016-1 Retainer Ass'y,Tape A C 1
テープ押え組立
X-4700-016-2 Retainer Ass'y,Tape D 1
トップテープガイドシャフト
5-2 4-702-696-01 Top Tape Guide Shaft A B 1
ローラーピン
5-21 4-708-509-01 Pin,Roller C 1
ローラー
5-22 4-708-510-01 Roller C 1