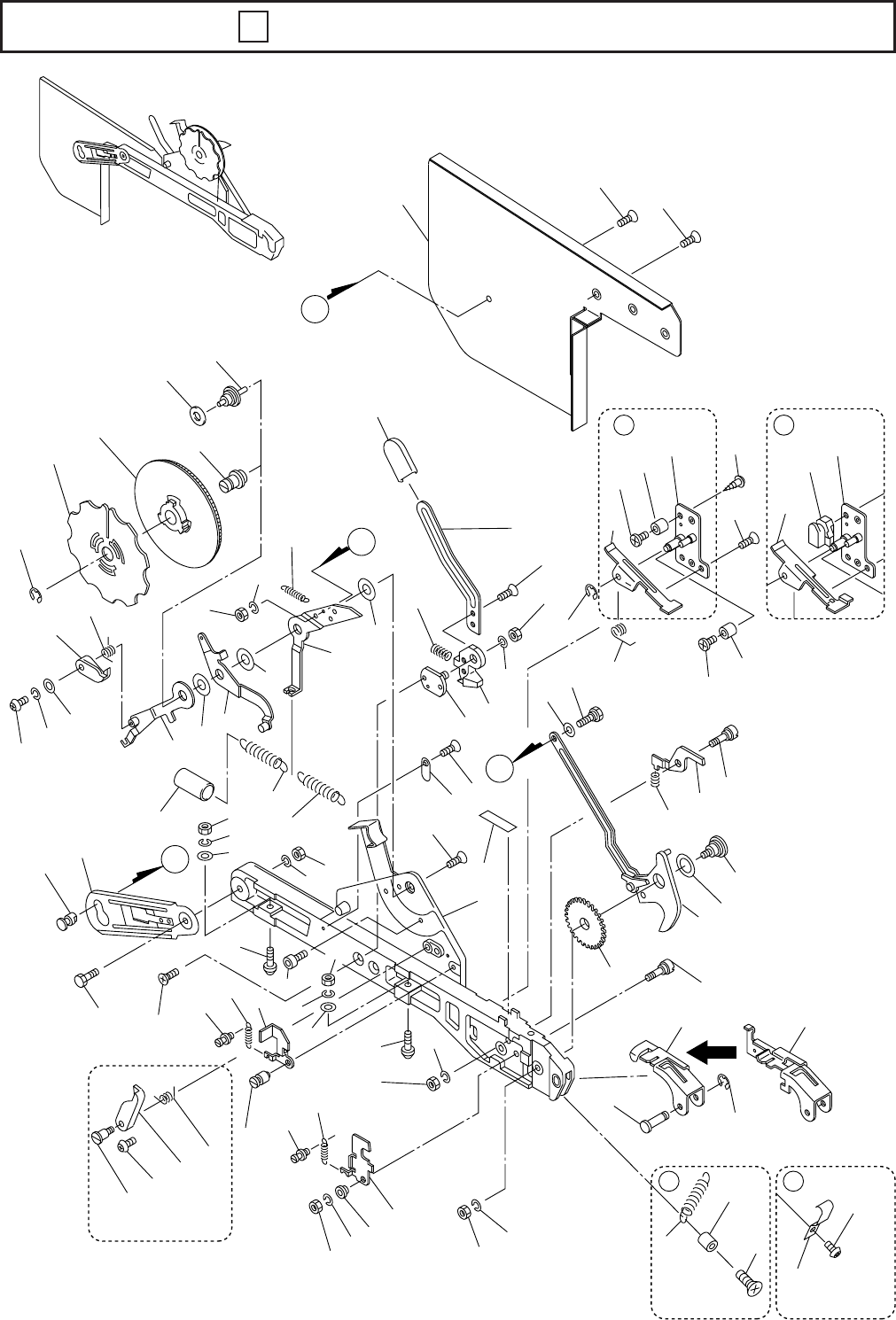
Parts Cassette-5th.pdf - 第31页
パーツカセット(8mm × 2E)φ 381 Parts Cassette(8mm × 2E) φ 381 4 GAK-0802/E300 4-6E ポリスライダー丸平ワッシャー EC-9005 111-1 4-718-455-01 Washer, Round Flat 1 φ 8,t0.2 Specify size. 8 φポリワッシャー EC-9005 111-1 3-701-446-11 Washer 1 φ 8,t0.25…

パーツカセット(8mm×2E)φ381
Parts Cassette(8mm ×2E) φ381
4
GAK-0802/E300
4-5
テープ押さえロックレバー
34 4-702-736-01 Lever,Tape Retainer 1
ナット N3
35 4-702-724-01 Nut 3 N3 Type-3
十字穴付さら小ネジ
36 4-702-729-01 Screw Pan Head 2 +K4×5
六角穴付きボルト
37 4-702-738-01 Bolt,Hexagon Socket 1 C3× 3
巻取りレバー引張りバネ
38 4-761-383-01
Spring,Tension,take-up Lever tension
1 EC-8014
クランプレバーキャップ
50 4-706-624-61 Cap,Clamp lever 1
十字穴付なべ小ネジ
100 7-627-556-28 Screw +P A ∼B 1 +P2.6×3.5
十字穴付バインド小ネジ
101 7-682-546-09 Screw +B A ∼C 1 +B3×5
十字穴付なべ小ネジ A ∼F 2
102 7-681-000-44 Screw +P G∼ 1 +P3×5
十字穴付なべ小ネジ
black G mark
7-682-149-02 Screw +P G 1 +P3× 10
十字穴付皿小ネジ
7-681-000-05 Screw +K G∼ 1 +K3×12
バネ掛けスペーサー
black G mark
102-1 4-716-121-02 Spacer,Spring hook G∼ 1
十字穴付さら小ネジ
103 7-682-247-09 Screw Pan Head 6 +K3×6
十字穴付さら小ネジ
104 7-682-260-09 Screw Pan Head 2 +K4×6
十字穴付さら小ネジ
105 7-682-261-09 Screw Pan Head 9 +K4×8
十字穴付さら小ネジ
106 7-682-249-02 Screw Pan Head 9 +K3×10
ナット
107 7-684-024-04 Nut 3 N4 Type2
ポリスライダー
108 3-701-443-11 Slider 1 φ5,t0.25
ポリスライダー
109 3-701-446-01 Slider 2 φ8,t0.13
8φポリワッシャー EC-9005
111-1 3-701-446-01 Washer 1 φ8,t0.13 Specify size.

パーツカセット(8mm×2E)φ381
Parts Cassette(8mm ×2E) φ381
4
GAK-0802/E300
4-6E
ポリスライダー丸平ワッシャー EC-9005
111-1 4-718-455-01 Washer, Round Flat 1 φ8,t0.2 Specify size.
8φポリワッシャー EC-9005
111-1 3-701-446-11 Washer 1 φ8,t0.25 Specify size.
ポリスライダ-丸平ワツシヤ- EC-9005
111-1 4-718-456-01 Washer, Round Flat 1 φ8,t0.3 Specify size.
10φポリワッシャー EC-9005
111-2 3-701-447-01 Washer 1 φ10,t0.13 Specify size.
ポリスライダー丸平ワッシャー EC-9005
111-2 4-718-455-11 Washer, Round Flat 1 φ10,t0.2 Specify size.
10φポリワッシャー EC-9005
111-2 3-701-447-11 Washer 1 φ10,t0.25 Specify size.
ポリスライダ-丸平ワツシヤ- EC-9005
111-2 4-718-456-11 Washer, Round Flat 1 φ10,t0.3 Specify size.
バネ座金
112 7-623-208-22 Spring washer 4 SW3 Type2
バネ座金
113 7-623-210-22 Spring washer 3 SW4 Type2
平座金(みがき丸)
114 7-688-003-11 Flat washer 2 W3
平座金(みがき丸)
115 7-688-004-11 Flat washer 2 W4
E型止め輪3
116 7-624-000-05 Stop ring 3,Type E 1 E3
E型止め輪6
117 7-624-000-08 Stop ring 6,Type E 1 E6
平座金(みがき丸)
118 7-688-005-11 Flat washer 1 W5
クッションチューブ(S)
119 4-718-018-11 Tube(S), cushion 1

5-1
パーツカセット(8mm×4紙)φ178
Parts Cassette(8mm × 4Paper) φ178
5
GAK-0804/P100
B
A
B
A
Ver.G-
Ver.A-F
Ver.D- Ver.A-C
Ver.A-C
50
23
109
112
35
114
107
113
107
113
115
107
109
105
111
13
108
103
109
118
100
116
103
106
25
5
5-22
29
2-2
2
24
10
15
38
3
3-2
3-3
22
5-4
104
3-1
5-1
5-3
18
4
9
28
4-2
17
20
112
115
113
37
36
35
112
116
102
107
8
113
2-1
33
34
32
101
4-1
4-2
27
26
14
31
30
21
12
6(Ver.D-)
33
35
11
32
117
112
102
1
16
4-1
19
7
1-1
104
104
17-1
17-2
119
21
102-1
102
b
b
5
5-2
5-1
5-21
a a
120
6(Ver.A-C)