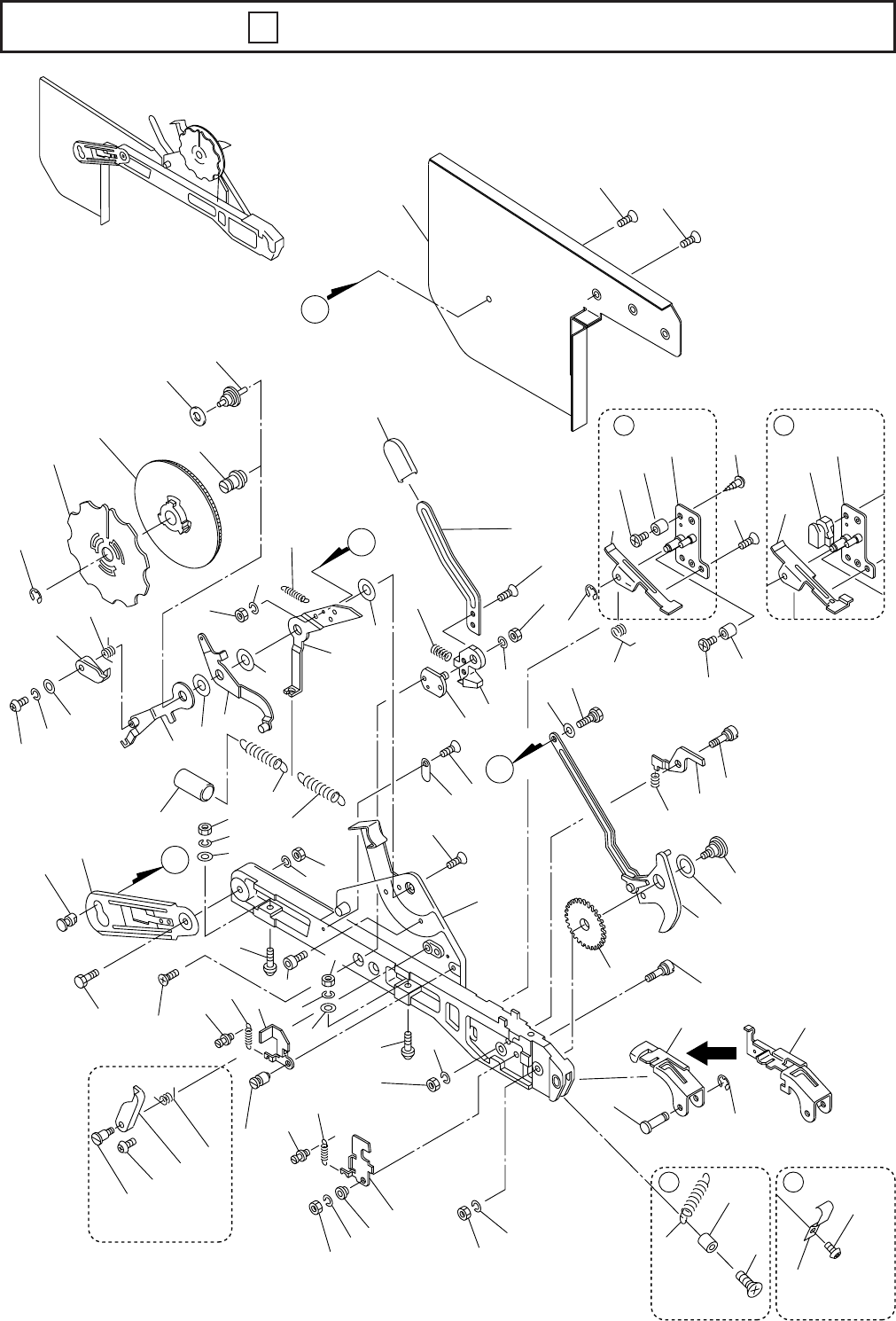
Parts Cassette-5th.pdf - 第39页
パーツカセット(8mm × 4E)φ 178 Parts Cassette(8mm × 4E) φ 178 6 GAK-0804/E100 6-2 リールシャフト 1 4-702-703-03 Shaft,reel 1 リールホルダー(SS)組立 1-1 X-4700-251-2 Holder(SS)Ass'y,Reel 1 メインシャーシ(カシメ)組立 2 X-4700-020-2 Chassis(Riveting)Ass&…

6-1
パーツカセット(8mm×4E)φ178
Parts Cassette(8mm × 4E) φ178
6
GAK-0804/E100
B
A
B
A
Ver.G-
Ver.A-F
Ver.D- Ver.A-C
Ver.A-C
50
23
109
112
35
114
107
113
107
113
115
107
109
105
111
13
108
103
109
118
100
116
103
106
25
5
5-22
29
2-2
2
24
10
15
38
3
3-2
3-3
22
5-4
104
3-1
5-1
5-3
18
4
9
28
4-2
17
20
112
115
113
37
36
35
112
116
102
107
8
113
2-1
33
34
32
101
4-1
4-2
27
26
14
31
30
21
12
6(Ver.D-)
33
35
11
32
117
112
102
1
16
4-1
19
7
1-1
104
104
17-1
17-2
119
21
102-1
102
b
b
5
5-2
5-1
5-21
a a
6(Ver.A-C)

パーツカセット(8mm×4E)φ178
Parts Cassette(8mm ×4E) φ178
6
GAK-0804/E100
6-2
リールシャフト
1 4-702-703-03 Shaft,reel 1
リールホルダー(SS)組立
1-1 X-4700-251-2 Holder(SS)Ass'y,Reel 1
メインシャーシ(カシメ)組立
2 X-4700-020-2 Chassis(Riveting)Ass'y,Main A∼F 1
メインシャーシ(カシメ)組立
X-4700-020-3 Chassis(Riveting)Ass'y,Main G∼ 1
位置決めピン
2-1 4-702-691-02 Pin,Positioning 1
位置決め偏心ピン
2-2 4-702-692-02 Pin,Eccentric Positioning 1
クランプピン組立
3 X-4700-018-2 Pin Ass'y,Clamp 1
クランプレバーガイドAss'y
3-1 X-4700-102-1 Guide Ass'y,Clamp lever 1
クランプブロック
3-2 4-702-755-01 Block,Clamp 1
Uナット
3-3 4-702-739-01 Nut,U 1 M5
Fuji Seimitsu
巻取りレバー組立
4 X-4700-019-1 Lever Ass'y,Take-up A∼C 1
巻取りレバー組立
X-4700-019-2 Lever Ass'y,Take-up D∼ 1
リール爪 A∼C 2
4-1 4-702-752-05 Claw,Reel D∼ 1
リール爪ねじりコイルバネ
4-2 4-702-717-02 Spring,Torsion,Reel Claw 1
カバーピン組立
5 X-4700-015-2 Pin Ass'y,Cover 1
テープ押え組立
5-1 X-4700-016-1 Retainer Ass'y,Tape A∼C 1
テープ押え組立
X-4700-016-2 Retainer Ass'y,Tape D∼ 1
トップテープガイドシャフト
5-2 4-702-696-01 Top Tape Guide Shaft A∼B 1
ローラーピン
5-21 4-708-509-01 Pin,Roller C∼ 1
ローラー
5-22 4-708-510-01 Roller C∼ 1

パーツカセット(8mm×4E)φ178
Parts Cassette(8mm ×4E) φ178
6
GAK-0804/E100
6-3
テープ押えネジコイルバネ
5-3 4-702-714-01
Spring,Torsion,Tape Retainer 1
テンションローラー (
∼
4lot)
5-4 4-702-762-01 Roller,Tension A∼B 1
テンションローラー (5lot
∼
)
4-702-762-02 Roller,Tension C∼ 1
テープカバー組立
6 X-4700-017-2 Cover Ass'y,Tape A∼C 1
テープカバー組立
X-4700-290-1 Cover Ass'y,Tape D∼ 1
フィード レバー組立
7 X-4700-021-1 Lever Ass'y,Feed 1
ホィール組立
8 X-4700-022-1 Wheel Ass'y 1
テンションレバー組立
9 X-4700-023-3 Lever Ass'y,Tension 1
位置決めレバーシャフト
10 4-702-694-02 Shaft,Lever Positioning 1
フィード送り位置決めピン
11 4-702-695-04 Pin,Positioning,Feed 1 EC-9003
カバーシャフト
12 4-702-699-02 Shaft,Cover 1
メインシャフト
13 4-702-700-02 Shaft,Main 1
押え板ピン
14 4-702-702-02 Pin,Retainer 1
位置決めレバー
15 4-702-744-02 Lever,Positioning 1
リール押さえ板(小)Ass'y
16 X-4700-141-2 Retainer Ass'y(small),Reel 1
巻取りリールシャフト
17 4-702-707-01 Shaft,Take-up reel A∼C 1
ワンウェイクラッチシャフト(1)
17-1 4-708-834-02 Shaft(1),One-way Clutch D∼ 1
Oリング
17-2 4-708-833-01 Ring,O D∼ 1
フィードレバー(8-24mm)
18 4-702-747-02 Lever,Feed(8-24mm) 1
巻取リールカバー(8mm)
19 4-702-751-01 Cover,Take-up reel(8mm) A∼C 1