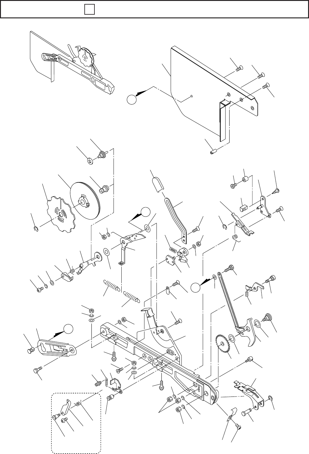
Parts Cassette-5th.pdf - 第57页
パーツカセット(12mm × 4E)φ 178 Parts Cassette(12mm × 4E) φ 178 9 GAK-1204/E100 9-2 リールシャフト 1 4-702-859-05 Shaft,reel 1 リールホルダー(SS)組立 1-1 X-4700-251-2 Holder(SS)Ass'y,Reel 1 テープガイドシャフト 1-2 4-702-866-01 Shaft,Tape Guide A…

9-1
パーツカセット(12mm×4E)φ178
Parts Cassette(12mm × 4E) φ178
9
GAK-1204/E100
B
B
Ver.A-C
A
A
16
5-3
109
101
107
108
106
100
107
106
108
101
112
107
111
103
108
106
106
108
7
116
27
104
115
102
3-3
117
114
107
32
114
103
112
109
102
105
1-2
4-2
9
15
29
4-2
5
5-2
18
2-2
2-1
22
2
20
21
4-1
32
19
17
14
23
6
28
8
30
113
11
31
3
3-2
3-1
5-1
13
4-1
4
24
1-1
103
103
102
50
24-2
24-1
10
1
12
5-22
5-21
25
110
26

パーツカセット(12mm×4E)φ178
Parts Cassette(12mm ×4E) φ178
9
GAK-1204/E100
9-2
リールシャフト
1 4-702-859-05 Shaft,reel 1
リールホルダー(SS)組立
1-1 X-4700-251-2 Holder(SS)Ass'y,Reel 1
テープガイドシャフト
1-2 4-702-866-01 Shaft,Tape Guide A∼E 1
メインシャーシ(カシメ)組立
2 X-4700-049-2 Chassis(Riveting)Ass'y,Main A∼ F 1
メインシャーシ(カシメ)組立
X-4700-049-3 Chassis(Riveting)Ass'y,Main G ∼ 1
位置決めピン
2-1 4-702-691-02 Pin,Positioning 1
位置決め偏心ピン
2-2 4-702-692-02 Pin,Eccentric Positioning 1
クランプピン組立
3 X-4700-018-2 Pin Ass'y,Clamp 1
クランプレバーガイドAss'y
3-1 X-4700-102-1 Guide Ass'y,Clamp lever 1
クランプブロック
3-2 4-702-755-01 Block,Clamp 1
Uナット
3-3 4-702-739-01 Nut,U 1 M5
Fuji Seimitsu
巻取りレバー組立
4 X-4700-019-2 Lever Ass'y,Take-up 1
リール爪 A∼C 2
4-1 4-702-752-05 Claw,Reel D∼ 1
リール爪ねじりコイルバネ A∼C 2
4-2 4-702-717-02 Spring,Torsion,Reel Claw D∼ 1
カバーピン組立
5 X-4700-048-1 Pin Ass'y,Cover 1
テープ押え組立
5-1 X-4700-052-1 Retainer Ass'y,Tape 1
トップテープガイドシャフト
5-2 4-702-696-01 Top Tape Guide Shaft A ∼B 1
ローラーピン
5-21 4-708-518-01 Pin,Roller C∼ 1
ローラー
5-22 4-708-519-01 Roller C∼ 1
テープ押えネジコイルバネ
5-3 4-702-860-01
Spring,Tonsion,Tape Retainer 1

パーツカセット(12mm×4E)φ178
Parts Cassette(12mm × 4E) φ178
9
GAK-1204/E100
9-3
テープカバー組立
6 X-4700-051-4 Cover Ass'y,Tape 1
フィード レバー組立
7 X-4700-021-1 Lever Ass'y,Feed 1
ホィール組立
8 X-4700-022-1 Wheel Ass'y 1
位置決めレバーシャフト
9 4-702-694-02 Shaft,Lever Positioning 1
押え板ピン
10 4-702-702-02 Pin,Retainer 1
位置決めレバー
11 4-702-744-02 Lever,Positioning 1
リール押さえ板(小)Ass'y
12 X-4700-141-2 Retainer Ass'y(small),Reel 1
フィードレバー(8-24mm)
13 4-702-747-02 Lever,Feed(8-24mm) 1
板バネ
14 4-702-709-03 Spring,Leaf 1
クランプ圧縮バネ
15 4-702-718-01 Spring,Compression,Clamp 1
リンクピン
16 4-702-721-03 Pin,Link 1
リール爪シャフト
17 4-702-722-01 Shaft(2),Reel Claw A ∼ C 1
バネ押え板
18 4-702-731-01 Retainer,Spring 1
バネ掛けネジ
19 4-702-723-01 Screw,Spring Hook 1
テープ押さえロックレバー
20 4-702-736-01 Lever,Tape Retainer 1
バネ掛け
21 4-702-734-02 Screw,Spring Hook 1
引張りバネ
22 4-702-763-01 Spring,Tension 1
カバーシャフト
23 4-702-854-02 Shaft,Cover 1
巻取りリールシャフト
24 4-702-858-01 Shaft,Take-up reel A ∼ C 1
ワンウェイクラッチシャフト(2)
24-1 4-708-832-02 Shaft(2),One-way Clutch D∼ 1