KE-2050_KE-2050R_KE-2055R_KE-2060_KE-2060R-Rev14.PDFA.pdf - 第103页
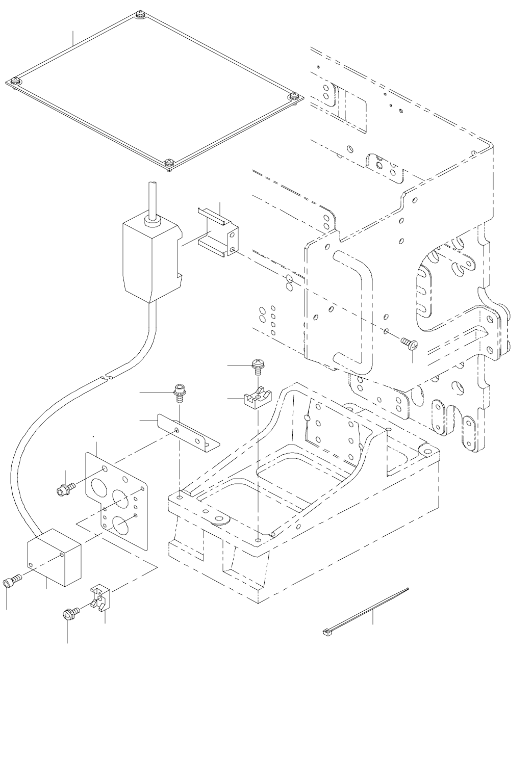
- 98 - N OT E ( 注記 ) # 0 1 ....F O R 20 60 E ,2 0 6 0 RE 2060 E,2060 RE 用 REF .NO N O T E PART NO D E S C R I P T I O N 品 名 Q ty 1 400-01304 HM S SUPPO RT HMS サポート 1 2 S L-6 040 892 -T N BO LT 座金付き六角穴ボルト 2 3 400-01298 HM…

- 97 -
49.HMS COMPONENTS
HMS 関係
1
2
4
5
6
7
6
7
8
9
3
13
10
11
12

- 98 -
NOTE( 注記 ) #01....FOR 2060E,2060RE 2060 E,2060 RE 用
REF.NO NOTE PART NO D E S C R I P T I O N
品 名
Qty
1 400-01304 HMS SUPPORT
HMS サポート
1
2 SL-6040892-TN BOLT
座金付き六角穴ボルト
2
3 400-01298 HMS BASE
HMS ベース
1
4 SL-6040892-TN BOLT
座金付き六角穴ボルト
2
5 SM-6032002-TN SCREW M3X0.5 L=20
六角穴ボルト M 3 X 0.5 L =20
2
6 HX-0029400-00 FIXED BASE
固定ベース
2
7 SL-4030691-SC SCREW M3X6
なべ小ねじセムス M 3 X 0.5 L =6
2
8 EA-9500B01-00 CABLE BAND
束線バンド
7
9 400-02185 HIGHT SENSOR CABLE ASM
HMS アンプケーブル組
1
10 400-01722 HMS BASE AMP
HMS アンプベース
1
11 SM-3040652-TN SCREW M4 L=6
丸ねじ M 4 L =6
2
12 400-01980 HMS5 PCB ASM
HMS 5 基板組
1
13
#01
400-16068 HMS BASE EC
HMS ベース EC
1

- 99 -
50.BAD MARK READER COMPONENTS
バッドマークリーダ関係
1
2
5
8
7
7
8
6
9
11
4
10
3