KE-2050_KE-2050R_KE-2055R_KE-2060_KE-2060R-Rev14.PDFA.pdf - 第157页
- 15 2 - NO TE( 注 記 ) #01. . .. F O R 206 0( O PT I O NAL PA RT S ) 20 60用(オ プション部 品) #02. . .. FO R 206 0R( S TAN DA RD E QU IP ME NT ) 20 60 R(標準 装備) #03. . .. FO R OF F SE T PL AC EME NT A F T ER はん だ印刷認識 搭載位置補 正 S O …

- 151 -
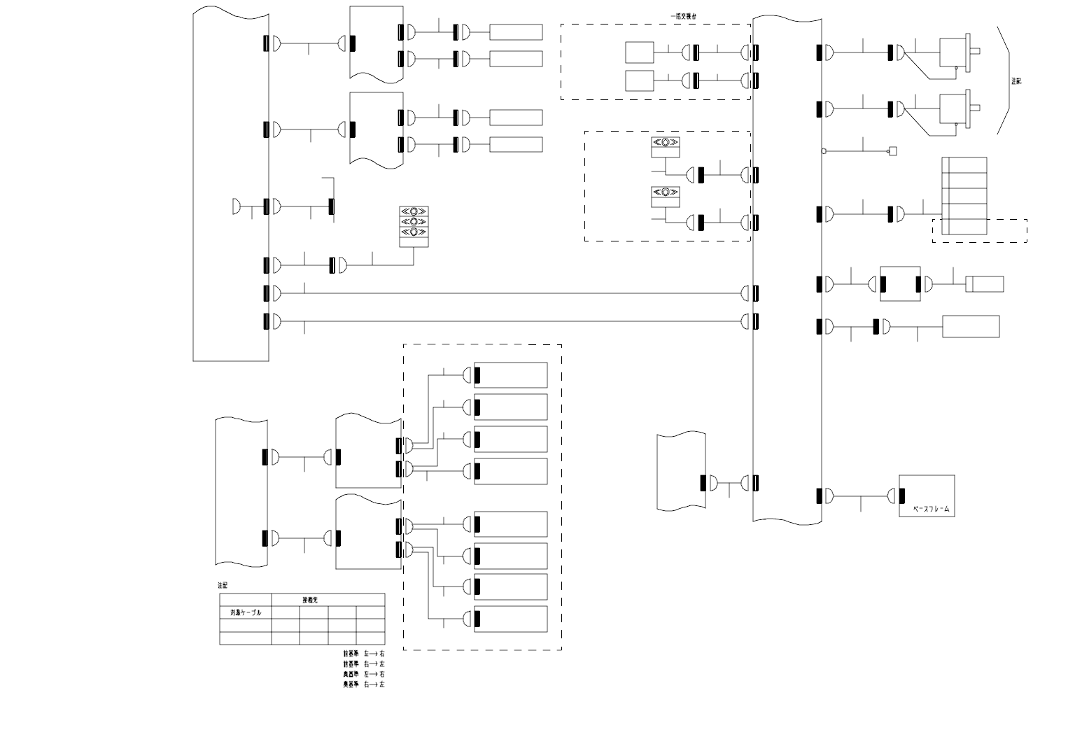
76.SYSTEM DIAGRAM (9)(FOR KE-2060,2060R)
SYSTEM DIAGRAM(9)(KE −2060,2060 R 用)
1-3C
1-3C
CN7CN4
8-3A
IP-X3
PCB
CN478
CN4
CN3
OCC1(R)
OCC2(R)
OCCA(
)
OCCV( )
OCCA( )
OCC2(L)
OCC CAMERA(R)
OCC(R)
CN6
OCC(L)
OCC CAMERA(L)
OCC1(L)
CN479
LIGHT CTL
PCB
8-1A
CN1 CN2
CN5CN 1
OCC
PCB
XY CABLE
BEAR HEA D
OCCV( )
CN8
CN3
(CN2)
CN6
Z5
CN1
PCB
(CN3)
CN7
Z5
(CN5)
CN9
V
(CN4)
CN8
DZ5
Z5- CN1
(CN2)
CN6
CN1
Z34-CN1
(CN3)
CN7
(CN5)
CN9
V
(CN4)
CN8
D
CN2
(CN6)
CN3
(CN7)
CN5
(CN9)
CN4
(CN8)
D
V
Z4
Z4
Z4
Z4
Z3
Z3
Z3
Z3
CN4
V
DZ2
CN4
(CN8)
CN5
(CN9)
Z2
CN3
(CN7)
Z2
Z2
CN2
(CN6)
Z1D
(CN4)
CN8
V
(CN5)
CN9
Z1
(CN3)
CN7
Z12-CN1
OPTION( )
OPTION( )
CTRL-PWR
PCB
CN852
3-3D
10-4A
5-3C
3-3C
HEIGHT
SENSOR
PCB
AMP
HEIGHT
SENSOR
AMP
BAD MARK
SENSOR
HEAD MAIN
PCB
CN58 CN5
CN2 CN1
Z1
Z1
(CN2)
CN6
CN246
CN9
X,Y CABL E BEAR
CN10
CN11
1
3
4
2
6
5
78
910
11 12 13 11 12 13
16
18 12 13 18 1312 19 20 21 23 26
6
27 15
24 24
24 24
24
17
25
14
Z5
HEAD
SENSOR
PCB
HEAD
SENSOR
PCB

- 152 -
NOTE( 注記 ) #01....FOR 2060(OPTIONAL PARTS) 2060用(オプション部品)
#02....FOR 2060R(STANDARD EQUIPMENT) 2060 R(標準装備)
#03....FOR OFFSET PLACEMENT AFTER はんだ印刷認識搭載位置補正
SOLDER SCREEN-PRINTING(OPTION) (オプション)用
REF.NO NOTE PART NO D E S C R I P T I O N
品 名
Qty
1
#01
400-02185 HIGHT SENSOR CABLE ASM
HMS アンプケーブル組
1
2 E9638-729-000 FIBER LENS
ファイバレンズ
1
3 HD-0013100-30 FIBER UNIT
ファイバユニット
1
4 400-02267 BAD MARK SENSOR ASM
バッドマークセンサ組
1
5 400-02092 HEAD PWR CABLE ASM.
ヘッド電源ケーブル組
1
6 400-02234 XY BEAR HEAD CABLES ASM.
XY ベアヘッドケーブル組
1
7 400-02181 Z12 SENSOR RELAY CABLE ASM.
Z 12センサ中継ケーブル組
1
8 400-02182 Z34 SENSOR RELAY CABLE ASM.
Z 34センサ中継ケーブル組
1
9 400-02183 Z5 SENSOR RELAY CABLE ASM. Z 5センサ中継ケーブル組 1
10 400-02188 OCC RELAY POWER CABLE ASM.
OCC 電源ケーブル組
1
11 400-02222 Z12 SENSOR CABLE ASM.
Z 12センサケーブル組
1
12 400-02186 Z VACUUM CABLE ASM.
Z 軸バキュームケーブル組
1
13 400-02187 Z BLOW CABLE ASM.
Z 軸ブローケーブル組
1
14 400-02226 Z5 SENSOR RELAY CABLE ASM.
Z 5センサケーブル組
1
15 400-02151 OCC CAMERA CABLE ASM.
OCC カメラケーブル組
1
16 400-02189 Z5 VACUUM CABLE ASM.
Z 5軸バキュームケーブル組
1
17 400-02190 Z5 BLOW CABLE ASM.
Z 5軸バキュームケーブル組
1
18 400-02224 Z34 SENSOR CABLE ASM.
Z 34センサケーブル組
1
19 400-02155 OCC CAMERA(L)CABLE ASM. OCC カメラ L ケーブル組 1
20 400-02156 OCC CAMERA(R)CABLE ASM.
OCC カメラ R ケーブル組
1
21 400-02153 OCC LIGHT(L)CABLE ASM.
OCC ライト L ケーブル組
1
22
#03
400-62792 OCC L IGHT(L) 1 ASM
OCC ライト(L)1組
1
23
#03
400-62793 OCC L IGHT(L) 2 ASM
OCC ライト(L)2組
1
24 400-01266 EJECTOR 60
エジェクタ60
1
25
#02
400-02185 HIGHT SENSOR CABLE ASM
HMS アンプケーブル組
1
26 400-02154 OCC LIGHT(R)CABLE ASM.
OCC ライト R ケーブル組
1
27 400-02140 OCC LIGHT CABLE ASM.
OCC ライトケーブル組
1

- 153 -
77.SYSTEM DIAGRAM (10)
SYSTEM DIAGRAM(10)
3- 2D
1 -3C
OPTIO N(FEEDE R POSIT ION IND ICAT ER)
OPT ION(NON- STOP OP .)
NON- STOP
SIGN AL
LIGH T(R)
CN62 4MP TL_ R
CN 24
CN2 3
CN62 3
CN2 6
CN62 6
L S3- 3
CN3
L S3- 1
CN1
OPTION( )
1
1
CN1
(EN)
OUT MOTOR
C N60 3 CN672
CN3
( CN3 9)
CN62 5MP TL_ F
NON- STOP
SIGN AL
LIGH T(F)
C N62 7
C N27
THERMAL
SENSOR
PCB
( )
6-2 A
2-4 C
CN6 69
CN38CN38
ATC
SHAP E Y
SHAP E X
STOP PER
C N63 0
CN30
C N62 8
CN28
CN 492
CN 491
CAL S.V
CAL PCB
CN 2
CARRY P CB.
NO.2 2
NO.2 0
CN 671
CN 670
RR:
RL:
FR:
FL:
CN3CN3
CN2CN2
CN39CN39
RRRLFRFL
C N61 2
CN12
S.V.
C N60 2
CN2
( CN3 8)
TB
IN MOTOR
CN 52 CN37
CN6 37
CN4 35
CN4 36
BANK UP
SENSOR(R)
BANK UP
SENSO R(F)
CN64 2
CN64 3
CN4 2
CN4 3
CN 25
BU-L OCK
4- 1B
7-1 A
CTRL PWR
CONNECTOR
PANEL
FG-T AP
FRON T
FPI-L ED
PCB(R 3-2)
CN1
CN5 41
CN5 51
CN1
FPI-L ED
PCB(R 3-1)
CN5 61
CN5 71
FPI-L ED
PCB(R 2-1)
CN1
CN1
FPI-L ED
PCB(R 2-2)
FPI-L ED
PCB(F 2-1)
CN1
CN1
FPI-L ED
PCB(F 2-2)
CN5 71
CN5 61
FPI-L ED
PCB(F 1-2)
CN1
CN5 51
CN5 41
CN1
FPI-L ED
PCB(F 1-1)
7-1 A
CN 2
CN1
BANK /FPI
-F PC B.
CN2
CN62 1FL S4-2
5- 2A
CN 3
CN 3
5- 2B
CN62 1R
BANK /FPI
-R PC B.
CN1
CN 2
CN1
LS 4-1
C N50 2
C N50 3
C N50 3
C N50 2
I/O C TRL
PCB
L S3- 4R
CN4 R
CN6
FEED ER(RL)
CN 1
BAN K/FPI
-R PC B.
C N50 1R
C N50 6R
BK-RL
5- 2C
CN7
C N50 7R
BK-RR
FEED ER(RR)
FEED ER(FR)
BK-FR
C N50 7F
CN 7
L S3- 6
5-2C
L S3- 4F
BK-FL
C N50 6F
CN 501 F
CN4 F
BASE- FEEDER
PCB
SIGNAL LIGHT
C N48 3
CN2
CN 6
MTC I/F
(L)
C OVER
CN 11
L S3- 2
BANK /FPI
-F PCB .
CN 1
FEED ER(FL)
CN 6
CAL V ACUUM
SENSOR
1
23
746
5
810119
12
13 15
14
16
17 19
18
31
32
20 22 24 25
21 23
26
2 7
28
29
30
33 34
35 3635
36
363635 35
37