KE-2050_KE-2050R_KE-2055R_KE-2060_KE-2060R-Rev14.PDFA.pdf - 第41页
- 36 - RE F.N O N OT E PA RT NO D E S C R I P T I O N 品 名 Qt y 1 400-01560 AI R C O MBI NA TION AS SY エアーコンビネーション組 1 2 S L- 60616 92- T N BO L T 座金付き六角穴ボルト (2 ) 3 WP-0841601 - S C W A SH ER 8.4X17.4X1. 6 平座金みがき丸 M 8 (2 )…

- 35 -
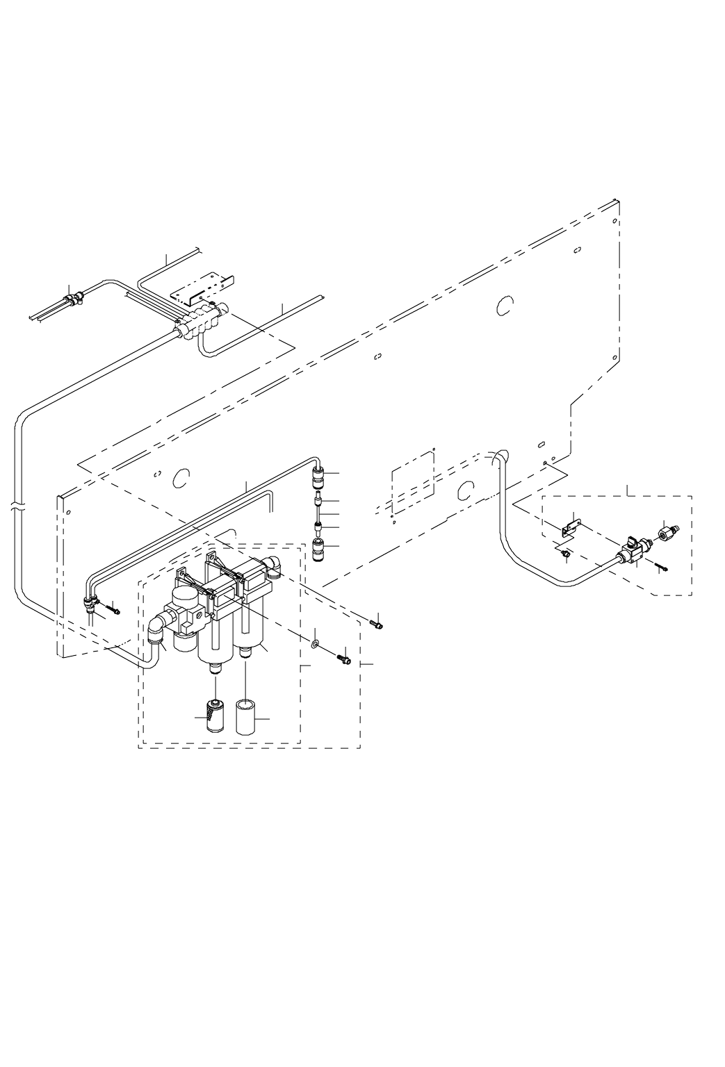
18.AIR COMPONENTS
エアー関係
11
12
13
23
9
16
15
10
24
3
2
18
21
14
19
20
20
22
22
17
7
8
6
5
1
4

- 36 -
REF.NO NOTE PART NO D E S C R I P T I O N
品 名
Qty
1 400-01560 AIR COMBINATION ASSY
エアーコンビネーション組
1
2 SL-6061692-TN BOLT
座金付き六角穴ボルト
(2)
3 WP-0841601-SC WASHER 8.4X17.4X1.6
平座金みがき丸 M 8
(2)
4 400-00545 AIR PROVIDER
エアプロバイダー
(1)
5 PF-0552150-A0 AIR COMBINATION
エアコンビネーション
(1)
6 PJ-3041253-01 ELBOW UNION
エルボユニオン
(2)
7 PF-9010060-00 FILTER ELEMENT
フィルタエレメント
(1)
8 PF-9010020-00 FILTER ELEMENT A
フィルタエレメント A
(1)
9 400-00547 FINGER VALVE ASSY
フィンガバルブ
1
10 PJ-0252000-03 PLUG
プラグ
(1)
11 PV-0152120-00 FINGER VALVE
フィンガバルブ
(1)
12 SL-6032542-TN SCREW
座金付き六角穴ボルト
(2)
13 400-00550 FV BRACKET
FV ブラケット
(1)
14 PJ-3081000-01 UNION Y
ユニオンワイ
1
15 BT-0600400-EC TUBE HOSE, BLUE
ウレタンホ−ス 青
12.8
16 BT-0800501-EA TUBE HOSE, BLUE
ウレタンホ−ス 青
20
17 BT-0400251-EA TUBE HOSE, BLUE
ウレタンホ−ス 青
1
18 PJ-3080600-03 Y UNION
ユニオンワイ
6
19 BT-1000651-EB POLYURETHANE TUBE
ポリウレタン チュ−ブ
2
20 PJ-3031000-02 STRAIGHT
ストレート
2
21 SL-6042592-TN SCREW
座金付き六角穴ボルト
2
22 PJ-3090400-03 REDUCER
レジュ−サ(φ 4− φ 10)
2
23 SL-6051092-TN BOLT
座金付き六角穴ボルト
2
24 SL-6052092-TN SCREW
座金付き六角穴ボルト
2

- 37 -
19.X-Y COMPONENTS (1)
X − Y 関係(1)
25
3
4
13
14
8
9
2
12
19
21
22
20
23
28
31
30
33
36
32
37
34
39
40
41
38
42
44
45
46
43
47
50
55
57
58
61
62
63
64
66
68
69
51
25
24
29
29
35
35
17
67
26
56
1
15
16
11
18
7
27
65
67
51
5
6
10
59
59
48
49
23
60
60
23
60
23
60
54
52
53