NPM规格书.pdf - 第60页
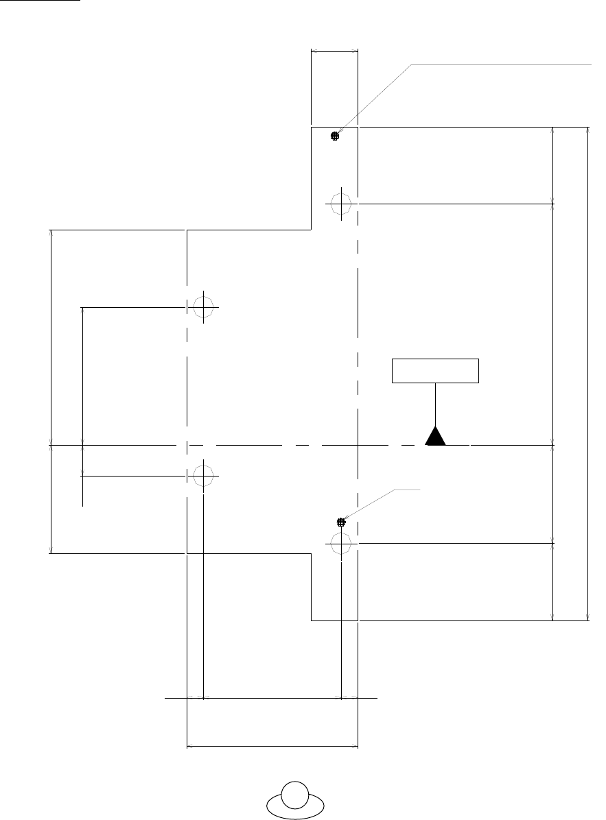
NPM 2008.1015 - 56 - 12. 尺寸图 机种名 : NPM ( 单位 : mm) Remarks • 上述示图的缩小比例与实际机器在严 格上讲,并不完全一致。 在研讨生产线构成和尺寸时,请另行 索取资料。 • 本机下部如有设置通风道等时,请确 保与主体间空隙有 40 mm 以上。 AIR 电源 2 448 1 422.5 940.5 80 515.5 1 105.5 864.5 1 507.5 1 629 ( …

NPM 2008.1015
- 55 -
11.2
空气投入部
■
空气投入部
(
在罩内侧
)
日东耦合器
30P
增强软管
5 m
日东插座
30SH
NPM
机器后侧

NPM 2008.1015
- 56 -
12.
尺寸图
机种名
: NPM
(
单位
: mm)
Remarks
•
上述示图的缩小比例与实际机器在严格上讲,并不完全一致。
在研讨生产线构成和尺寸时,请另行索取资料。
•
本机下部如有设置通风道等时,请确保与主体间空隙有
40 mm
以上。
AIR
电源
2 448
1 422.5 940.5
80
515.5
1 105.5
864.5 1 507.5
1 629 (信号塔竖置时)
1 514 (信号塔横置时)
1 444
900
830 (传送带宽度)
820 (罩外形)
820
835 (主体)
87
操作员侧
55

NPM 2008.1015
- 57 -
■ 调整螺栓的配置图
机种名
: NPM
(
单位
: mm)
操作员侧
223
0.5 MPa ~ 0.8 MPa
传送带基准面
电源
621
970.5 488.5
2 223
347 1 086 444 346
660
820
80 80
139