XP243E 系统手册 SYS-XP243-4.0S.pdf - 第283页
SYS-XP243-4.0S 4. 机器生产程序 XP-242E/243E 系统手册 271 以下所示按键是对于位于画面左 侧领域所选择的行进行处理: 项目说明 子电路板 No. 设定子电路板 No.。 第 1 行的子电路板 No. 必须为 1。 第 2 行以后的 No. 可由用户任意指定。 修正量 X 在第 1 行设定作为基本程序的基 准的 X 坐标 ( 离程序原点的距离 ), 第 2 行以后的基准坐标 以其电路板所在的坐标 ( 离第…

4. 机器生产程序 SYS-XP243-4.0S
270 XP-242E/243E 系统手册
4.4 扩展器
以要进行编辑而创建的程序为基础,在一块电路板上创建多块子电路板 ( 最大 3000 块 ) 时
执行扩展器,对 1 块电路板的程序进行扩展。因为在这里设定的数据未存盘,需要重新展开
时请重新输入数据。
扩展条件
·基本程序内的子电路板 No.0 照原样代入、不作为扩展的对象。
·基本程序内的子电路板 No. 只是 0 的时侯,就不能进行扩展。
·基本程序内的子电路板 No. 不为 1 (除去 0),就不能进行扩展。
·第 1 行的修正角度必须为 0 度。如果设定为 0 以外将被无视。
·扩展结果即使超过电路板尺寸也不显示错误。
扩展器画面的配置如下图所示。
操作按键说明
将基本程序从设定的子电路板数据扩展到拼板程序。
完成扩展后选择时。请确认扩展结果的存盘。首先,进行扩展结果是
否存入存储器的确认,其次,确认扩展结果是否存入文件。

SYS-XP243-4.0S 4. 机器生产程序
XP-242E/243E 系统手册 271
以下所示按键是对于位于画面左侧领域所选择的行进行处理:
项目说明
子电路板 No.
设定子电路板 No.。第 1 行的子电路板 No. 必须为 1。第 2 行以后的 No. 可由用户任意指定。
修正量 X
在第 1 行设定作为基本程序的基准的 X 坐标 ( 离程序原点的距离 ),第 2 行以后的基准坐标
以其电路板所在的坐标 ( 离第 1 行的程序原点的距离 ) 来指定。
修正量 Y
在第 1 行设定作为基本程序的基准的 Y 坐标 ( 离程序原点的距离 ),第 2 行以后的基准坐标
以其电路板所在的坐标 ( 离第 1 行的程序原点的距离 ) 来指定。
角度修正量
指定作为基准的元件的角度。
复制所选择行的数据到剪贴板上。
在所选择行之前插入剪贴板上的数据。
删除所选择行并将其后面的行自动上移。
在选择的行之前插入 1 行新建行。
解除所有的选择。
0 度 : 维持基本程序的角度
90 度 : 对基本程序修正 90 度
180 度 : 对基本程序修正 180 度
270 度 : 对基本程序修正 270 度

4. 机器生产程序 SYS-XP243-4.0S
272 XP-242E/243E 系统手册
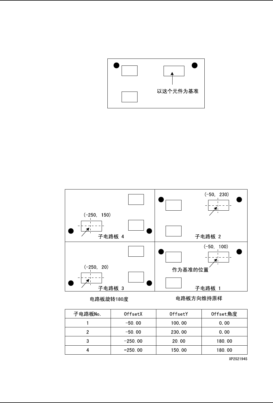
扩展器样本
在以下样本中,在电路板上将程序扩展到四块子电路板。
1. 决定基准元件。范例中以右上的元件为基准。
2. 设定作为基准的元件处于各个子电路板的什么位置。另外、确定修正角度为多少。
子电路板 1 : 输入到基准元件的原点的距离 (Offset X,Offset Y)。第 1 块子电路
板的 Offset 角度必须为 0。
子电路板 2 : 输入从原点到同一元件的距离 (Offset X,Offset Y)。
子电路板 3,4 : 输入从原点到同一元件的距离 (Offset X,Offset Y)。
此外,由于两块电路板都旋转了 180 度,所以 Offset 角度也旋转 180
度。
XP2S2058S