NPM_D3Wiring Diagram.pdf - 第146页
在线预览 NPM_D3Wiring Diagram.pdf PDF 文档。

3.
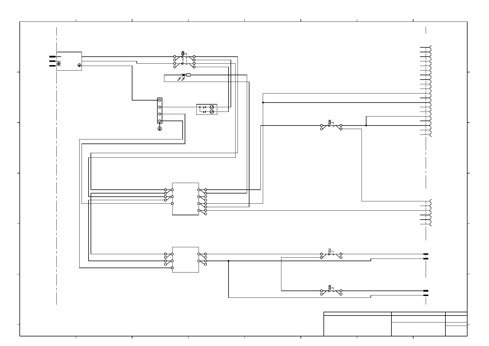
CONTROL BOX DIAGRAM OPTION
コントロール BOX 配線図オプション
3-3 POWER SUPPLY UNIT(FEEDER AND CART PDA)
電源ユニット(フィーダ&カート PDA)
EJM6DB-10-303-00

-T102
PBA300F-24
AC(L)
AC(N)
FG
+V
+V
-V
-V
COSEL
LOAD LINE
-F101
NH1L-2100S-3AA5C-TK2539
(3A)
1 2
3 4
BK RD
IDEC
-X001
N210001550AA
1aF101
FV1.25-4(LF)K
JST
3aF101
4aF101
2aF101
FK2-4K
JST
AC100V
~AC240V
INPUT
FV1.25-4(LF)K
JST
FK1.25-4
JST
LaT101
FV2-3K
JST
NaT101
FV1.25-3(LF)K
JST
+VaT101
FV1.25-3(LF)K
JST
-VaT101
3
4
RD
WH
GN/YE
1
2
AWG#18(0.75mm2)
AWG#20(0.5mm2)
AWG#20(0.5mm2)
-V01
FN9222R-3-06
SCHAFFNER
2bF101
4bF101
FK1.25-4
JST
2aF102
FV1.25-4(LF)K
JST
1aF102
FV2-4K
JST
LaT102
FV2-4K
JST
NaT102
FV1.25-4(LF)K
JST
+VaT102
FV2-4K
JST
+VbT102
FV1.25-4(LF)K
-VaT102
-F201
LV275DI-Q4
BK
BK
GN/YE
OKAYA
2aF104
FV2-4K
JST
1aF104
FV2-4K
JST
FV1.25-4(LF)K
JST
LbT102
NbT102
-T101
PBA75F-12
(6.3A)
AC(L)
AC(N)
FG
+V
-V
COSEL
For
Feeder
cart
For
Tape
Feeder,
C-CON
-VbT102
-VcT102
For PDA
For PDA
1aF102
FV2-4K
JST
1bF102
2bF104
FV1.25-4(LF)K
JST
-F104
CP30FI-1P010
(10A)
1 2
FUJI ELECTRIC
1
1
1
1
-F102
CP30FI-1P003
(3A)
1 2
FUJI ELECTRIC
2
2
-F103
CP30FI-1P003
(3A)
1 2
FUJI ELECTRIC
2aF103
FV1.25-4(LF)K
JST
MOLEX
CART
51238-2011
D5
D4
D3
D2
D1
C5
C4
C3
C2
C1
B5
B4
B3
B2
B1
A5
A4
A3
A2
A1
UL1007 18AWG BU BU
UL1007 18AWG BU BU
UL1007 18AWG BU BU
UL1007 18AWG BU BU
HIROSE
FEEDER
HR10A-7R-6S(73)
6
5
4
3
2
1
UL1007 24AWG BU BU
UL1007 24AWG BU BU
UL1007 20AWG BU BU
MOLEX
DC12-1
5559-02P-210
2
1
MOLEX
DC12-2
5559-02P-210
2
1
UL1007 20AWG BU BU
UL1007 20AWG BU BU
UL1007 20AWG BU BU
UL1007 16AWG BU BU
UL1007 16AWG BU BU
UL1007 16AWG BU BU
UL1015 16AWG GN/YE GN/YE
UL1015 16AWG BK BK
UL1015 16AWG BK BK
UL1015 16AWG BK BK
UL1015 16AWG BK BK
UL1015 16AWG GN/YE GN/YE
3
3
3
JST
5
FK1.25-4
JST
FK2-4
5
JST
FK1.25-4
JST
FK2-4
5
NICHIFU
FK2-4
5
JST
FK2-3
5
JST
5
FK1.25-4
FK1.25-3
JST
FK1.25-4
JST
FK2-4
5
JST
FK2-4
5
JST
FK2-4
JST
FK2-4
5
5
5
5
JST
5
FK1.25-4
JST
5
FK1.25-3
5
R.A.V-781BWZ-4
Panasonic Smart Factory Solutions Co.,Ltd. パナソニック スマートファクトリーソリューションズ株式会社
Name
Drawing No.
Loc. No.
F4K1020-05A
1
2 3 4 5 6 7 8
A
B
C
D
E
F
1 2 3 4 5 6 7 8
A
B
C
D
E
F
Page. No.
Power supply unit
(Feeder and Cart PDA)
N610101909+007AE
P007
JST
FK1.25-4
5
JAE
JR06-7A-6S-R
5
JST
5
FV1.25-4
JST
5
FV1.25-4