文档中心
/
NPM_D3Wiring Diagram.pdf
NPM_D3Wiring Diagram.pdf - 第345页
在线预览 NPM_D3Wiring Diagram.pdf PDF 文档。
目录
100%
显示:宽度
宽度
1 / 354
回到旧版
旧版
?
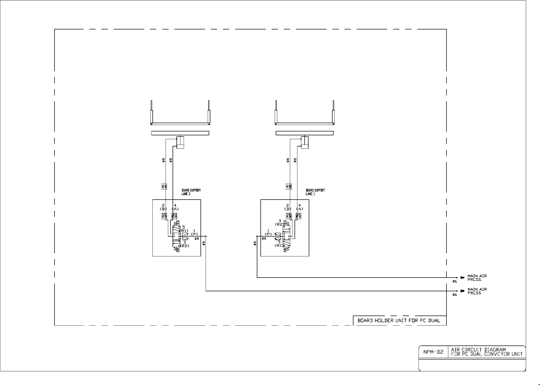
可调节单向节流阀
双作用气缸
该页面需要启用 JavaScript 才能进行交互式预览。