NPM_D3Wiring Diagram.pdf - 第214页
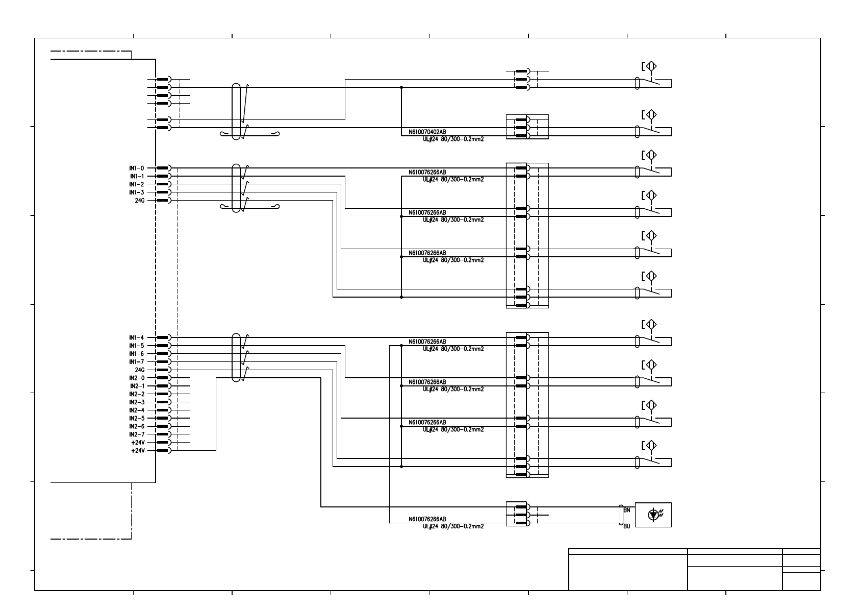
-K301 PNF0AT -A05 Tray control unit IN3 1 2 3 4 5 6 +24V 24G IN614 IN615 IN616 IN617 43025-0600 IN3K301 MOLEX 6 5 4 3 2 1 -K304 EL16CX Sensor connection board IN 1 2 3 4 5 6 +24V 24G B1324 S0325 (No use) S0327 #2 SEN0 1 …

-K301
PNF0AT
Tray control board
-A05
Tray control unit
IN2
1
2
3
4
5
6
+24V
24G
IN610
IN611
IN612
IN613
43025-0600
IN2K301
MOLEX
6
5
4
3
2
1
-B1352
BN
BU
9
8
7
177903-1
B1350R
AMP
6
5
4
3
2
1
177911-1
B1350P
AMP
1
2
3
4
5
6
7
8
9
[1]
Magazine shutter open
On the right
マガジンシャッター開右上
-B1350
BN
BU
[2]
Magazine shutter open
On the left
マガジンシャッター開左上
-B1353
BN
BU
[3]
Magazine shutter close
ON the right
マガジンシャッター閉右上
-B1351
BN
BU
[4]
Magazine shutter close
On the left
マガジンシャッター閉左上
BU
BU
-B1356
BN
BU
9
8
7
177903-1
B1354R
AMP
6
5
4
3
2
1
177911-1
B1354P
AMP
1
2
3
4
5
6
7
8
9
[1]
Magazine shutter open
the right under
マガジンシャッター開右下
-B1354
BN
BU
[2]
Magazine shutter open
the left under
マガジンシャッター開左下
-B1357
BN
BU
[3]
Magazine shutter close
the right under
マガジンシャッター閉右下
-B1355
BN
BU
[4]
Magazine shutter close
the left under
マガジンシャッター閉左下
-B1322
BN
BU
Supply side
shutter open
補給部シャッター開
-B1323
BN
BU
Supply side
shutter close
補給部シャッター閉
EXIN
1
2
3
4
9
17
18
43025-2000
EXINK301
MOLEX
1
2
3
4
5
6
7
8
9
10
11
12
13
14
15
16
19
20
3
2
177907-1
B1322P
AMP
1
177899-1
B1322R
AMP
3
2
1
BK
BK/WH
RD
N610070402AB
U-TKVV AWG24-2P
-B1324T
Pallet over flow check
(Projection)
パレットはみだし有無(投光部)
5
6
7
8
10
11
12
13
14
15
16
17
18
19
20
BK
BK/WH
RD
RD/WH
GN
N610076266AB
U-TKVV AWG24-3P
BK
BK/WH
RD
RD/WH
GN
N610076266AB
U-TKVV AWG24-3P
BU
BU
BU
BU
BU
3
2
177907-1
B1323P
AMP
1
177899-1
B1323R
AMP
3
2
1
3
2
177907-1
B1324TP
AMP
1
177899-1
B1324TR
AMP
3
2
1
1
BU
2 2
2 2
2 2
2 2
2 2
2
2
2
2
2
2
2
2
2
2
2
RD/WH (0.2mm2-2P)
GN/WH (0.2mm2-3P)
GN/WH (0.2mm2-3P)
3
3
3
3
3
3
3
3
3
3
3
3
Panasonic Factory Solutions Co.,Ltd. パナソニック ファクトリーソリューションズ株式会社
Name
Drawing No.
Loc. No.
F4K1020-05A
1
2 3 4 5 6 7 8
A
B
C
D
E
F
1 2 3 4 5 6 7 8
A
B
C
D
E
F
Page. No.
Tray Feeder Wiring
(EL16CX~Shutter-LS wiring)
N610070389+008AD
P008

-K301
PNF0AT
-A05
Tray control unit
IN3
1
2
3
4
5
6
+24V
24G
IN614
IN615
IN616
IN617
43025-0600
IN3K301
MOLEX
6
5
4
3
2
1
-K304
EL16CX
Sensor connection board
IN
1
2
3
4
5
6
+24V
24G
B1324
S0325
(No use)
S0327
#2
SEN0
1
2
3
SEN1
1
2
3
SEN2
1
2
3
SEN3
1
2
3
3
2
IL-GM-6S-S3C2
INK304
JAE
1
4
5
6
Tray control board
1
2
3
177899-1
SEN0K304
AMP
1
2
3
177899-1
SEN1K304
AMP
1
2
3
177899-1
SEN3K304
AMP
-B1324
BN
BK
BU
N610070389+010AD-7F +24A
N610070389+010AD-7F LAMP
To
S0325R
Supply completion SW
補給完了SW
Supply table door SW
補給ドアSW
Pallet over flow check
(Receive)
パレットはみだし有無(受光部)
No use
BK
BK/WH
RD
RD/WH
GN
N610070405AB
U-TKVV AWG24-3P
B1
A1
2-1318119-4
S0325R
AMP
B2
A2
B3
A3
B4
A4
RFID
1
2
3
4
5
6
5V
GND
RX
TX
GND
GND
A4
B4
A3
B3
A2
B2
A1
B1
AMP
1376009-2
-S0325
LW6ML-M1C14VW-BC-TK2504
IDEC
GN/WH (0.2mm2-3P)
BK/WH (0.2mm2-1P)
BK
N610070406AB
U-TKVV AWG24-1P
BK/WH (0.5mm2-1P)
BK
N610134068AD
2464-1061/ⅡA(PF) LF 1P×20AWG
8
-S0327
Panasonic
AZ7141K01
VR1.25-3.5L
FUJI TERMINAL
NO
VR1.25-3.5L
FUJI TERMINAL
COM
7 9
2464-1061/ⅡA(PF) LF 1P×20AWG
9
9
10
2464C(BPF)VVP AWG#20×1P-B
FK1.25-M3
JST
10
10
Panasonic Smart Factory Solutions Co.,Ltd パナソニック スマートファクトリーソリューションズ株式会社
Name
Drawing No.
Kit No. Loc. No.
1 2 3 4 5 6 7 8
A
B
C
D
E
F
1
2 3 4 5 6 7 8
A
B
C
D
E
F
F4K1020-03A
Tray Feeder Wiring
(EL16CX~SW,sensor wiring)
N610070389+009AL
周冬霞 19-001416
渡邊 12-001169
比山(18-003399)

-K301
PNF0AT
Tray control board
-A05
Tray control unit
FAN-ALM
1
2
3
4
/FAN-ALM
N.C
+24V
24G
OUT1
OP0
+24 V
4
3
2
1
43025-0400
FAN-ALM
MOLEX
BK
BK/WH
RD
1
2
3
177899-1
ALM-R
AMP
3
2
177907-1
ALM-P
AMP
1
8
16
8
16
7
15
6
14
5
13
43025-1600
OUT1K301
MOLEX
4
12
3
11
2
10
1
9
177898-1
1S0325R
AMP
2
1
1
177906-1
1S0325P
AMP
2
N610070389+009AE-6C +24A
N610070389+009AE-6C LAMP
7
15
6
14
5
13
4
12
3
11
2
10
1
9
OP1
+24 V
OP2
+24 V
OP3
+24 V
OP4
+24 V
OP5
+24 V
OP6
+24 V
OP7
+24 V
Magazine shutter
open
マガジンシャッター開
Supply side shutter
close
補給部シャッター閉
Magazine door
Lock
マガジンドアロック閉
Magazine door
Unlock
マガジンドアロック開
To
-S0325
Cooling
FAN
4GR-SOCKET-E-100-FL644151
R3317
CKD
-
+
4GR-SOCKET-E-100-FL644151
R3316
CKD
-
+
4GR-SOCKET-E-100-FL644151
R3311
CKD
-
+
4GR-SOCKET-E-100-FL644151
R3310
CKD
-
+
BN
YE/WH
YE
GN/WH
GN
RD/WH
RD
BK/WH
BK
N610070410AE
U-TKVV AWG24-5P
RD/WH (0.2mm2-2P)
BN/WH (0.2mm2-5P) BK/WH (0.2mm2-1P)
BK
N610070406AB
U-TKVV AWG24-1P
IN5
1
2
3
4
5
6
+24V
24G
IN624
IN625
IN626
N.C
43025-0600
IN5K301
MOLEX
6
5
4
3
2
1
M
-
n
-G101
9GL1224J1J01
RD
YE
BK
SANYO DENKI
177901-1
1R3310R
AMP
6
3
5
2
4
1
177909-1
1R3310P
AMP
1
4
2
5
3
6
BU
BU
BU
BU
BU
BU
5
5
6
6
6
6
6
6
6
7
7
7
7
4G-SOCKET-SET-FL388859
7
4G-SOCKET-SET-FL388859
7
4G-SOCKET-SET-FL388859
7
4G-SOCKET-SET-FL388859
7
Panasonic Smart Factory Solutions Co.,Ltd. パナソニック スマートファクトリーソリューションズ株式会社
Name
Drawing No.
Loc. No.
F4K1020-05A
1
2 3 4 5 6 7 8
A
B
C
D
E
F
1 2 3 4 5 6 7 8
A
B
C
D
E
F
Page. No.
Tray Feeder Wiring
(Fan alarm,Valve wiring)
N610070389+010AH
P010