NPM_D3Wiring Diagram.pdf - 第249页
HEAD CONTROLLER 24V CN1 CN18 CN17 PMC0AF #1 CN4 CN2 -K301 CN3 CN1 24V 24V -M403 -M404 CN14 24V -G1001 -E2002 HEATER SENSOR -B1004 Thermocouple Sensor 1 -E2003 HEATER SENSOR -B1005 Thermocouple Sensor 2 HEAD CONTROLLER CN…

HEAD
CONTROLLER
24V
CN1
CN18
CN17
PMC0AF #1
CN4
CN2
-K301
CN3
CN1
24V
24V
-M403
-M404
CN14
24V
-G1001
-E2002
HEATER
SENSOR
-B1004
Thermocouple
Sensor 1
-E2003
HEATER
SENSOR
-B1005
Thermocouple
Sensor 2
HEAD
CONTROLLER
CN18
CN17
PMC0AF #2
CN4
CN2
CN7
CN9
-K302
24V
24V
-M401
-M402
-B1002
CN3
CN1
24V
24V
-M405
-M406
SENSOR
SENSOR
24V
24V
-B1003
CN16
REGULATOR
24V
-B5001
CN14
24V
-G1002
CN12
CN20
-R3001
-R3002
24V
VALVE
SENSOR
-B1001
θ-axis ORG
Sensor
CN7
CN9
CN22
CN1 CN3
CN15
CN11
24V
SENSOR
24V
-B1002T
-E2001
TB1
Heater Control
Unit
1
1
1
1
CN21
SENSOR
24V
-B1003T
1
1
1
1
1
1
1
1
1
1
1
CN1
2
Panasonic Factory Solutions Co.,Ltd. パナソニック ファクトリーソリューションズ株式会社
Name
Drawing No.
Loc. No.
F4K1020-05A
1
2 3 4 5 6 7 8
A
B
C
D
E
F
1 2 3 4 5 6 7 8
A
B
C
D
E
F
Page. No.
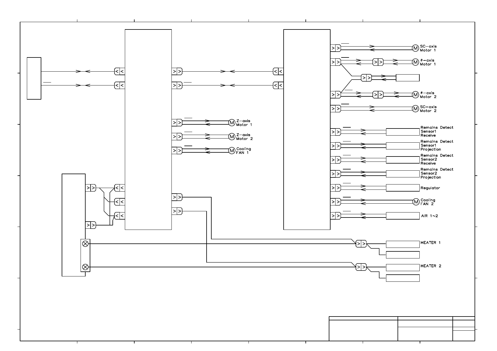
NPM_DISPENSER HEAD
(BLOCK DIAGRAM)
N610083275+002AA
P002

-K301
PMC0AF #1
GND
+24V
GND
+24V
GND
+24V
GND
+24V
GND
+24V
CN17
6
1
7
2
8
3
9
4
10
5
RXD+
RXD-
TXD+
TXD-
EMG
ILK1
ILK2
GND
1
5
2
6
3
4
8
7
CN18
1
1
2
2
5
10
4
9
3
8
2
7
1
6
43025-1000
CN17K301
MOLEX
7
8
4
3
6
2
5
1
43025-0800
CN18K301
MOLEX
1
2
8
7
9
10
16
15
11
12
3
4
DM1P016SA1
CN1
Japan Aviation Electronics Industry
6
5
14
13
FK2-M3
JST
WH/BK
YE/RD
YE/BK
WH/RD
GY/RD
GY/BK
OG/RD
OG/BK
N610083581AC
WH/BK
YE/RD
YE/BK
WH/RD
GY/RD
GY/BK
OG/RD
OG/BK
N610083581AC
2 3
3
4
Panasonic Factory Solutions Co.,Ltd. パナソニック ファクトリーソリューションズ株式会社
Name
Drawing No.
Loc. No.
F4K1020-05A
1
2 3 4 5 6 7 8
A
B
C
D
E
F
1 2 3 4 5 6 7 8
A
B
C
D
E
F
Page. No.
NPM_DISPENSER HEAD
(PMC0AF#1 connecting)
N610083275+003AB
P003