NPM_D3Wiring Diagram.pdf - 第285页
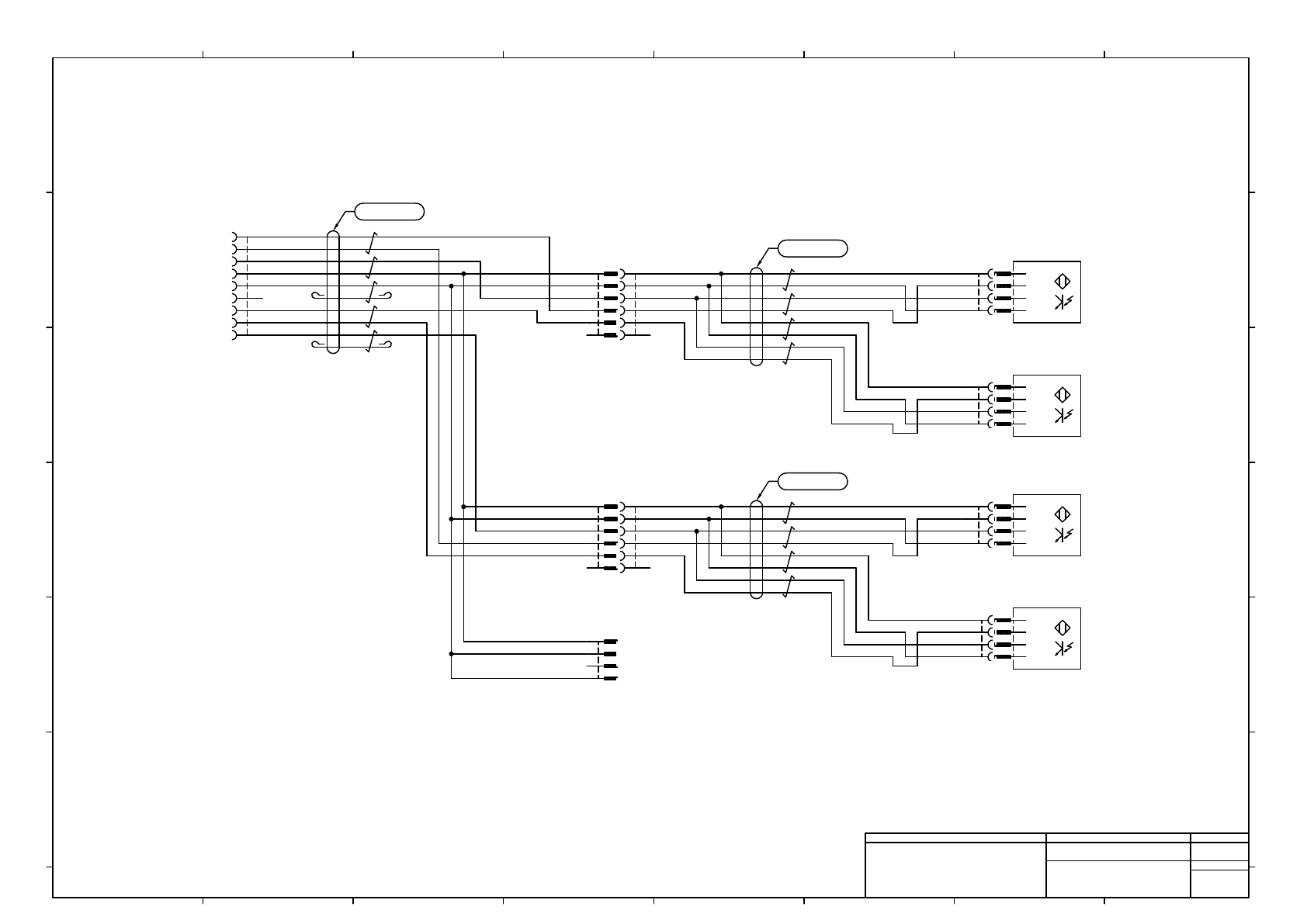
Transportation opening sensor (projection) Transportation opening sensor (Receive) 177900-1 B1020TR 4 3 2 1 177900-1 B1020R 4 3 2 1 -B1020T BN BK BU -B1020 BN PK BK BU Left (-Front) side Left (-Rear) side → P003 - B1020P…

P24
OUT
IN
GND
1
2
3
4
-B1131
1
2
3
4
PAP-04V-S
B1131
L1(1) Board stop sensor 2
L2(4) Board stop sensor 1
L2(4) Board stop sensor 2
6
5
4
1B1135R
177901-1
3
2
1
6
5
4
1B1137R
177901-1
3
2
1
P24
OUT
IN
GND
1
2
3
4
-B1135
1
2
3
4
PAP-04V-S
B1135
L1(1) Board stop sensor 1
P24
OUT
IN
GND
1
2
3
4
-B1132
1
2
3
4
PAP-04V-S
B1132
P24
OUT
IN
GND
1
2
3
4
-B1137
1
2
3
4
PAP-04V-S
B1137
YE/WH
YE
GN/WH
GN
BK/WH
BK
RD/WH
RD
UL2464 (SPV840) 4P×24AWG(11/0.16TA) LF BK
N610126544AC
YE/WH
YE
GN/WH
GN
BK/WH
BK
RD/WH
RD
UL2464 (SPV840) 4P×24AWG(11/0.16TA) LF BK
N610126545AC
6
5
4
1B1135P
177909-1
3
2
1
6
5
4
1B1137P
177909-1
3
2
1
9
8
7
6
5
4
2B1135R
177903-1
3
2
1
4
3
2
1
177908-1
B1020TP
YE/WH
YE
GN
BK/WH
BK
RD/WH
RD
GN/WH
BN
2464C(BPF)VVP AWG#24×5P-B
BN/WH
N610126543AC
→ P003 - 2B1135P
→ P008 - B1020TR
IN135
IN137
OUT107
P24
G24
IN131
OT117
IN132
UL1007 24AWG BU BU
UL1007 24AWG BU BU
UL1007 24AWG BU BU
UL1007 24AWG BU BU
UL1007 24AWG BU BU
1 2
2
2
2464-1061/ⅡA(PF) LF 5P×24AWG
2
2464-1061/ⅡA(PF) LF 4P×24AWG
2
2464-1061/ⅡA(PF) LF 4P×24AWG
2
U-TKVV 4P-AWG24
3
3
U-TKVV 4P-AWG24
3
3
Panasonic Smart Factory Solutions Co.,Ltd. パナソニック スマートファクトリーソリューションズ株式会社
Name
Drawing No.
Loc. No.
F4K1020-05A
1
2 3 4 5 6 7 8
A
B
C
D
E
F
1 2 3 4 5 6 7 8
A
B
C
D
E
F
Page. No.
Flex Conveyor ST L Control:NPM-D
(Sensor wiring)
N610126533+007AD
P007

Transportation opening sensor (projection)
Transportation opening sensor
(Receive)
177900-1
B1020TR
4
3
2
1
177900-1
B1020R
4
3
2
1
-B1020T
BN
BK
BU
-B1020
BN
PK
BK
BU
Left (-Front) side
Left (-Rear) side
→ P003 - B1020P
→ P007 - B1020TP
-S311
BU
BU/WH
BN
BN/WH
OG
OG/WH
Front side
Conveyor Cover SW
177901-1
S311R
6
5
4
3
2
1
Opening
sensor
L1(1),L2(4)
(Dual mode)
L-(2),L-(3)
(Quad mode)
N610126546AC
→ P003 - 1S311P
177909-1
S311P
1
2
3
4
5
6
BK/WH
BK
2464C(BPF)VVP AWG#24×1P-B
1
2
3
1S311R
177901-1
4
5
6
177901-1
S312R
6
5
4
3
2
1
Rear side
Conveyor Cover SW
Opening
sensor
L1(1),L2(4)
(Dual mode)
L-(2),L-(3)
(Quad mode)
→ P003 - S312P
P24
G24
G24
P24
P24
L_OPEN
G24
WH
BK
RD
GN
R1.25-4 R1.25-4
L1FG L1FG
N610126547AA
WH
BK
RD
GN
R1.25-4 R1.25-4
L2FG L2FG
N610126548AA
WH
BK
RD
GN
R1.25-4 R1.25-4
L2FG L2FG
N610126548AA
CONNECTOR
BRACKET
L1(1)Left (-Rear) side
Moving rail
CONNECTOR
BRACKET
L2(4)Left (-Rear) side
Moving rail
CONNECTOR
BRACKET
L2(4)Left (-Front) side
Moving rail
-S312
BU
BU/WH
BN
BN/WH
OG
OG/WH
Panasonic Factory Solutions Co.,Ltd. パナソニック ファクトリーソリューションズ株式会社
Name
Drawing No.
Loc. No.
F4K1020-05A
1
2 3 4 5 6 7 8
A
B
C
D
E
F
1 2 3 4 5 6 7 8
A
B
C
D
E
F
Page. No.
Flex Conveyor ST L Control:NPM-D
(Opening sensor)
N610126533+008AC
P008
2
2464-1061/ⅡA(PF) LF 1P×24AWG
2