文档中心
/
NPM_D3Wiring Diagram.pdf
NPM_D3Wiring Diagram.pdf - 第349页
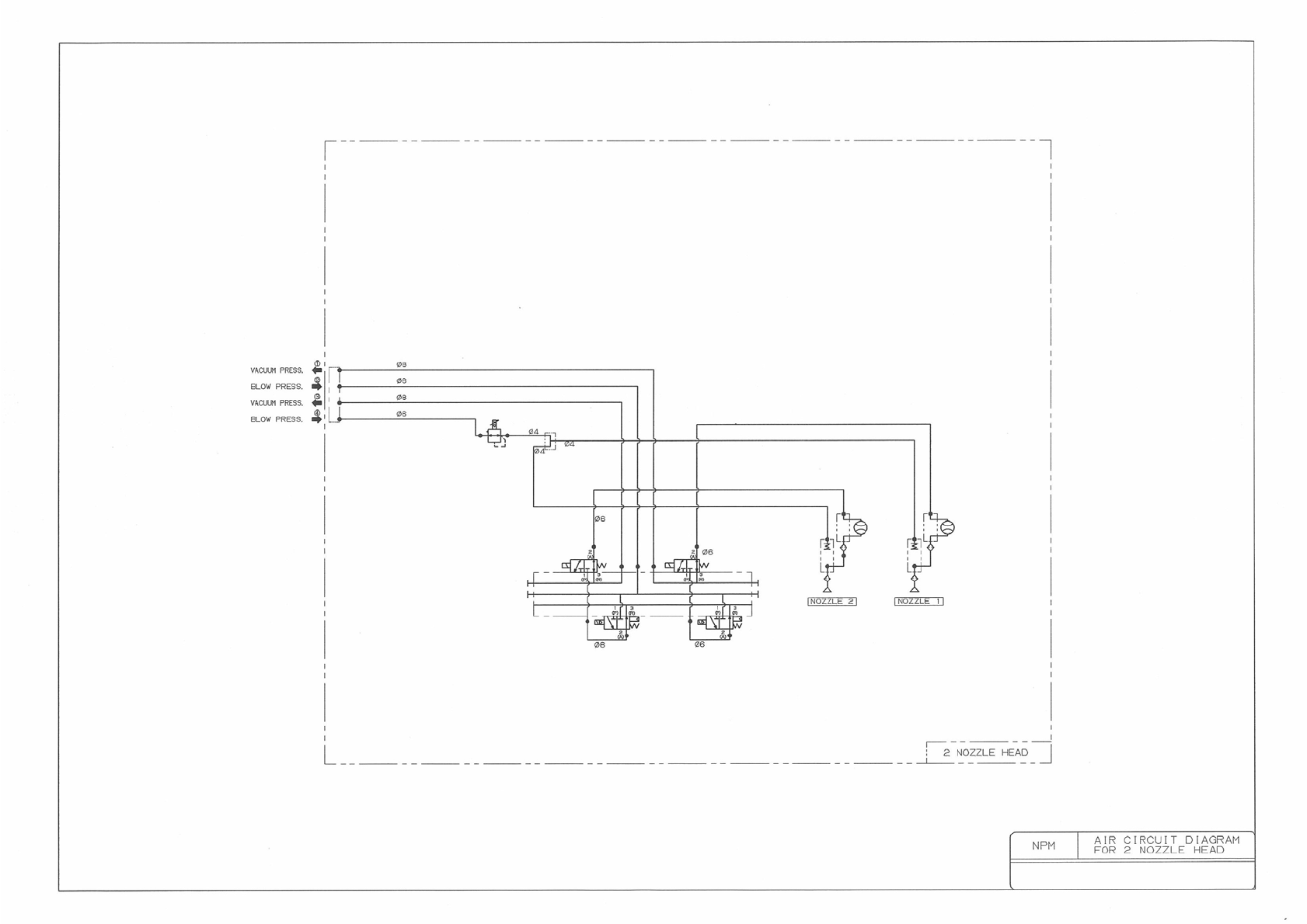
过滤器 流量计 堵头 二位三通阀
目录
100%
显示:宽度
宽度
1 / 354
回到旧版
旧版
?
过滤器
流量计
堵头
二位三通阀
该页面需要启用 JavaScript 才能进行交互式预览。